LC72131K/KMA Datasheet by ON Semiconductor

View All Related Products | Download PDF Datasheet
ON Semiconductor”
© Semiconductor Components Industries, LLC, 2017 1 Publication Order Number :
July 2017 - Rev. 1 LC72131K_KMA/D
www.onsemi.com
ORDERING INFORMATION
See detailed ordering and shipping information on page 23 of this data sheet.
* Computer Control Bus (CCB) is an ON Semiconductor’s original bus format and
the bus addresses are controlled by ON Semiconductor.
LC72131K, LC72131KMA
PLL Frequency Synthesizer for
Tuners in Radio/Cassette Players
Overview
The LC72131K and LC72131KMA are PLL frequency synthesizers for
use in tuners in radio/cassette players.
They allow high-performance AM/FM tuners to be implemented easily.
Features
High speed programmable dividers
FMIN: 10 to 160 MHz ····· pulse swallower
(built-in divide-by-two prescaler)
AMIN: 2 to 40 MHz ······ pulse swallower
0.5 to 10 MHz ····· direct division
IF counter
IFIN: 0.4 to 12 MHz ······ AM/FM IF counter
Reference frequencies
Twelve selectable frequencies (4.5 or 7.2 MHz crystal)
100, 50, 25, 15, 12.5, 6.25, 3.125, 10, 9, 5, 3, 1 kHz
Phase comparator
Dead zone control
Unlock detection circuit
Deadlock clear circuit
Built-in MOS transistor for forming an active low-pass filter
I/O ports
Dedicated output ports: 4
Input or output ports: 2
Support clock time base output
Serial data I/O
Support CCB* format communication with the system controller.
Operating ranges
Supply voltage : 4.5 to 5.5 V
Operating temperature : 40 to +85C
Packages
LC72131K : DIP22S (300mil)
LC72131KMA : MFP20J (300mil)
PDIP22 / DIP22S (300 mil)
[LC72131K]
SOIC20W / MFP20J (300 mil)
[LC72131KMA]
LC72131K, LC72131KMA
www.onsemi.com
2
Specifications
Absolute Maximum Ratings at Ta = 25C, VSS = 0 V
Parameter Symbol Pins Conditions Ratings Unit
Supply voltage VDD max VDD 0.3 to +7.0 V
Maximum input voltage VIN1 max CE, CL, DI, AIN 0.3 to +7.0 V
VIN2 max XIN, FMIN, AMIN, IFIN 0.3 to VDD+0.3 V
VIN3 max IO1, IO2 0.3 to +15 V
Maximum output
voltage
VO1 max DO 0.3 to +7.0 V
VO2 max XOUT, PD 0.3 to VDD+0.3 V
VO3 max BO1 to BO4, IO1, IO2,
AOUT
0.3 to +15 V
Maximum output
current
IO1 max BO1 0 to 3.0 mA
IO2 max DO, AOUT 0 to 6.0 mA
IO3 max BO2 to BO4, IO1, IO2 0 to 10 mA
Allowable power
dissipation
Pd max Ta 85C
[LC72131K] 350 mW
Ta 85C
[LC72131KMA] 180 mW
Operating temperature Topr 40 to +85 C
Storage temperature Tstg 55 to +125 C
Note 1: Power pins VDD and VSS: Insert a capacitor with a capacitance of 2,000pF or higher between these pins when
using the IC.
Allowable Operating Ranges at Ta = 40C to +85C, VSS = 0 V
Parameter Symbol Pins Conditions Ratings unit
min typ max
Supply voltage VDD V
DD 4.5 5.5 V
Input high-level voltage VIH1 CE, CL, DI 0.7VDD 6.5 V
VIH2 IO1, IO2 0.7VDD 13 V
Input low-level voltage VIL CE, CL, DI, IO1, IO2 0
0.3VDD V
Output voltage VO1 DO 0 6.5 V
VO2 BO1 to BO4, IO1, IO2,
AOUT
0 13 V
Input frequency fIN1 XIN VIN1 1.0 8.0 MHz
fIN2 FMIN VIN2 10 160 MHz
fIN3 AMIN VIN3 2.0 40 MHz
fIN4 AMIN VIN4 0.5 10 MHz
fIN5 IFIN VIN5 0.4 12 MHz
Supported crystals X'tal XIN, XOUT Note 1 4.0 8.0 MHz
Input amplitude
High-level clock pulse
width tφH CL [Figure 1]
[Figure 2] 160 ns
Low-level clock pulse
width
VIN1 XIN fIN1 400 1500 mVrms
VIN2-1 FMIN f = 10 to 130 MHz 40 1500 mVrms
VIN2-2 FMIN f = 130 to 160 MHz 70 1500 mVrms
VIN3 AMIN fIN3 40 1500 mVrms
VIN4 AMIN fIN4 40 1500 mVrms
VIN5 IFIN fIN5 (IFS=1) 40 1500 mVrms
VIN6 IFIN fIN5 (IFS=0) 70 1500 mVrms
Data setup time tSU DI, CL Note 2 0.75
s
Data hold time tHD DI, CL Note 2 0.75
s
Clock low-level time tCL CL Note 2 0.75
s
Clock high-level time tCH CL Note 2 0.75
s
CE wait time tEL CE, CL Note 2 0.75
s
CE setup time tES CE, CL Note 2 0.75
s
CE hold time tEH CE, CL Note 2 0.75
s
Data latch change time tLC Note 2 0.75
s
Data output time tDC DO, CL Differs depending
on the value of the
pull-up resistor.
Note 2
0.35
s
tDH DO, CE
Stresses exceeding those listed in the Maximum Ratings table may damage the device. If any of these limits are exceeded, device functionality should not be assumed,
damage may occur and reliability may be affected.
LC72131K, LC72131KMA
www.onsemi.com
3
Note 1: Recommended crystal oscillator CI values:
CI 120 (For a 4.5 MHz crystal)
CI 70 (For a 7.2 MHz crystal)
The characteristics of the oscillation circuit depends on the printed circuit board, circuit constants, and other
factors. Therefore we recommend consulting with the anufacturer of the crystal for evaluation and reliability.
Note 2: Refer to "Serial Data Timing".
Electrical Characteristics in the Allowable Operating Ranges
Parameter Symbol Pins Conditions Ratings unit
min typ max
Built-in feedback
resistance
Rf1 XIN 1.0 M
Rf2 FMIN 500 k
Rf3 AMIN 500 k
Rf4 IFIN 250 k
Built-in pull-down
resistor
Rpd1 FMIN 200 k
Rpd2 AMIN 200 k
Hysteresis VHYS
CE, CL, DI, IO1, IO2 0.1VDD V
Output high-level
voltage
VOH PD IO = 1 mA VDD0.1 V
Output low-level
voltage
VOL1 PD IO = 1 mA 1.0 V
VOL2 BO1 IO = 0.5 mA 0.5 V
IO = 1 mA 1.0 V
VOL3 DO IO = 1 mA 0.2 V
IO = 5 mA 1.0 V
VOL4 BO2 to BO4, IO1, IO2 IO = 1 mA 0.2 V
IO = 5 mA 1.0 V
IO = 8 mA 1.6 V
VOL5 AOUT
IO = 1 mA
AIN = 1.3 V
0.5 V
Input high-level
current
IIH1 CE, CL, DI VI = 6.5 V 5.0
A
IIH2 IO1, IO2 VI = 13 V 5.0
A
IIH3 XIN VI = VDD 2.0 11
A
IIH4 FMIN, AMIN VI = VDD 4.0 22
A
IIH5 IFIN VI = VDD 8.0 44
A
IIH6 AIN VI = 6.5 V 200 nA
Input low-level current IIL1 CE, CL, DI VI = 0 V 5.0
A
IIL2 IO1, IO2 VI = 0 V 5.0
A
IIL3 XIN VI = 0 V 2.0 11
A
IIL4 FMIN, AMIN VI = 0 V 4.0 22
A
IIL5 IFIN VI = 0 V 8.0 44
A
IIL6 AIN VI = 0 V 200 nA
Output off leakage
current
IOFF1 BO1 to BO4, AOUT,
IO1, IO2
VO = 13 V
5.0
A
IOFF2 DO VO = 6.5 V 5.0
A
High-level three-state
off leakage current
IOFFH PD VO = VDD 0.01 200 nA
Low-level three-state
off leakage current
IOFFL PD VO = 0 V 0.01 200 nA
Input capacitance CIN FMIN 6 pF
Current drain IDD1 VDD X'tal = 7.2 MHz
fIN2 = 130 MHz
VIN2 = 40 mVrms
5 10 mA
IDD2 VDD PLL block stopped
(PLL INHIBIT)
X'tal oscillator
operating
(X'tal = 7.2 MHz)
0.5 mA
IDD3 VDD PLL block stopped
X'tal oscillator
operating
10
A
Functional operation above the stresses listed in the Recommended Operating Ranges is not implied. Extended exposure to stresses beyond the Recommended
Operating Ranges limits may affect device reliability.
Product parametric performance is indicated in the Electrical Characteristics for the listed test conditions, unless otherwise noted. Product performance may not be
indicated by the Electrical Characteristics if operated under different conditions.
ISU ‘HD H W % % 9 IH IH IEH ISU ‘HD >
LC72131K, LC72131KMA
www.onsemi.com
4
Serial Data Timing
tCL
tEH
tES
tHD tSU
Old New
tLC
tDH tDC
tEL
tCH
When stopped with CL high
VIL
VIL
VIH V
IH
VIH
VIH VIH
VIH
VIL VIL
VIL
DO
Internal
data latch
CL
DI
CE
tCL
tEH tES
tHD tSU
Old New
tLC
tDH tDC tDC
tEL
tCH
When stopped with CL low
VIL
VIL
VIL VIH VIH
VIH
VIH VIH
VIH
VIL
VIL
VIL
DO
Internal
data latch
CL
DI
CE
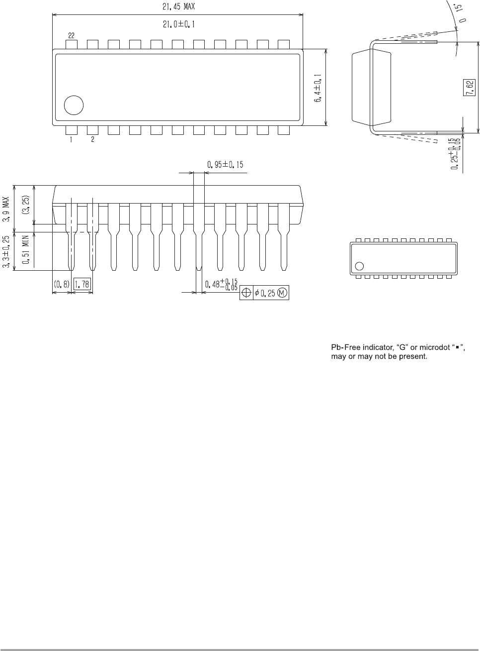
21.45 MAX 21.0:EJ 22 WWI—\WWWWWWWW b.4ill \_H_H_H_H_H_H_H_H_H_H_l 0,8513‘15 25) 3. 9 MAX (3‘ mm MIN 3‘31C‘25 10.5) L78 Fla-Free Indicamn “G" or mmmdm may or may nut be present
LC72131K, LC72131KMA
www.onsemi.com
5
Package Dimensions
unit : mm
[LC72131K]
PDIP22 / DIP22S (300 mil)
CASE 646AV
ISSUE A
XXXXXXXXXX
YMDDD
GENERIC
MARKING DIAGRAM*
*This information is generic.
XXXXX = Specific Device Code
Y = Year
M = Month
DDD = Additional Traceability Data
to
(U. 535) 12. 7:33 ED flflflflflflflflflfl 5.1iU.2 H H [1.1mm , J, [L 12w) if m. own a 7.810,} i \u¥, A if“ H fljgflil u:
LC72131K, LC72131KMA
www.onsemi.com
6
Package Dimensions
unit : mm
[LC72131KMA]
SOIC20W / MFP20J (300 mil)
CASE 751DE
ISSUE O
to
| |_||_||_||_||_||_||_||_||_||_||_| UUUUU Block Diagram REFERENCE DIVIDER SWALLOW COUNTER man/17 4sz l g malts PROGRAMMABLE DMDER L f DATA SHIFT REGISTER www.0nsemi.com 7
LC72131K, LC72131KMA
www.onsemi.com
7
Pin Assignments
Block Diagram
IO2
12 13 14 15 16 17 18 19 20 21
22
1 2 3 4 5 6 7 8 9 10 11
XOUT
IFIN
NC
AMIN
FMIN
VDD
PD
AIN
AOUT
VSS
CE
NC
XIN
DO
CL
DI
BO3
BO2
BO1
IO1
BO4
LC72131K
Top view
PD
IFIN
AMIN
CE
DI
CL
DO
VSS
VDD
FMIN
XOUT
XIN
UNIVERSAL
COUNTER
UNLOCK
DETECTOR
PHASE DETECTOR
CHARGE PUMP
REFERENCE
DIVIDER
DATA SHIFT REGISTER
LATCH
12bits PROGRAMMABLE
DIVIDER
SWALLOW COUNTER
1/16,1/17 4bits
POWER
ON
RESET
CCB
I/F
1/2
AIN
AOUT
BO1 BO2 BO3 BO4 IO1 IO2
IO2
11 12 13 14 15 16 17 18 19
20
1 2 3 4 5 6 7 8 9 10
XOUT
IFIN
AMIN
FMIN
VDD
PD
AIN
AOUT
VSS CE
XIN
DO
CL
DI
BO3
BO2
BO1
IO1
BO4
LC72131KMA
Top view
FMTN T5 14 LooaT esoTTTaTor sTngaT TnpuT FMIN Ts seTecTeo when The serTaT daTa TnhuT DVS hTT Ts seT Th T The TnhuTTreooerToy range TsTrern To To 160MHz The TnhuT sTgnaT passes Thrhugh The TrTTernaT dTdeeabyaMu hresoaTer and Ts TnhuT Te The swallow oounTer The dIVISDr can he Tn The range 272 Th 55535 Huweven sTnoe The sTngaT has passed Threugh The deebeerD hresoaTer. The aoTuaT dTVISDr Ts lece The seT uaTue AMIN T5 13 LooaT esoTTTaTor sTngaT TnpuT AMTN Ts seTeoTed when The serTaT daTa TnpuT DVS hTT Ts seT Th 0 When The serTaT daTa TnpuT SNS hTT Ts seT To T . The Tnpuflrequency range Ts 2 Te AUMHz . The sTgnaT Ts oTrecTTy TnhuT Te The swaTThw culm|er . The dTVTshr can he Tn The range 272 Th 55535 and The oTVTshr used wTTT he The vaTue seT When The serTaT daTa TnpuT SNS hTT Ts seT To u . The Tnpuflrequency range Ts u 5 To IUMHz . The sTgnaT Ts oTrecTTy TnpuT Te a 124m programmahTe owToer . The dTVTshr can he Tn The range 4 To 4095‘ and The dTVTSDr used erT he The value seT CE chTh erTahTe SeT ThTs an thh when TnhuTTTng (DT) er ouThuTTTng Too) serTaT daTa DT TeruT daTa TeruTs serTaT daTa hanslerred from The ohnTroTTer To The L072T aTK/KMA cThck Used as The synohrerTTzaTTon check when TnhuTTTng (DI) er equoTTTrTg (DO) serTaT daTa OquuT daTa OquuTs serTaT daTa TrarTsTerred from The Tc72TaT K/KMA To The cunTruTTer The cunTerTT oT The oquuT daTa Ts oeTerrrTTrTed by The serTaT daTa 0000 To Doc2 T7 T5 Puwer suphTy The Lc72T3T K/KMA puwer suhply an (VD 5 To 5 5V) The howererT reseT oTrcoTToperaTes when power Ts hrsTappTTed 2T Ground The LC7ZIST K/KMA ground “7me OquuT hon DeoroaTed equoT ans The uquuT sTaTes are oeTernTTneo hy W TOW hTTs Tn The serTaT daTa DaTa u:hhen, T:Tew A TTnTe hase sTngaT (BHzT can he hquuT from The W pm (When The serTaT daTa TBC hTT Ts seT Te T ) Care Ts reooTreo when usTrTg The W on sTnoe TT has a thher en TrnpedarToe ThaT The uTher oquuT pens (ths W To W) TT T3 Tu T2 TTo pen TTo duaTause ans The dTreoTTon TTnpuT or hquoT) Ts oeTernTTneo hy hTTs Tom and Tocz TrT The serTaT daTa DaTa u:TnpuT ohm T:ooThuT purl When specThed Tor use as TnpuT puns The sTaTe hf The TnpuT an Ts TransrnTTTeo Te The cehTrhTTer over The DO an TeruT sTaTe Te thh TdaTa vaToe When specTheo Tor use as oquuT porTs The equoT sTaTes are deTerrnTneo hy The ToT and T02 hTTs Tn The serTaT daTa DaTa u:hhen, T:Tew These pTrTs TonoTron as TnhuT ans ToTToang a power on reseT daTa ualue www.0nsemi.com 8 Cuminued Tm ncxl p
LC72131K, LC72131KMA
www.onsemi.com
8
Pin Functions
Symbol
Pin No.
Type Functions Circuit configuration
LC72131K LC72131KMA
XIN
XOUT
1
22
1
20
X'tal OSC Crystal resonator connection
(4.5MHz/7.2MHz)
FMIN 16 14 Local
oscillator
signal input
FMIN is selected when the serial data input DVS bit is set to 1.
The input frequency range is from 10 to 160MHz.
The input signal passes through the internal divide-by-two
prescaler and is input to the swallow counter.
The divisor can be in the range 272 to 65535. However,
since the signal has passed through the divide-by-two
prescaler, the actual divisor is twice the set value.
AMIN 15 13 Local
oscillator
signal input
AMIN is selected when the serial data input DVS bit is set to 0.
When the serial data input SNS bit is set to 1:
The input frequency range is 2 to 40MHz.
The signal is directly input to the swallow counter.
The divisor can be in the range 272 to 65535, and the divisor
used will be the value set.
When the serial data input SNS bit is set to 0:
The input frequency range is 0.5 to 10MHz.
The signal is directly input to a 12-bit programmable divider.
The divisor can be in the range 4 to 4095, and the divisor
used will be the value set.
CE 3 2 Chip enable Set this pin high when inputting (DI) or outputting (DO) serial
data.
DI 4 3 Input data Inputs serial data transferred from the controller to the
LC72131K/KMA.
CL 5 4 Clock Used as the synchronization clock when inputting (DI) or
outputting (DO) serial data.
DO 6 5 Output data Outputs serial data transferred from the LC72131K/KMA to the
controller.
The content of the output data is determined by the serial data
DOC0 to DOC2.
VDD 17 15 Power supply The LC72131K/KMA power supply pin (VDD=4.5 to 5.5V)
The power on reset circuit operates when power is first applied. -
VSS 21 19 Ground The LC72131K/KMA ground -
BO1
BO2
BO3
BO4
7
8
9
10
6
7
8
9
Output port Dedicated output pins
The output states are determined by BO1 to BO4 bits in
the serial data.
Data: 0=open, 1=low
A time base signal (8Hz) can be output from the BO1 pin.
(When the serial data TBC bit is set to 1.)
Care is required when using the BO1 pin, since it has a higher on
impedance that the other output ports (pins BO2 to BO4).
IO1
IO2
11
13
10
12
I/O port I/O dual-use pins
The direction (input or output) is determined by bits IOC1 and
IOC2 in the serial data.
Data: 0=input port, 1=output port
When specified for use as input ports:
The state of the input pin is transmitted to the controller over
the DO pin.
Input state: low=0 data value
high=1 data value
When specified for use as output ports:
The output states are determined by the IO1 and IO2 bits in
the serial data.
Data: 0=open, 1=low
These pins function as input pins following a power on reset.
Continued on next page.
S
S
S
S
IeveT \S empm lmm the PD pm Swmflarly‘ when tha| Irequency \S Teweh 3 \0w TeveT \S umput The PD pm gees u; The mgh \mpedanbe share when The (requehmes ma|ch AIN 19 17 LPF amphher The firchanne‘ MOS (ranswsmr used Tar the PLL achve AouT 20 18 (ranswsmrs \qupass Mar IFWN 12 11 IF eeumer Accepts eh mpm m the lrequency range m 4 m 12MHZ The mpm swgnal .s aheeuy hehsmlued m The \F wumer The resufl ‘5 umpm sramhg The MSB m The IF counter uslng The DO pln Four measuremem penads are suppofled 4‘ a. 32‘ and 54m: TW “ DI Control Data (Serial Data Input) Structure In INl mode |2| 1N2 mode *—v—’\—v—“—H\—v—”—v—“—v—“—v—“—HLHLY4‘W—’ www.0nsemi.com 9
LC72131K, LC72131KMA
www.onsemi.com
9
Continued from preceding page.
Symbol
Pin No.
Type Functions Circuit configuration
LC72131K LC72131KMA
PD 18 16 Charge pump
output
PLL charge pump output
When the frequency generated by dividing the local oscillator
frequency by N is higher than the reference frequency, a high
level is output from the PD pin.
Similarly, when that frequency is lower, a low level is output.
The PD pin goes to the high impedance state when the
frequencies match.
AIN
AOUT
19
20
17
18
LPF amplifier
transistors
The n-channel MOS transistor used for the PLL active
low-pass filter.
IFIN 12 11 IF counter Accepts an input in the frequency range 0.4 to 12MHz.
The input signal is directly transmitted to the IF counter.
The result is output starting the MSB of the IF counter using the
DO pin.
Four measurement periods are supported: 4, 8, 32, and 64ms.
DI Control Data (Serial Data Input) Structure
[1] IN1 mode
[2] IN2 mode
R2
R1
R0
(3) IF-CTR
XS
CTE
DVS
SNS
P15
P14
P13
P12
P11
P10
(1) P-CTR
(2) R-CTR
P9
P8
P7
P6
P5
P4
P3
P2
P1
P0
R3
address
0 0 1 0 1 0 0
DI 0
First Data IN1
TEST1
TEST0
IFS
(12) TEST
(11) IFS
(10) PD-C
(5) O-PORT
(13) Don’t care
(6) DO-C
(9) TIME
DLC
TBC
GT1
GT0
DZ1
DZ0
UL1
UL0
DOC2
DOC1
(7) UNLOCK
(4) IO-C
(8) DZ-C
(3) IF-CTR
DOC0
DNC
BO4
BO3
BO2
BO1
IO2
IO1
IOC2
IOC1
TEST2
address
0 0 1 0 1 0 0
DI 1
First Data IN2
DVS‘ st Reverence mwuer da|a R0 «0 R3 x5 \F coumer control da|a CTE GTO GT1
LC72131K, LC72131KMA
www.onsemi.com
10
Control Data Functions
No. Control block/data Functions Related data
(1) Programmable
divider data
P0 to P15
DVS, SNS
Data that sets the divisor of the programmable divider.
A binary value in which P15 is the MSB. The LSB changes depending on
DVS and SNS. (*: don’t care)
Note: P0 to P3 are ignored when P4 is the LSB.
Selects the signal input pin (AMIN or FMIN) for the programmable divider, switches
the input frequency range. (*: don’t care)
Note: See the “Programmable Divider Structure” item for more information.
(2) Reference divider
data
R0 to R3
XS
Reference frequency (fref) selection data.
Note *: PLL INHIBIT
The programmable divider block and the IF counter block are stopped, the FMIN, AMIN,
and IFIN pins are set to the pull-down state (ground), and the charge pump goes to the
high impedance state.
Crystal resonator selection
XS=0: 4.5MHz
XS=1: 7.2MHz
The 7.2MHz frequency is selected after the power-on reset.
(3) IF counter control
data
CTE
GT0, GT1
IF counter measurement start data
CTE=1: Counter start
=0: Counter reset
Determines the IF counter measurement period.
Note: See the “IF Counter Structure” item for more information.
IFS
Continued on next page.
Twice the value of the setting
The value of the setting
The value of the setting
272 to 65535
272 to 65535
4 to 4095
Actual divisor Divisor setting (N) LSB SNS
P0
P0
P4
*
1
0
1
0
0
DVS
10 to 160MHz
2 to 40MHz
0.5 to 10MHz
FMIN
AMIN
AMIN
Input frequency range Input pin SNS
*
1
0
1
0
0
DVS
1 * PLL INHIBIT
* PLL INHIBIT + X'tal OSC STOP
1
0 1
1 1
1 1
0
1
0
0
1
1
1
1
3
15
10
9
5
1
0
1
0
1
0
0
1
1
0
0
0
0
1
1
1
1
100kHz
50
25
25
12.5
6.25
3.125
3.125
0
1
0
1
0
1
0
1
0
0
1
1
0
0
1
1
0
0
0
0
1
1
1
1
0
0
0
0
0
0
0
0
Reference frequency R0 R1 R2 R3
Wait time (ms) Measurement time (ms) GT0 GT1
3 to 4
3 to 4
7 to 8
7 to 8
4
8
32
64
0
1
0
1
0
0
1
1
(7) Unlock delecuun da|a ULO. uu
LC72131K, LC72131KMA
www.onsemi.com
11
Continued from preceding page.
No. Control block/data Functions Related data
(4) I/O port specification
data
IOC1, IOC2
Specifies the I/O direction for the bidirectional pins IO1 and IO2.
Data: 0=input mode, 1=output mode
(5) Output port data
BO1 to BO4
IO1, IO2
Data that determines the output from the BO1 to BO4, IO1 and IO2 output ports
Data: 0=open, 1=low
The data=0 (open) state is selected after the power-on reset.
IOC1
IOC2
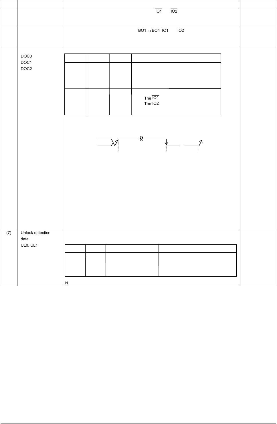
(6) DO pin control data
DOC0
DOC1
DOC2
Data that determines the DO pin output
The open state is selected after the power-on reset.
Note: 1. end-UC: Check for IF counter measurement completion
(1) When end-UC is set and the IF counter is started (i.e., when CTE is changed from
zero to one), the DO pin automatically goes to the open state.
(2) When the IF counter measurement completes, the DO pin goes low to indicate the
measurement completion state.
(3) Depending on serial data I/O (CE: high) the DO pin goes to the open state.
Note: 2. Goes to the open state if the I/O pin is specified to be an output port.
Caution: The state of the DO pin during a data input period (an IN1 or IN2 mode period with CE
high) will be open, regardless of the state of the DO control data (DOC0 to DOC2).
Also, the DO pin during a data output period (an OUT mode period with CE high) will
output the contents of the internal DO serial data in synchronization with the CL pin
signal, regardless of the state of the DO control data (DOC0 to DOC2).
UL0, UL1
CTE
IOC1
IOC2
(7) Unlock detection
data
UL0, UL1
Selects the phase error (E) detection width for checking PLL lock.
A phase error in excess of the specified detection width is seen as an unlocked state.
Note: In the unlocked state the DO pin goes low and the UL bit in the serial data becomes zero.
DOC0
DOC1
DOC2
Continued on next page.
Open
The IO1 pin state *2
The IO2 pin state *2
Open
Open
Low when the unlock state is detected
end-UC *1
Open
Do pin state DOC0 DOC1
0
1
0
1
0
0
1
1
0
1
0
1
0
0
1
1
1
1
1
1
0
0
0
0
DOC2
(1) Count start (3)CE: High (2) Count end
DO pin
Open
E is output directry
E is extended by 1 to 2ms
stopped
0
0.55s
1.11
Detector output E detection width UL0
0
1
0
1
0
0
1
1
UL1
conkul da|a 020, 021 (9) (Neck “mg base TBC m (10) Charge pump comm da|a DLC Vcc (H) \F Enumerconlml da|a \FS (12) LS‘ tes| data TESTO mz (m DNC DO Control Data (Serial |3| OUT Mode Doe www.0nsemi.com 12
LC72131K, LC72131KMA
www.onsemi.com
12
Continued from preceding page.
No. Control block/data Functions Related data
(8) Phase comparator
control data
DZ0, DZ1
• Controls the phase comparator dead zone.
Dead zone width: DZA<DZB<DZC<DZD
(9) Clock time base
TBC
Setting TBC to one causes an 8Hz, 40% duty clock time base signal to be output from the BO1
pin. (BO1 data is invalid in this mode.)
BO1
(10) Charge pump control
data
DLC
Forcibly controls the charge pump output.
Note: If deadlock occurs due to the VCO control voltage (Vtune) going to zero and the VCO
oscillator stopping, deadlock can be cleared by forcing the charge pump output to low and
setting Vtune to VCC. (This is the deadlock clearing circuit.)
(11) IF counter control
data
IFS
This data must be set 1 in normal mode.
IFS Though if this value is set to zero, the system enters input sensitivity degradation mode,
and the sensitivity is reduced to 10 to 30mVrms.
* See the “IF Counter Operation” item for details.
(12) LSI test data
TEST0 to 2
LSI test data
TEST0
TEST1 These values must all be set to 0.
TEST2
These test data are set to 0 automatically after the power-on reset.
(13) DNC Don’t care. This data must be set to 0.
DO Control Data (Serial Data Output) Structure
[3] OUT Mode
DZA
DZB
DZC
DZD
Dead zone mode
0
1
0
1
0
0
1
1
DZ0 DZ1
Normal operation
Forced low
0
1
Charge pump output DLC
C1
C2
C3
(2) UNLOCK
(1) IN-PORT
C4
C5
C6
C7
C8
C9
C10
C11
C12
C13
(3) IF-CTR
C14
C15
C16
C17
C18
C19
UL
I1
I2
C0
address
Fist Data OUT
0 0 1 0 1 0 1
DO
: Must be 0.
DI 0
F X { MUMMMMMM Umii Jj_fl_fl_fl_fl_fl_fl_fl_fl_fl_?1 , X X X X X X X X X X X vm { U_X_X_ 17 v m X_X_X_X m
LC72131K, LC72131KMA
www.onsemi.com
13
Control Data Functions
No. Control block/data Functions Related data
(1) I/O port data
I2, I1
Latched from the pin states of the IO1 and IO2 I/O ports.
These values follow the pin states regardless of the input or output setting.
I1 IO1 pin state High: 1
I2 IO2 pin state Low: 0
IOC1
IOC2
(2) PLL unlock data
UL
Latched from the state of the unlock detection circuit.
UL 0: Unlocked
UL 1: Locked or detection stopped mode
UL0
UL1
(3) IF counter binary
counter
C19 to C0
Latched from the value of the IF counter (20-bit binary counter).
C19 MSB of the binary counter
C0 LSB of the binary counter
CTE
GT0
GT1
Serial Data I/O Methods
The LC72131K/KMA inputs and outputs data using Our CCB (computer control bus) audio LSI serial bus format. This
LSI adopts an 8-bit address format CCB.
I/O mode
Address
Function
B0 B1 B2 B3 A0 A1 A2 A3
[1] IN1 (82) 0 0 0 1 0 1 0 0
Control data input mode (serial data input)
24 data bits are input.
See the “DI Control Data (serial data input) Structure” item for details
on the meaning of the input data.
[2] IN2 (92) 1 0 0 1 0 1 0 0
Control data input mode (serial data input)
24 data bits are input.
See the “DI Control Data (serial data input) Structure” item for details
on the meaning of the input data.
[3] OUT (A2) 0 1 0 1 0 1 0 0
Data output mode (serial data output)
The number of bits output is equal to the number of clock cycles.
See the “DO Control Data (serial data output) Structure” item for details
on the meaning of the output data.
(2)
(1)
First Data IN1/2
First Data OUT
First Data OUT
A3 A2 A1 A0 B3 B2 B1 B0 DI
I/O mode determined
CE
CL
(2)
(1) CL: Normal high
(2) CL: Normal low
(1)
DO
gmimm XXXXXXXXXXXXXXXXX tES IEH (a
LC72131K, LC72131KMA
www.onsemi.com
14
1. Serial Data Input (IN1/IN2) tSU, tHD, tES, tEH0.75s tLC<0.75s
(1) CL: Normal high
(2) CL: Normal low
2. Serial Data Output (OUT) tSU, tHD, tEL, tES, tEH0.75s tDC, tDH<0.35s
(1) CL: Normal high
(2) CL: Normal low
Note: Since the DO pin is an N-channel open-drain pin, the time for the data to change (tDC and tDH) will differ
depending on the value of the pull-up resistor and printed circuit board capacitance.
Internal data
tLC
tEH tES tEL
tHD tSU
R3 R2 R1 P3 P2 P1 P0 A3 A2 A1 A0 B3 B2 B1 B0 R0 DI
CE
CL
Internal data
tLC
tEH tES tEL
tHD tSU
R3 R2 R1 P3 P2 P1 P0 A3 A2 A1 A0 B3 B2 B1 B0 R0 DI
CE
CL
DO
DI
CE
CL
tDC tDC tDH
tEH tES tEL
tHD tSU
UL I1 I2
A3 A2 A1 A0 B3 B2 B1 B0
C0 C1 C2 C3
DO
tDC tDC tDH
tEH tES tEL
tHD tSU
I1 I2 UL
A3 A2 A1 A0 B3 B2 B1 B0
C0 C1 C2 C3
DI
CE
CL
(A) FMIN 13 1/2 7;] Swallow Counler 1C) 4M7 1 13 ‘3) fvco/N > } 7.}; l T frelj DVS SNS 'V DVS SNS Inpulpm Se|d1v1sur Aclual d1v1sur N 1npu1 irequency range (A) 1 ' FMlN 272 la 55535 TWICE lhe sel value 10 to IEUMHZ (B) 1 1 AMIN 272 la 55535 The sel value 2 in 4UMHZ (C) 0 0 AMIN 4 lo 4095 The sel value 0 5l010MHZ ‘: Don'l care Programmable Divider Calculation Examples (1) (2) (3) FM, 50km slcpx (DVS=1, SNS=*. FMlN sclcclcd) FM RF=90,OMHZ (IF=+1(),7Ml-lz) FM VCO=100.7MH2 PLL frcf=25kHz(Rl)1o 121:1, R2 to R3:<>) ll)l).7MHz (FMVCO)+25kl—lz (frcl) +2 (FMIN: dividcrbyrlwo prcxcalcr) =20144>U7DE (HEX) ,—/%,—/%r—/%r—% sw 514-12 slcpx (DVS=0, SNS=1: AMIN higlrspccd side sclcctcd) sw RF=21.75MH2 (IF=+45()kl-lz) sw VCO=2220MHZ PLL {1's _ kHz (RU=R2=0, Rl=R3-l) 22.2Ml-[z (sw vco; :skHz (m1) #44041 158 (HEX) r—’%r—’%r—’%r—% MW ll)kHz smp. (DVS=U, SNS=0. AMlN lowwccd side sclcctcd) MW RF=1000kHz (IF=+45()kl-lz) MW vc0:1450k112 PLL frcf=10kHz(Rl)1o 122:0, 113:1) 1450kHz (MW vco; 40111-12 (11:11:1454091 (HEX) www.0nsemi.com 15
LC72131K, LC72131KMA
www.onsemi.com
15
Programmable Divider Structure
DVS SNS Input pin Set divisor Actual divisor: N Input frequency range
(A)
(B)
(C)
1
1
0
*
1
0
FMIN
AMIN
AMIN
272 to 65535
272 to 65535
4 to 4095
Twice the set value
The set value
The set value
10 to 160MHz
2 to 40MHz
0.5 to 10MHz
*: Don't care
Programmable Divider Calculation Examples
(1) FM, 50kHz steps (DVS=1, SNS=*: FMIN selected)
FM RF=90.0MHz (IF=+10.7MHz)
FM VCO=100.7MHz
PLL fref=25kHz (R0 to R1=1, R2 to R3=0)
100.7MHz (FMVCO)25kHz (fref) 2 (FMIN: divide-by-two prescaler) =201407DE (HEX)
(2) SW 5kHz steps (DVS=0, SNS=1: AMIN high-speed side selected)
SW RF=21.75MHz (IF=+450kHz)
SW VCO=22.20MHz
PLL fref=5kHz (R0=R2=0, R1=R3=1)
22.2MHz (SW VCO) 5kHz (fref) =44401158 (HEX)
(3) MW 10kHz steps (DVS=0, SNS=0: AMIN low-speed side selected)
MW RF=1000kHz (IF=+450kHz)
MW VCO=1450kHz
PLL fref=10kHz (R0 to R2=0, R3=1)
1450kHz (MW VCO) 10kHz (fref)=145091 (HEX)
(A)
(C)
(B)
SNS DVS
4bits 12bits
Swallow
Counter
Programmable
Divider
fvco=frefN
fref
fvco/N
PD E
1/2
FMIN
AMIN
P0
0
P1
0 7 D E
1
P2
1
P3
1
P4
P5
P6
P7
P8
P9
P10
P11
P12
P13
P14
P15
SNS
DVS
CTE
XS
R0
R1
R2
R3
1 0 1 1 1 1 1 0 0 0 0 0 * 1 1 1 0 0
P0
0
P1
1 1 5 8
0
P2
0
P3
1
P4
P5
P6
P7
P8
P9
P10
P11
P12
P13
P14
P15
SNS
DVS
CTE
XS
R0
R1
R2
R3
1 0 1 0 1 0 0 0 1 0 0 0 1 0 0 1 0 1
P0
*
P1
0 9 1
*
P2
*
P3
*
P4
P5
P6
P7
P8
P9
P10
P11
P12
P13
P14
P15
SNS
DVS
CTE
XS
R0
R1
R2
R3
1 0 0 0 1 0 0 1 0 0 0 0 0 0 0 0 0 1
(FED IFIN > F TD 3 GT 4/8/32/E4ms ( ) ¢ ¢ GTO GT1 Measurememume GT1 (310 Measurement hme (GT) (ms) Wa1|l1me( o o 4 3w 0 1 5 3w 1 o 32 7w 1 1 54 7w The IF frequency (Fe) i1 mcaxurcd by dclcrmining how many meusuremem perinde GT. CXGT) c: Counl value (number of pulxc IF Counter Frequency Calculation Examples (1) When Ihc measurement period (GT) ix 32m, [he counl IF frcqucncy (Fc) =34240l)+32ms=10 7MHZ (2) When me mcasurcmcnl period (GT) is me, [he counl ( IF frcqucncy (Fc) =360l)+8ms=450kHz www.cnse 16
LC72131K, LC72131KMA
www.onsemi.com
16
IF Counter Structure
The LC72131K/KMA IF counter is a 20-bit binary counter. The result, i.e., the counter’s msb, can be read serially from
the DO pin.
GT1 GT0
Measurement time
Measurement time (GT) (ms) Wait time (twu) (ms)
0
0
1
1
0
1
0
1
4
8
32
64
3 to 4
3 to 4
7 to 8
7 to 8
The IF frequency (Fc) is measured by determining how many pulses were input to an IF counter in a specified
measurement period, GT.
Fc= (C=FcGT) C: Count value (number of pulses)
IF Counter Frequency Calculation Examples
(1) When the measurement period (GT) is 32ms, the count (C) is 53980 hexadecimal (342400 decimal):
IF frequency (Fc) =34240032ms=10.7MHz
(2) When the measurement period (GT) is 8ms, the count (C) is E10 hexadecimal (3600 decimal):
IF frequency (Fc) =36008ms=450kHz
4/8/32/64ms
8 to 11 4 to 7 0 to 3
16 to 19 12 to 15
(Fc)
(C)
(GT)
GT0
M
S
B
L
S
B
IF counter
(20bits binary counter)
C=FcGT
CTE
DO pin
GT1
IFIN
C
GT
I2
I1
0 8 9 3 5
UL
C19
C18
C17
C16
C15
C14
C13
C12
C11
C10
C9
C8
C7
C6
C5
C4
C3
C2
C1
C0
0 1 0 1 0 0 1 1 1 0 0 1 1 0 0 0 0 0 0 0
I2
I1
0 1 E 0 0
UL
C19
C18
C17
C16
C15
C14
C13
C12
C11
C10
C9
C8
C7
C6
C5
C4
C3
C2
C1
C0
0 0 0 0 0 0 0 0 1 1 1 0 0 0 0 1 0 0 0 0
LC72131K, LC72131KMA
www.onsemi.com
17
IF Counter Operation
Before starting the IF count, the IF counter must be reset in advance by setting CTE in the serial data to 0.
The IF count is started by changing the CTE bit in the serial data from 0 to 1. The serial data is latched by the
LC72131K/KMA when the CE pin is dropped from high to low. The IF signal must be supplied to the IFIN pin in the
period between the point the CE pin goes low and the end of the wait time at the latest. Next, the value of the IF
counter at the end of the measurement period must be read out during the period that CTE is 1. This is because the IF
counter is reset when CTE is set to 0.
Note: When operating the IF counter, the control microprocessor must first check the state of the IF-IC SD (station
detect) signal and only after determining that the SD signal is present turn on IF buffer output and execute an
IF count operation. Autosearch techniques that use only the IF counter are not recommended, since it is
possible for IF buffer leakage output to cause incorrect stops at points where there is no station.
IFIN minimum input sensitivity standard f [MHz]
IFS 0.4f<0.5 0.5f<8 8f12
1: Normal mode 40mVrms (0.1 to 3mVrms) 40mVrms 40mVrms (1 to 10mVrms)
0: Degradation mode 70mVrms (10 to 15mVrms) 70mVrms 70mVrms (30 to 40mVrms)
Note: Values in parentheses are actual performance values presented as reference data.
Unlock Detection Timing
Unlock Detection Determination Timing
Unlocked state detection is performed in the reference frequency (fref) period (interval). Therefore, in principle,
unlock determination requires a time longer than the period of the reference frequency. However, immediately after
changing the divisor N (frequency) unlock detection must be performed after waiting at least two periods of the
reference frequency.
Figure 1 Unlocked State Detection Timing
For example, if fref is 1kHz, i.e., the period is 1ms, after changing the divisor N, the system must wait at least 2ms
before checking for the unlocked state.
CTE data=1
Count start Count end (end-UC)
GT
Wait time
Measurement
time
IFIN
Frequncy
Measurement
time
CE
New divisor N’ Old divisor N
New data Old data
Note: After changing the divisor, ERROR
is output after two fref periods.
The divisor N is not updated
during the first period.
N-
counter
ERROR
(unlock)
DATA
LATCH
VCO/N
fref
CE
UNLOCK fi) UNLOCK E detection circuit L W Phase VCO/N comparator .am at DATA LATCH aERROR Figure 2 Circuit Structure W WW —|—F— a Figure 3 Unlocked State Data Output Using Serial Data Output In the LC72131K/KMA, once an unlocked state occurs, the unlocked state serial data (UL) will not be reset until a data input (or output) operation is performed At the data output (1) point in Figure 3, although the VCO frequency h tabilized (locked), since no data output has been performed since the div' or N was changed the unlocked state data remains in the unlocked state. As a result, even though the frequency h . ,tabilized (locked). the system remains (from the standpoint of the data) in the unlocked state. Therefore, the unlocked state data acquired at data output (1 ), which occurs immediately after the divisor N was a dummy data output and ignored. The second data output (data output (2)) and following outpuls are valid data. changed, should be treated YES www.0nsemi.com 18
LC72131K, LC72131KMA
www.onsemi.com
18
Figure 2 Circuit Structure
Figure 3
Unlocked State Data Output Using Serial Data Output
In the LC72131K/KMA, once an unlocked state occurs, the unlocked state serial data (UL) will not be reset until a
data input (or output) operation is performed. At the data output (1) point in Figure 3, although the VCO frequency
has stabilized (locked), since no data output has been performed since the divisor N was changed the unlocked state
data remains in the unlocked state. As a result, even though the frequency has stabilized (locked), the system
remains (from the standpoint of the data) in the unlocked state.
Therefore, the unlocked state data acquired at data output (1), which occurs immediately after the divisor N was
changed, should be treated as a dummy data output and ignored. The second data output (data output (2)) and
following outputs are valid data.
<Locked State Determination Flowchart Example>
VCO
UNLOCK
L.P.F
ERROR
Phase
comparator
DATA LATCH
N
UNLOCK
detection circuit
R
Preset
VCO/N
fref
Data output (2) Data input Data output (1)
New data Old data
VCO
frequency
Locked Locked Unlocked
ERROR
N
Unlock detection
pin output
Unlock (UL)
serial data output
CE
Valid data can be output at
intervals of one reference
frequency period or longer.
*: Locking state determination is
more reliable if it is based on
reading valid output data several
times
Wait for at least two reference
frequency periods.
Divisor N modification
data in
p
ut
)
locked
* NO
YES
Valid data output
Dummy data output
BO! 4i 5 Time base outpul Vcc Loop filter other Items [1| Notes on the Phase Compuralor Dead Zone 021 020 Dead zone mode charge pump 0 o DZA ON/ON o 1 DZB ON/ON I o 020 OFF/OFF I 1 DZD OFF/OFF Since correclion pulses are output from the charge pum ON/ON state, the loop can easily become unslable. Thi circuils. The following problems may occur in the ON/ON slate (1) Side hand generation due I0 reference frequency (2) Side band generation due to both the correction p Schemes in which a dead zone is presenl (OFF/OFF) ha ouiring a high C/N ratio can be oimeuit On lhe othe schemes in which lhere is no dead zone, iI i, ifficull to to select DZA or DZB, which have no dead zone, in ap ”we or in which an increased AM stereo pilot margi me or DZD‘ which provide a dead zone for nppheati ratio and in which eilher AM
LC72131K, LC72131KMA
www.onsemi.com
19
Directly Outputting Unlocked State Data from the DO Pin (Set by the DO pin control data)
Since the unlocked state (high=locked, low=unlocked) is output directly from the DO pin, the dummy data
processing described in section 3 above is not required. After changing the divisor N, the locking state can be
checked after waiting at least two reference frequency periods.
Clock Time Base Usage Notes
The pull-up resistor used on the clock time base output pin (BO1) should be at least 100k. This is to prevent
degrading the VCO C/N characteristics when a loop filter is formed using the built-in low-pass filter transistor. Since
the clock time base output pin and the low-pass filter have a common ground internal to the IC, it is necessary to
minimize the time base output pin current fluctuations and to suppress their influence on the low-pass filter. Also, to
prevent chattering we recommend using a Schmitt input at the controller (microprocessor) that receives this signal.
Other Items
[1] Notes on the Phase Comparator Dead Zone
DZ1 DZ0 Dead zone mode Charge pump Dead zone
0 0 DZA ON/ON - -0s
0 1 DZB ON/ON -0s
1 0 DZC OFF/OFF +0s
1 1 DZD OFF/OFF ++0s
Since correction pulses are output from the charge pump even if the PLL is locked when the charge pump is in the
ON/ON state, the loop can easily become unstable. This point requires special care when designing application
circuits.
The following problems may occur in the ON/ON state.
(1) Side band generation due to reference frequency leakage
(2) Side band generation due to both the correction pulse envelope and low frequency leakage
Schemes in which a dead zone is present (OFF/OFF) have good loop stability, but have the problem that
acquiring a high C/N ratio can be difficult. On the other hand, although it is easy to acquire a high C/N ratio with
schemes in which there is no dead zone, it is difficult to achieve high loop stability. Therefore, it can be effective
to select DZA or DZB, which have no dead zone, in applications which require an FM S/N ratio in excess of 90 to
100dB, or in which an increased AM stereo pilot margin is desired. On the other hand, we recommend selecting
DZC or DZD, which provide a dead zone, for applications which do not require such a high FM signal-to-noise
ratio and in which either AM stereo is not used or an adequate AM stereo pilot margin can be achieved.
VCC
VCO
Vt
VDD
PD
AIN
AOUT
BO1
Rt100k
Schmitt input
Microprocessor
S
LC72131K/KMA
Loop filter
Time base output
:F Reterence Divider a VT 9 a F Programmable Drvrder 7) [2] Notes on the FMlN, AMIN, and [FIN Pins Coupling capacitors must be placed as close as possible to their re desirable in particular, ita capacitance of lOOOpF or over is used will increase and incorrect counting may occur due to the relation [3] Notes on [F CountingaSD must be used in conjunction with the When using [P countingc always iniplenient IF counting by havln the IFVIC SD (station detect) s nal and turn on the IF counter bu which aulonsearches are performed with only 1F counting are not detection where there is no signal due to overflow from the IF co [4] DO Pin Usage Techniques In addition to data output mode times, the DO pin can also he use for unlock detection Uulpull Also, an input pin state can he outpu controller. Pin States Alter the Power ON Reset [LC72131K] Open < do="" |:="" lc72131k="" j="" vdd="" open="">< w="" |:="" :‘="" fmin="" open="">< m="" :‘="" amin="" open="">< m="" j="" e="" open="">< h="" e="" j="" m="" e="" input="" part="">< |="" t="" www.0nsemi.colll="" 20="" l="" 7%="" dead="" zane="" %="">
LC72131K, LC72131KMA
www.onsemi.com
20
Dead Zone
The phase comparator compares fp to a reference frequency (fr) as shown in Figure 1. Although the
characteristics of this circuit (see Figure 2) are such that the output voltage is proportional to the phase difference
ø (line A), a region (the dead zone) in which it is not possible to compare small phase differences occurs in actual
ICs due to internal circuit delays and other factors (line B). A dead zone as small as possible is desirable for
products that must provide a high S/N ratio.
However, since a larger dead zone makes this circuit easier to use, a larger dead zone is appropriate for
popularlypriced products. This is because it is possible for RF signals to leak from the mixer to the VCO and
modulate the VCO in popularly-priced products in the presence of strong RF inputs. When the dead zone is
narrow, the circuit outputs correction pulses and this output can further modulate the VCO and generate beat
frequencies with the RF signal.
[2] Notes on the FMIN, AMIN, and IFIN Pins
Coupling capacitors must be placed as close as possible to their respective pin. A capacitance of about 100pF is
desirable. In particular, if a capacitance of 1000pF or over is used for the IF pin, the time to reach the bias level
will increase and incorrect counting may occur due to the relationship with the wait time.
[3] Notes on IF CountingSD must be used in conjunction with the IF counting time
When using IF counting, always implement IF counting by having the microprocessor determine the presence of
the IF-IC SD (station detect) signal and turn on the IF counter buffer only if the SD signal is present. Schemes in
which auto-searches are performed with only IF counting are not recommended, since they can cause false
detection where there is no signal due to overflow from the IF counter buffer.
[4] DO Pin Usage Techniques
In addition to data output mode times, the DO pin can also be used to check for IF counter count completion and
for unlock detection output. Also, an input pin state can be output unchanged through the DO pin and input to the
controller.
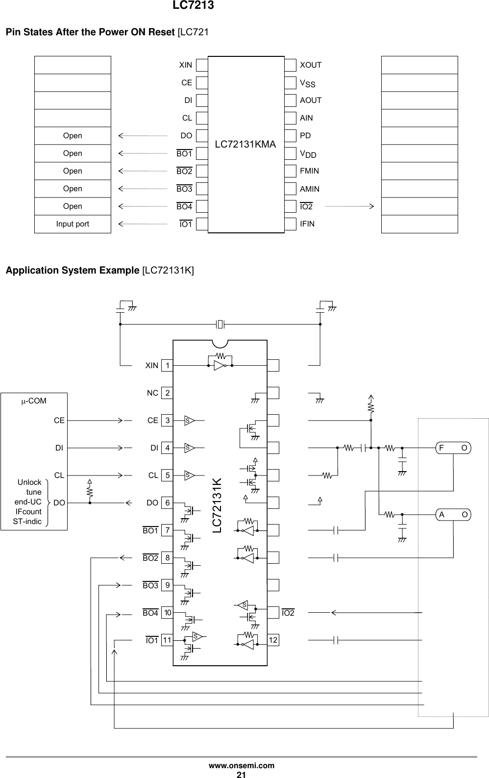
Pin States After the Power ON Reset [LC72131K]
Reference Divider
VCO LPF
Programmable Divider
Phase
Detector
Figure 1
MIX
RF
Signal leak fr
fp
Figure 2
(ns)
V
(A)
(B)
Dead Zone
Open
VSS
AOUT
AIN
PD
XOUT
VDD
LC72131K
FMIN
AMIN
IO2
IFIN
IO1
BO4
BO3
BO2
BO1
DO
CL
DI
XIN
CE
Input port
Open
Open
Open
Open
Input port
NC
NC
LC721 3 Pin States Afler the Power ON Reset [LC721 XIN E :‘ xou‘r CE E :‘ Vss DI E :‘ AOUT CL E :‘ AIN O DO PD pen < l:="" lc72131kma="" :‘="" open="">< w="" e="" :‘="" vdd="" open="">< e="" e="" :‘="" fm‘n="" open="">< m="" e="" :l="" am‘n="" open="">< w="" e="" :l="" w=""> Inputpon < n="" e="" :‘="" \fin="" application="" system="" example="" [lc72131k]="" j3),="" j3},="" d="" \j="" xm="" 1="" i="" {="">: 1 :| p-OOM NC 2 74773 7r g CE ‘>7 CE 3 ~{V at: D. ‘k m 4 4% I" j ’VW—H «m l F 3 CL ‘>7 CL 5 ~V 4%: MNVJ ; Unlock x A I ne % ‘— end-uuc DO e DO 6 2 L: J IFcaunt :EF Q W ST-Indlc o W 7 13k 4 w: 4H7 ; 7e 502 8 13k w: H H7 503 9 13k 3 7 504 10 13k flgjfi 7%, If W E43,? wi‘ 4‘ O’ www.0nsemi.com 21
LC72131K, LC72131KMA
www.onsemi.com
21
Pin States After the Power ON Reset [LC72131KMA]
Application System Example [LC72131K]
Input port
VSS
AOUT
AIN
PD
XOUT
VDD
LC72131KMA
FMIN
AMIN
IO2
IFIN
IO1
BO4
BO3
BO2
BO1
DO
CL
DI
XIN
CE
Open
Input port
Open
Open
Open
Open
2
3
4
5
6
7
8
9
10
11 12
S
S
S
S
LC72131K
VCC
IFIN
AM/FM-IF
TUNER-System
MONO/ST
FM/AM
IF-Request
ST-Indicate
tune
IO1
BO4
BO3
BO2
BO1
DO
CL
DI
CE
XIN
NC
DO
CL
-COM
CE
DI
Unlock
tune
end-UC
IFcount
ST-indic
FMVCO
AMVCO
S
1
13 IO2
14 NC
15 AMIN
16 FMIN
17 VDD
18 PD
19 AIN
20 AOUT
21 VSS
22 XOUT
“.com CE DI CL Umock tune end-UC DO chounl ST-mdwc a T LC72131KMA Efiégg Ffififi a UUUUUUU 9‘ T j}; FVO T ; J AVO 4(97 g 4H— www.0nsemi.com 22
LC72131K, LC72131KMA
www.onsemi.com
22
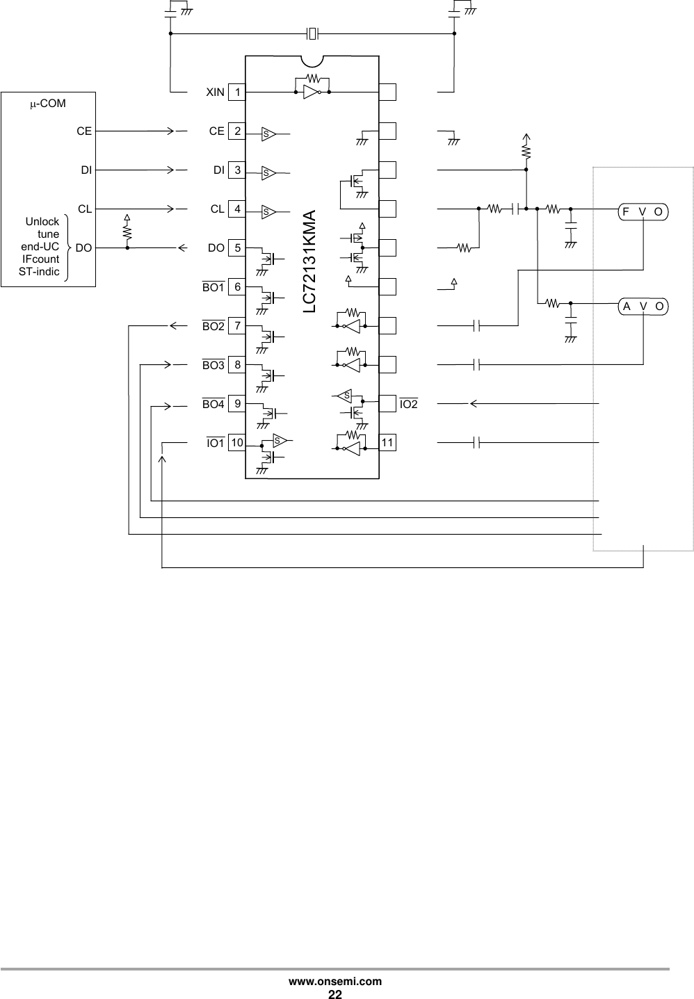
Application System Example [LC72131KMA]
2
3
4
5
6
7
8
9
10 11
S
S
S
S
LC72131KMA
VCC
IFIN
AM/FM-IF
TUNER-System
MONO/ST
FM/AM
IF-Request
ST-Indicate
tune
IO1
BO4
BO3
BO2
BO1
DO
CL
DI
CE
XIN
DO
CL
-COM
CE
DI
Unlock
tune
end-UC
IFcount
ST-indic
FMVCO
AMVCO
S
1
12 IO2
13 AMIN
14 FMIN
15 VDD
16 PD
17 AIN
18 AOUT
19 VSS
20 XOUT
LC72131K, LC72131KMA
www.onsemi.com
23
ON Semiconductor and the ON Semiconductor logo are trademarks of Semiconductor Components Industries, LLC dba ON Semiconductor or its subsidiaries
in the United States and/or other countries. ON Semiconductor owns the rights to a number of patents, trademarks, copyrights, trade secrets, and other
intellectual property. A listing of ON Semiconductor’s product/patent coverage may be accessed at www.onsemi.com/site/pdf/Patent-Marking.pdf. ON
Semiconductor reserves the right to make changes without further notice to any products herein. ON Semiconductor makes no warranty, representation or
guarantee regarding the suitability of its products for any particular purpose, nor does ON Semiconductor assume any liability arising out of the application or
use of any product or circuit, and specifically disclaims any and all liability, including without limitation special, consequential or incidental damages. Buyer is
responsible for its products and applications using ON Semiconductor products, including compliance with all laws, regulations and safety requirements or
standards, regardless of any support or applications information provided by ON Semiconductor. “Typical” parameters which may be provided in ON
Semiconductor data sheets and/or specifications can and do vary in different applications and actual performance may vary over time. All operating parameters,
including “Typicals” must be validated for each customer application by customer’s technical experts. ON Semiconductor does not convey any license under its
patent rights nor the rights of others. ON Semiconductor products are not designed, intended, or authorized for use as a critical component in life support
systems or any FDA Class 3 medical devices or medical devices with a same or similar classification in a foreign jurisdiction or any devices intended for
implantation in the human body. Should Buyer purchase or use ON Semiconductor products for any such unintended or unauthorized application, Buyer shall
indemnify and hold ON Semiconductor and its officers, employees, subsidiaries, affiliates, and distributors harmless against all claims, costs, damages, and
expenses, and reasonable attorney fees arising out of, directly or indirectly, any claim of personal injury or death associated with such unintended or
unauthorized use, even if such claim alleges that ON Semiconductor was negligent regarding the design or manufacture of the part. ON Semiconductor is an
Equal Opportunity/Affirmative Action Employer. This literature is subject to all applicable copyright laws and is not for resale in any manner.
ORDERING INFORMATION
Device Package Shipping (Qty / Packing)
LC72131K-E PDIP22 / DIP22S (300 mil)
(Pb-Free) - / -
LC72131KMA-AE SOIC20W / MFP20J (300 mil)
(Pb-Free) 2000 / Tape & Reel
† For information on tape and reel specifications, including part orientation and tape sizes, please refer to our Tape and Reel
Packaging Specifications Brochure, BRD8011/D. http://www.onsemi.com/pub_link/Collateral/BRD8011-D.PDF

Products related to this Datasheet

IC PLL FREQ SYSTHESIZER