This NrChlmnel Power MOSFET is produced using ON Semiconduclor's ON Semiconductor”
irehch technology which is specifically (1 gm lo minimize gale charge
and ullra low on resistancel This device ‘ iiahle for applica
eJC
eJA
1 Publication Order Number :
NDPL070N10B/D
© Semiconductor Components Industries, LLC, 2015
September 2015 - Rev. 0
www.onsemi.com
NDPL070N10B
This N-Channel Power MOSFET is produced using ON Semiconductor’s
trench technology, which is specifically designed to minimize gate charge
and ultra low on resistance. This device is suitable for applications with
low gate charge driving or ultra low on resistance requirements.
Features
Low On-Resistance
Low Gate Charge
High Speed Switching
100% Avalanche Tested
Pb-Free and RoHS compliance
Applications
Battery Protection
Motor Drive
Primary Side Switch
Secondary Side Synchronous Rectification
SPECIFICATION
ABSOLUTE MAXIMUM RATINGS at Ta = 25C (Note 1)
Parameter Symbol Value Unit
Drain to Source Voltage VDSS 100 V
Gate to Source Voltage VGSS ±20 V
Drain Current (DC) ID 70 A
Drain Current (Pulse)
PW10s, duty cycle1% IDP 280 A
Power Dissipation
Tc=25C PD 2.1
W
72
Junction Temperature Tj 175 C
Storage Temperature Tstg 55 to +175 C
Source Current (Body Diode) IS 70 A
Avalanche Energy (Single Pulse) (Note 2) EAS 82 mJ
Lead Temperature for Soldering
Purposes, 3mm from Case for 10 Seconds TL 260 C
Note 1 : Stresses exceeding those listed in the Maximum Ratings table may damage
the device. If any of these limits are exceeded, device functionality should
not be assumed, damage may occur and reliability may be affected.
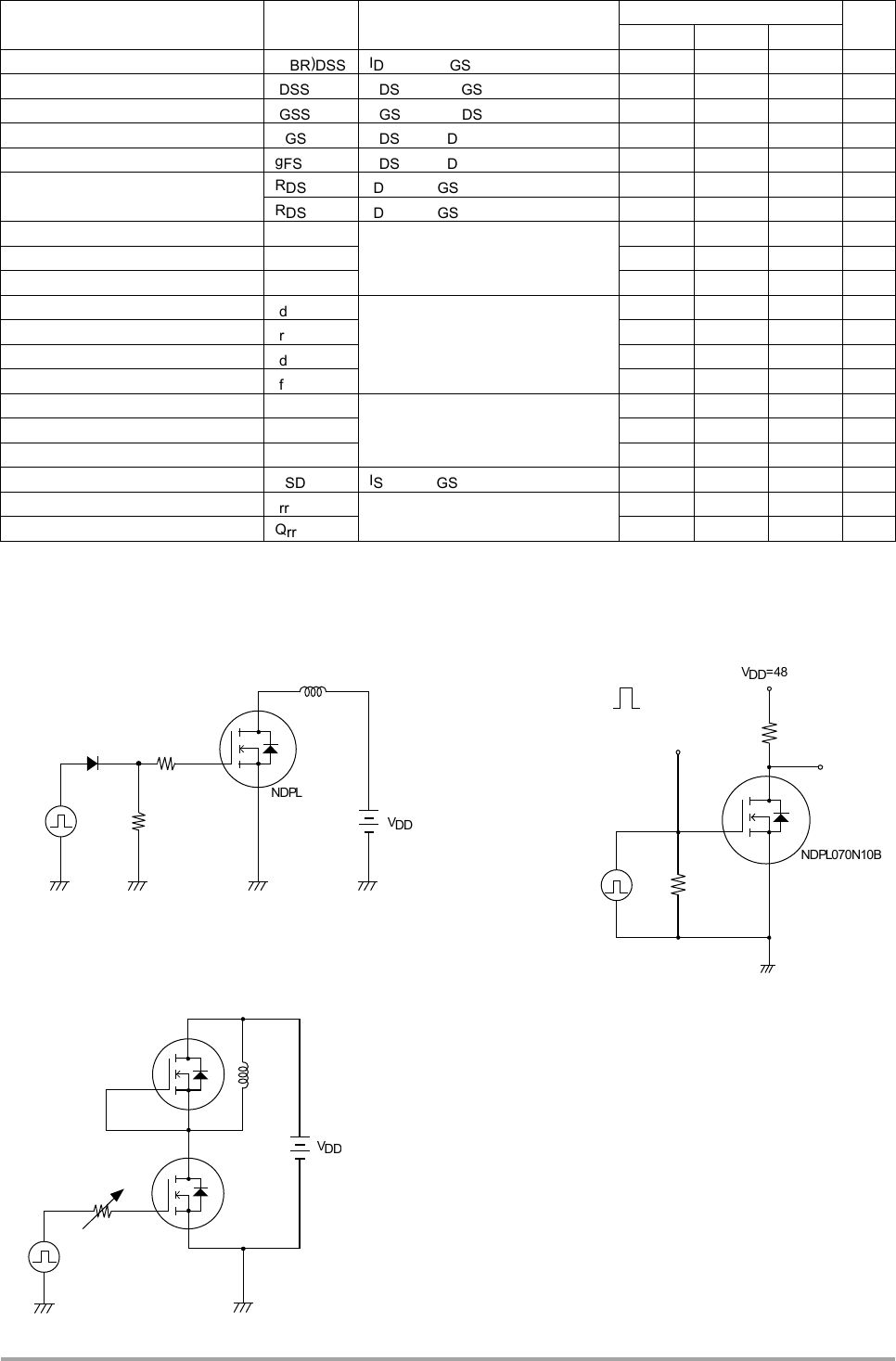
2 : VDD=48V, L=100H, IAV=30A (Fig.1)
Thermal Resistance Ratings
Parameter Symbol Value Unit
Junction to Case Steady State RJC 2.08 C/W
Junction to Ambient (Note 3) RJA 71.4
Note 3 : Insertion mounted
Power MOSFET
100V, 10.8m
Ω
, 70A, N-Channel
ELECTRICAL CONNECTION
N-Channel
VDSS R
DS(on) Max ID Max
100V 10.8 mΩ@15V 70A
12.8 mΩ@10V
MARKING
G(1)
S
(
3
)
D
(
2
)
TO-220-3L
070N10
B
LOT No.
ORDERING INFORMATION
See detailed ordering and shipping
information on page 6 of this data sheet.
NDPL
; VDD
vows
NDPI_D70NIDE
NDPL070N10B
www.onsemi.com
2
ELECTRICAL CHARACTERISTICS at Ta 25C (Note 4)
Parameter Symbol Conditions Value Unit
min typ max
Drain to Source Breakdown Voltage V(BR)DSS I
D=10mA, VGS=0V 100 V
Zero-Gate Voltage Drain Current IDSS V
DS=100V, VGS=0V 10 A
Gate to Source Leakage Current IGSS V
GS=±20V, VDS=0V 100 nA
Gate Threshold Voltage VGS(th) VDS=10V, ID=1mA 2 4 V
Forward Transconductance gFS V
DS=10V, ID=35A 50 S
Static Drain to Source On-State
Resistance
RDS(on)1 ID=35A, VGS=15V 9.0 10.8 m
RDS(on)2 ID=35A, VGS=10V 9.8 12.8 m
Input Capacitance Ciss
VDS=50V, f=1MHz
2,010 pF
Output Capacitance Coss 840 pF
Reverse Transfer Capacitance Crss 21 pF
Turn-ON Delay Time td(on)
See Fig.2
30 ns
Rise Time t
r
180 ns
Turn-OFF Delay Time td(off) 55 ns
Fall Time tf 40 ns
Total Gate Charge Qg
VDS=48V, VGS=10V, ID=70A
26 nC
Gate to Source Charge Qgs 9 nC
Gate to Drain “Miller” Charge Qgd 8 nC
Forward Diode Voltage VSD I
S=70A, VGS=0V 1.1 1.5 V
Reverse Recovery Time t
r
r
See Fig.3
IS=70A, VGS=0V, di/dt=100A/s
95 ns
Reverse Recovery Charge Qr
r
240 nC
Note 4 : Product parametric performance is indicated in the Electrical Characteristics for the listed test conditions, unless otherwise noted.
Product performance may not be indicated by the Electrical Characteristics if operated under different conditions.
Fig.1 Unclamped Inductive Switching Test Circuit Fig.2 Switching Time Test Circuit
Fig.3 Reverse Recovery Time Test Circuit
50
≥50
VD
D
L
10V
0V
NDPL070N10B
G
S
D
VD
D
NDPL070N10B
L
Driver MOSFET
G
S
D
PW= 10s
D.C.≤1%
P.G 50
G
S
D
ID=35A
R
L=1.37
VDD
=
4
8
V
VOUT
VIN
10V
0V
VIN
NDPL070N10
B
Smut Dram 77; Source
Dram Current, 19 7 A
077757277: kmmlunctkuswn) 7 m9
I-uxwml Drum Current, 75 7 A
Gm 777 SuurceVolmgeA'Gg 7 V
In - VGS
74m 7.7a
Smglc 7mm 5mm pulse
Trzsw: \7' 710v
72D 72D D5 //
7cm ‘7 77m
.
an 54/ S m I
/ 3
5n 5 an
E
an E An
2:: 2n
V0574 5V
7
7757777527; 723656789
DrummSuurccVoluge,VD5 7 7777777 Gntem SourceVohnge, v63 7 77 777—777
30 RDs(on) — V55 25 RDs(on) - Tc
577mm pulse 5777ch 7mm
mam 3
E 2n
7 /
E
i q //
a 75 7A“
3 “, «1:5
5 3 , 6’“ «71
o = 7 N ‘ 7v
7/7 2 «9
g a 777 735?“
E i %/ ‘9'
5 E %
E 77' 5
3 E
m w
u
3 5 7 9 77 7: 75 7577 7371 a :0 so an 770 7577 750
Game Sourcc\’ollagc.VGS 7 v (,ascrcmpmmmc 7 "c 7777x777
Is — VSD mm 07557 0055. Crss — VDS
2 7
7 ,
“m Smglcpuhc a F 1M“!
/ v55=ov :5 C15,»
5 2
a 7mm
7 ‘3 7 toss
‘ 5
“7 2 3
7 L A
5 U. mu
3 g 7
a 5
2 9 3
777 g 2
7 U 77:
5 7
a
3 fl
2 2
u7 7
u 772 m ms nu 7n 72 74 75 n 7a 277 an 477 5a 60 m an an
romurdumum Scrum: Volmge,\’37) 7 v 77777:» Dram to Source Voltage, V93 7 7 7777777
V95 — Qg S/WTime — ID
vnszaxv
15 70A
n 5 7 n 75 7a 75 :57)
laul Cute Chalge, (2g 7 mi 77777;:
ngIc, 57w T77nc 7 7.,
Swuh‘
57H, 23 37m 23
Dmm(\manIn 7 A
9 7700
7777277
NDPL070N10B
www.onsemi.com
3
mm SOA PD — Tc
; ”www.0M)
a
2 1977M
“m7 3
< 5="" ‘="" 3="" ‘="" 2="" fl="" 9="" w="" “1="" .-="" 7="" g="" ,5="" g="" opcrmonm="" g="" g:="" 2="" mums="" a="" u="" m="" g="" a="" 7="" lmnled="" banswm="" a="" g="" i="" 2="" %="" e="" ’h="" 5*="" 1="" s="" g'="" ’25“(',="" am="" .="" nglepuls:="" m="" 2="" 1="" 5="" 7m="" 2="" a="" 5="" 7m="" 2="" a="" 5="" 7m="" 25="" 50="" 75="" mo="" ‘25="" 150="" vs="" znn="" 1mm="" \0="" somcc="" wm,="" avds="" 7="" v="" nsz="" (“th="" inpcm|u1c,tc="" 7="" “l="" nmzs="" pd="" —="" ta="" eas="" 7="" ta="" 2;="" we="" g”="" 2.‘="" q="" we="" 20="" g="" a="" e="" as="" e,="" ‘5="" e="" c="" o="" g="" a="" 60="" g="" r:="" e="" 93="" 4a="" 5="" ‘5="" c="" c="" ‘-="" as="" s="" a="" 20="" a="" u="" 25="" 5a="" 75="" mu="" mu="" 150="" vs="" zuu="" ambwm="" l‘empcmml'e.="" 25="" 5a="" 15="" mu="" 125="" mu="" ‘75="" am="" ‘a="" 7="" ’1'="" mm;="" ambienttcmpcra‘urc.ta="" 7="" ‘c="" mmx="" rojc="" 7="" pulse="" time="" m="" 1="" 5="" s="" 3="" 9="" 2="" ‘="" duty="" cyclro="" s="" g="" m="" e="" 7="" x="" 5="" 02="" z="" a="" 0.1="" §="" 2="" e="" m="" r:="" 7="" g="" 5="" £="" 3="" 2="" um="" »="" mm="" 2="" 3="" 57mm="" 2="" 3="" 57mm.="" 2="" a="" 57m="" 2="" a="" s’m="" 2="" 3="" 37‘5="" a="" a="" 57m="" pum="" time,="" pt="" 7="" m="" m="">NDPL070N10B
www.onsemi.com
4
1322‘
(1'7)
10.0an
my
new ‘3,“ n5
7, Km!
172:: 7
30217
\ \mm
05m ' 'rnns
\_/ ,
These dinEnSLQn do nut mums
mm protrus,nn
2.5m? 2.54an
NDPL070N10B
www.onsemi.com
5
PACKAGE DIMENSIONS
unit : mm
1 : Gate
2 : Drain
3 : Source
*1 : Lot indication
CASE 221AU
ISSUE O
TO-220, 3-Lead / TO-220-3L

NDPL070N10B
www.onsemi.com
6
ON Semiconductor and the ON logo are registered trademarks of Semiconductor Components Industries, LLC (SCILLC) or its subsidiaries in the United States
and/or other countries. SCILLC owns the rights to a number of patents, trademarks, copyrights, trade secrets, and other intellectual property. A listing of
SCILLC’s product/patent coverage may be accessed at www.onsemi.com/site/pdf/Patent-Marking.pdf . SCILLC reserves the right to make changes without
further notice to any products herein. SCILLC makes no warranty, representation or guarantee regarding the suitability of its products for any particular purpose,
nor does SCILLC assume any liability arising out of the application or use of any product or circuit, and specifically disclaims any and all liability, including
without limitation special, consequential or incidental damages. “Typical” parameters which may be provided in SCILLC data sheets and/or specifications can
and do vary in different applications and actual performance may vary over time. All operating parameters, including “Typicals” must be validated for each
customer application by customer’s technical experts. SCILLC does not convey any license under its patent rights nor the rights of others. SCILLC products are
not designed, intended, or authorized for use as components in systems intended for surgical implant into the body, or other applications intended to support or
sustain life, or for any other application in which the failure of the SCILLC product could create a situation where personal injury or death may occur. Should
Buyer purchase or use SCILLC products for any such unintended or unauthorized application, Buyer shall indemnify and hold SCILLC and its officers,
employees, subsidiaries, affiliates, and distributors harmless against all claims, costs, damages, and expenses, and reasonable attorney fees arising out of,
directly or indirectly, any claim of personal injury or death associated with such unintended or unauthorized use, even if such claim alleges that SCILLC was
negligent regarding the design or manufacture of the part. SCILLC is an Equal Opportunity/Affirmative Action Employer. This literature is subject toall
applicable copyright laws and is not for resale in any manner.
ORDERING INFORMATION
Device Marking Package Shipping (Qty / Packing)
NDPL070N10BG 070N10
TO-220, 3-Lead / TO-220-3L
(Pb-Free) 50 / Tube
Note on usage : Since the NDPL070N10B is a MOSFET product, please avoid using this device in the vicinity
of highly charged objects.
Products related to this Datasheet
MOSFET N-CH 100V 70A TO220-3