1975047, 4/15
maxim
. ver
Integratedm
GND RXD
lrW TXD
NC POL
VDD VPP
BENEFITS AND FEATURES
• Simplifies the Design of a Low-Cost, Universal
RS-232 COM Port to 1-Wire® Interface
True-Ground
o Interface to an RS-232 COM Port for Reading
and Writing 1-Wire Devices
o Works with Bipolar as well as Unipolar Logic
Signals
o Slew Rate Controlled 1-Wire Pulldown and
Active Pullup to Accommodate Long Lines
and Reduce Radiation
o Communicates at Data Rates of 9.6kbps
(default), 19.2kbps, 57.6kbps, and 115.2kbps
o Self-Calibrating Time Base with ±5%
Tolerance for Serial and 1-Wire
Communication
o User-Selectable RXD/TXD Polarity
Minimizes Component Count When
Interfacing to 5V Based RS232 Systems or
Directly to UARTs
o Smart Protocol Combines Data and Control
Information Without Requiring Extra Pins
o Compatible with Optical, IR, and RF to
RS232 Converters
• Single Product Supports Various iButton® or
1-Wire Device Types for Easy System Integration
o Supports Reading and Writing at Standard
and Overdrive Speeds
o Provides Strong Pullup to 5V for Temperature
and EEPROM 1-Wire Devices
o Programs 1-Wire EPROM Devices with
External 12V Power Supply
o Programmable 1-Wire Timing and Driver
Characteristics Accommodate a Wide Range
of Slave Device Configurations at Standard
Speed
o Operates Over 4.5V to 5.5V from -40°C to
+85°C
PIN ASSIGNMENT
PIN DESCRIPTION
GND - Ground
1-W - 1-Wire Input/Output
NC - No Connection
VDD - 4.5V to 5.5V
VPP - Optional EPROM
Programming Voltage
POL - RXD/TXD Polarity Select
TXD - Serial Data from UART
RXD - Serial Data to UART
ORDERING INFORMATION
PART
TEMP
RANGE
PIN-
PACKAGE
DS2480B+
-40°C to +85°C
8 SO
DS2480B+T&R
-40°C to +85°C
8 SO
+ Denotes a lead(Pb)-free/RoHS-compliant package.
T&R = Tape and reel.
DESCRIPTION
The DS2480B is a serial port to 1-Wire interface chip that supports standard and overdrive speeds. It con-
nects directly to UARTs and 5V RS232 systems. Interfacing to RS232C (±12V levels) requires a passive
clamping circuit and one 5V to ±12V level translator. Internal timers relieve the host of the burden of
generating the time-critical 1-Wire communication waveforms. In contrast to the DS9097(E) where a full
character must be sent by the host for each 1-Wire time slot, the DS2480B can translate each character
DS2480B
Serial to 1-Wire Line
Driver
19-5047; 4/15
1
2
3
4
8
7
6
5
GND
1-W
NC
VDD
RXD
TXD
POL
VPP
8-Pin SO (150 mil)
1-Wire and iButton are registered trademarks of
Maxim Integrated Products, Inc.
Maxim Integrated 1
Vr-r-
DD
DS2480B
into eight 1-Wire time slots, thereby increasing the data throughput significantly. In addition, the
DS2480B can be set to communicate at four different data rates, including 115.2kbps, 57.6kbps, and
19.2kbps, with 9.6kbps being the power-on default. Command codes received from the host’s crystal
controlled UART serve as a reference to continuously calibrate the on-chip timing generator. The
DS2480B uses a unique protocol that merges data and control information without requiring control pins.
This approach maintains compatibility to off-the-shelf serial to wireless converters, allowing easy
realization of 1-Wire media jumpers. The various control functions of the DS2480B are optimized for 1-
Wire networks and support the special needs of all current 1-Wire devices including EPROM-based add-
only memories, EEPROM devices, and 1-Wire thermometers. See Application Note 192: Using the
DS2480B Serial 1-Wire Driver for detailed software examples.
DETAILED PIN DESCRIPTION
PIN
SYMBOL
DESCRIPTION
1
GND
Ground Pin. Common ground reference and ground return for 1-Wire bus
2 1-W
1-Wire Input/Output Pin. 1-Wire bus with slew-rate-controlled pulldown,
active pullup, ability to switch in VPP to program EPROM, and ability to switch
in VDD through a low-
impedance path to program EEPROM, or perform a
temperature conversion.
3
N.C.
No Connection
4 VDD
Power Input Pin. Power supply for the chip and 1-Wire pullup voltage, 5V
±10%, must always be lower than or equal to VPP. VDD should be derived from
VPP by a separate voltage regulator whenever possible.
5 VPP
EPROM Programming Voltage. 12V supply input for EPROM programming.
If EPROM programming is not required, connect this pin directly to the system’s
5V supply.
6 POL
RXD/TXD Polarity Select. RXD/TXD polarity select; tied to GND for RS232
(12V or 5V) connection; tied to VDD
for direct connection to UART chip.
7 TXD
Serial Data from UART. Data input from host (inverted or true); maximum
voltage swing -0.3V to VDD
+ 0.3V; for logic thresholds see DC specifications.
8 RXD
Serial Data to UART. Signal output to host; push-pull driver with CMOS
compatible levels; for true ±12V RS232 systems an external level translator must
be provided.
OVERVIEW
The DS2480B directly interfaces a 5V serial communication port with its lines TXD (transmit) and RXD
(receive) to a 1-Wire bus. In addition the device performs a speed conversion allowing the data rate at the
communication port to be different from the 1-Wire data rate. Several parameters relating to the 1-Wire
port and its timing as well as the communication speed at both the port and the 1-Wire bus are
configurable. The circuit to achieve these functions is outlined in the block diagram (see Figure 1).
The device gets its input data from the serial communication port of the host computer through pin TXD.
For compatibility with active-high as well as active-low systems, the incoming signal can be inverted by
means of the polarity input POL. The polarity chosen by hard-wiring the logic level of this pin is also
valid for the output pin RXD. If for minimizing the interface hardware an asymmetry between RXD and
TXD is desired, this can be achieved by setting the most significant bit of the speed control parameter to a
1 (see Configuration Parameter Value Codes). With the MS bit of the speed control set to 1, the polarity
at TXD is still selected by the logic level at POL, but the polarity at RXD will be the opposite of what the
logic level at POL specifies.
Maxim Integrated ............................................................................................................................................................................................. 2
MS BIT OF SPEED CONTRQ.
(;— e ( m .5 mo,
MUX V”
CONFleufiAYION
REGISTER
Paarocm v—wma
coNvEmER nmvsn
_ PROYOOOL _, "MING
ANALYZER GENERAYOH
DS2480B
As data enters the core of the DS2480B’s logic circuitry, it is analyzed to separate data and command
bytes and to calibrate the device’s timing generator. The timing generator controls all speed relations of
the communication interface and the 1-Wire bus as well as the waveforms on the 1-Wire bus.
Command bytes either affect the configuration setting or generate certain waveforms on the 1-Wire bus.
Data bytes are simply translated by the protocol converter into the appropriate 1-Wire activities. Each
data byte generates a return byte from the 1-Wire bus that is communicated back to the host through the
RXD pin as soon as the activity on the 1-Wire bus is completed.
The 1-Wire driver shapes the slopes of the 1-Wire waveforms, applies programming pulses or strong
pullup to 5V and reads the 1-Wire bus using a non-TTL threshold to maximize the noise margin for best
performance on large 1-Wire networks.
Figure 1. DS2480B BLOCK DIAGRAM
DEVICE OPERATION
The DS2480B can be described as a complex state machine with two static and several dynamic states.
Two device-internal flags as well as functions assigned to certain bit positions in the command codes
determine the behavior of the chip, as shown in the state transition diagram (Figure 2). The DS2480B
requires and generates a communication protocol of 8 data bits per character, 1 stop bit and no parity. It is
permissible to use 2 stop bits on the TXD line. However, the DS2480B only asserts a single stop bit on
RXD.
When powering up, the DS2480B performs a master reset cycle and enters the Command Mode, which is one of the two
static states. The device now expects to receive one 1-Wire reset command on the TXD line sent by the host at a data rate of
9600bps (see Communication Commands section for details). This command byte is required solely for calibration of the baud
rate timing generator the DS2480B and is not translated into any activity on the 1-Wire bus. After this first command byte the
device is ready to receive and execute any command as described later in this document. NOTE: Baud rate calibration is valid
only for the VDD operating voltage at which calibration is performed. Post-calibration changes in VDD by more than 5% may
cause calibration error to exceed ±5%. The DS2480B requires a 1-Wire reset command sent by the host at a data rate of
9600bps for calibration. Data rates of 115200bps or higher during calibration may put the DS2480B in an undefined state,
requiring a power-down reset to restore normal operation.
Maxim Integrated ............................................................................................................................................................................................. 3
SOFTWARE Tx
msnzn RESET
noxssm
SINGLE an
FUNCTION
movssm
5m, PULHJP
ARMED
GENERAYE swans
PULLAJP 10 5V
anoK SEARCH
AccELEswoa m
PERFORM SEARCH
SEQUENCE
5m PULL-UP No7 ARMED
ALL OTHER
coves
Mo = UNCONDITXONAL
DS2480B
Figure 2. STATE TRANSITION DIAGRAM
LEGEND: V BINARY VALUE (TYPE OF WRITE TIME SLOT)
SS 1-WIRE SPEED SELECTION CODE
P IF LOGIC 1, GENERATES STRONG PULLUP TO 5V IMMEDIATELY FOLLOWING THE
TIME SLOT
T TYPE OF PULSE; 0 = STRONG PULLUP (5V), 1 = PROGRAMMING PULSE (12V)
Q 1 = ARM STRONG PULLUP AFTER EVERY BYTE; 0 = DISARM
H SEARCH ACCELERATOR CONTROL; 1 = ACCELERATOR ON, 0 = ACCELERATOR OFF
ZZZ CONFIGURATION PARAMETER CODE (WRITE), 000 = READ CONFIGURATION
PARAMETER
VVV CONFIGURATION PARAMETER VALUE CODE (WRITE), CONFIGURATION PARAMETER
CODE (READ)
X DON’T CARE
Maxim Integrated ............................................................................................................................................................................................. 4

DS2480B
A master reset cycle can also be generated by means of software. This may be necessary if the host for
any reason has lost synchronization with the device. The DS2480B will perform a master reset cycle
equivalent to the power-on reset if it detects start polarity in place of the stop bit. The host has several
options to generate this condition. These include making the UART generate a break signal, sending a
NULL character at a data rate of 4800bps and sending any character with parity enabled and selecting
space polarity for the parity bit. As with the power-on reset, the DS2480B requires a 1-Wire reset
command sent by the host at a data rate of 9600bps for calibration.
After the DS2480B has reached the Command Mode, the host can send commands such as 1-Wire Reset,
Pulse, Configuration, Search Accelerator, and Single Bit functions or switch over to the second static
state called Data Mode. In Data Mode the DS2480B simply converts bytes it receives at the TXD pin
into their equivalent 1-Wire waveforms and reports the results back to the host through the RXD pin. If
the Search Accelerator is on, each byte seen at TXD will generate a 12-bit sequence on the 1-Wire bus
(see Search Accelerator section for details). If the strong pullup to 5V is enabled (see Pulse Command),
each byte on the 1-Wire bus will be followed by a pause of predefined duration where the bus is pulled to
5V via a low-impedance transistor in the 1-Wire driver circuit.
While being in the Data Mode the DS2480B checks each byte received from the host for the reserved
code that is used to switch back to Command Mode. To be able to write any possible code (including the
reserved one) to the 1-Wire bus, the transition to the Command Mode is as follows: After having received
the code for switching to Command Mode, the device temporarily enters the Check Mode where it waits
for the next byte. If both bytes are the same, the byte is sent once to the 1-Wire bus and the device returns
to the Data Mode. If the second byte is different from the reserved code, it will be executed as command
and the device finally enters the Command Mode. As a consequence, if the reserved code that normally
switches to Command Mode is to be written to the 1-Wire bus, this code byte must be sent twice
(duplicated). This detail must be considered carefully when developing software drivers for the
DS2480B.
After having completed a memory function with a device on the 1-Wire bus it is recommended to issue a
Reset Pulse. This means that the DS2480B has to be switched to Command Mode. The host then sends
the appropriate command code and continues performing other tasks. If during this time a device arrives
at the 1-Wire bus it will generate a presence pulse. The DS2480B will recognize this unsolicited presence
pulse and notify the host by sending a byte such as XXXXXX01b. The Xs represent undefined bit values.
The fact that the host receives the byte unsolicited together with the pattern 01b in the least significant 2
bits marks the bus arrival. If the DS2480B is left in Data Mode after completing a memory function
command it will not report any bus arrival to the host.
COMMAND CODE OVERVIEW
The DS2480B is controlled by a variety of commands. All command codes are 8 bits long. The most
significant bit of each command code distinguishes between communication and configuration
commands. Configuration commands access the configuration registers. They can write or read any of the
configurable parameters. Communication commands use data of the configuration register in order to
generate activity on the 1-Wire bus and/or (dis)arm the strong pullup after every byte or (de)activate the
Search Accelerator without generating activity on the 1-Wire bus. Details on the command codes are
included in the State Transition diagram (Figure 2). A full explanation is given in the subsequent
Communication Commands and Configuration Commands sections.
Maxim Integrated ............................................................................................................................................................................................. 5

DS2480B
In addition to the command codes explained in the subsequent sections the DS2480B understands the
following reserved command codes:
E1h switch to Data Mode
E3h switch to Command Mode
F1h pulse termination
Except for these reserved commands, the Search Accelerator control and the first byte after power-on
reset or master reset cycle, every legal command byte generates a response byte. The pulse termination
code triggers the response byte of the terminated pulse command. Illegal command bytes do not generate
a command response byte.
COMMUNICATION COMMANDS
The DS2480B supports four communication function commands: Reset, Single Bit, Pulse, and Search
Accelerator control. Details on the assignment of each bit of the command codes are shown in Table 1.
The corresponding command response bytes are detailed in Table 2. The Reset, Search Accelerator
Control and Single Bit commands include bits to select the 1-Wire communication speed (standard,
flexible, Overdrive). Even if a command does not generate activity on the 1-Wire bus, these bits are
latched inside the device and will take effect immediately.
Reset
The Reset command must be used to begin all 1-Wire communication. The speed selection included in
the command code immediately takes effect. The response byte includes a code for the reaction on the
1-Wire bus (bits 0 and 1) and a code for the chip revision (bits 2 to 4).
Single Bit
The Single Bit command is used to generate a single time slot on the 1-Wire bus at the speed indicated by
bits 2 and 3. The type of the time slot (Write-0 or Write-1) is determined by the logic value of bit 4. A
Read Data time slot is identical to the Write-1 time slot. Bits 0 and 1 of the response byte transmitted by
the DS2480B at the end of the time slot reveal the value found on the 1-Wire bus when reading.
For a time slot without a subsequent strong pullup, bit 1 of the command must be set to 0. For a time slot
immediately followed by a strong pullup bit 1 must be set to 1. As soon as the strong pullup is over, the
device will send a second response byte, code EFh (read 1) or ECh (read 0), depending on the value
found on the 1-Wire bus when reading.
Maxim Integrated ............................................................................................................................................................................................. 6

DS2480B
Table 1. COMMUNICATION COMMAND CODES
FUNCTION BIT 7 BIT 6 BIT 5 BIT 4 BIT 3, BIT 2 BIT 1
BIT
0
Single Bit 1 0 0 0 = write 0
1 = write 1
00 reg. speed
01 flex. speed
10 OD. speed
11 reg. speed
See Text 1
Search
Accelerator
Control 1 0 1 0 = accelerator off
1 = accelerator on
See Text
00 reg. speed
01 flex. speed
10 OD. speed
11 reg. speed
0 1
Reset 1 1 0 (don’t care)
00 reg. speed
01 flex. speed
10 OD. speed
11 reg. speed
0 1
Pulse 1 1 1
0 = 5V strong pullup
1 = 12V prog. pulse
11 pulse See Text 1
Table 2. COMMUNICATION COMMAND RESPONSE
FUNCTION
BIT 7
BIT 6
BIT 5
BIT 4
BIT 3
BIT 2
BIT 1
BIT 0
Single Bit 1 0 0 same as sent
1-Wire read back,
both bits same value
Reset 1 1 X 0 1 1
00 = 1-Wire shorted
01 = presence pulse
10 = alarming presence
pulse
11 = no presence pulse
Pulse
1
1
1
same as sent
undefined
X: This bit is reserved and undefined. In previous data sheet versions this bit was used to indicate that a
programming voltage was present.
Search Accelerator Control
The Search Accelerator Control command is used to set or reset the Search Accelerator control flag. Bit 4
of the command code contains the state to which the accelerator control flag is to be set. If the flag is set
to a 1 (on) the device translates every byte received in Data Mode into a 12-bit sequence on the 1-Wire
bus. For details on how the Search Accelerator works please refer to the section Search Accelerator
Operation. Before activating the Search Accelerator, one must make sure that the strong pullup after
every byte is disarmed (see Pulse Command). The Search Accelerator command does not generate a
command response byte.
Although the Search Accelerator Control command itself does not generate any 1-Wire activity, it can be
used to select the communication speed on the 1-Wire bus. The speed selection (if different from the
previous setting, e.g., from a Reset command) will take effect immediately.
Pulse
The Pulse command serves several functions that are selected by the contents of bit 1 and bit 4 of the
command code. The main functions are generating a strong pullup to 5V and generating 12V
programming pulses for EPROM devices (if the 12V are available at the VPP pin). The secondary function
Maxim Integrated ............................................................................................................................................................................................. 7

DS2480B
of the pulse command is arming and disarming a strong pullup after every subsequent byte in Data Mode.
The arm/disarm function is controlled by bit 1 of the command code. Bit 4 determines whether the device
will generate a strong pullup to 5V or a 12V programming pulse. The table below summarizes these
options.
BIT 4
BIT 1
FUNCTION
0
0
Strong pullup to 5V and disarm
1
0
12V programming pulse and disarm
0
1
Strong pullup to 5V and arm
1
1
12V programming pulse and arm
The strong pullup to 5V is required to program EEPROM devices or to operate special function devices
that require a higher current for a limited time after having received a “go and convert” command.
Therefore, and because it significantly reduces the effective data throughput on the 1-Wire bus, the strong
pullup is disarmed most of the time. Although arming or disarming is simultaneously possible while
generating a programming pulse, this is not recommended since it is likely to destroy the DS2480B if
non-EPROM devices are connected to the 1-Wire bus.
The duration of the strong pullup or programming pulse is determined by configuration parameters and
ranges from a few microseconds up to unlimited (see Configuration Commands section). However,
unlimited duration is not allowed in conjunction with arming the strong pullup after every byte. As long
as the DS2480B is in Command Mode the host may terminate a strong pullup or programming pulse
prematurely at any time by sending the command code F1h.
The response byte is generated as soon as the strong pullup or programming pulse is over (either because
the predefined time has elapsed, the high current demand is over, or due to termination by the host). The
response byte mainly returns the command code as sent by the host, but the 2 least significant bits are
undefined.
If the strong pullup is armed and the device is in Data Mode, the end of the strong pullup will be signaled
as code F6h if the most significant bit of the preceding data byte on the 1-Wire bus is a 1 and 76h
otherwise. The host will see this response byte in addition to the response on the data byte sent (see also
Waveforms section later in this document).
SEARCH ACCELERATOR INTRODUCTION
The Search Accelerator is a logic block inside the DS2480B that allows using the Search ROM function
very efficiently under modern operating systems. Without the DS2480B all 1-Wire port adapters have to
involve the computer’s CPU for every single time slot or pulse to be generated on the 1-Wire bus.
Under some operating systems it may take several milliseconds or more to get the first time slot generated
on the 1-Wire bus when sending commands to the UART. Every subsequent time slot will be generated
in much less time, since the computer simply sends out “streams”—a long chain of bytes. This works
reasonably well when reading or writing large blocks of data.
Searching the 1-Wire bus to identify all ROM IDs of the devices connected, however, requires reading 2
bits, making a decision and then writing a bit. This procedure is to be repeated 64 times to identify and
address a single device. With the overhead of modern operating systems this fairly simple process takes a
lot of time, reducing the discovery rate of devices on the 1-Wire bus. To solve this problem the Search
Accelerator was developed.
Maxim Integrated ............................................................................................................................................................................................. 8
1’3
1’2
1’1
To
0
Tm
m
T52
oz
Tm
no
DS2480B
During the execution of the Search ROM function, the Search Accelerator receives from the host
information on the preferred path to choose as one contiguous chain of bytes and then translates it into the
appropriate time slots on the 1-Wire bus. In addition, the Search Accelerator reports back to the host the
ROM ID of the device actually addressed and the bit positions in which conflicts were found. (If the
ROM ID of one device has a 0 in a bit position where another device has a 1, this is called a “conflict” on
the electrical level and “discrepancy” on the logical level. See Application Note 187 for a more detailed
discussion of the Search ROM.) This helps the host to select the preferred path for the next Search ROM
activity.
Since the ROM ID of all 1-Wire/iButton devices is 64 bits long and a conflict may occur in any of these
bits, the total length of data reported to the host is 128 bits or 16 bytes. To avoid data overrun (if the CPU
sends data faster than it can be processed) the protocol for the Search Accelerator operation was defined
so that one has to send as many bytes as one will receive. This way the CPU sends 16 bytes for each path
and the UART guarantees the correct data timing and frees the CPU for other tasks while the DS2480B
performs a Search ROM function.
SEARCH ACCELERATOR OPERATION
After the Search Accelerator is activated and the Data Mode is selected, the host must send 16 bytes to
complete a single Search ROM pass on the 1-Wire bus. These bytes are constructed as follows:
first byte
7
6
5
4
3
2
1
0
r3
x3
r2
x2
r1
x1
r0
x0
et cetera
16th byte
7
6
5
4
3
2
1
0
r63
x63
r62
x62
r61
x61
r60
x60
In this scheme, the index (values from 0 to 63, “n”) designates the position of the bit in the ROM ID of a
1-Wire/iButton device. The character “x” marks bits that act as filler and do not require a specific value
(“don’t care” bits). The character “r” marks the path to go at that particular bit in case of a conflict during
the execution of the ROM Search.
For each bit position n (values from 0 to 63) the DS2480B will generate three time slots on the 1-Wire
bus. These are referenced as:
b0 for the first time slot (Read Data)
b1 for the second time slot (Read Data) and
b2 for the third time slot (Write Data).
Maxim Integrated ............................................................................................................................................................................................. 9
1’3
T2
l’ 1
To
0
I’m
m
1’52
oz
Tm
I'm
no
DS2480B
The type of time slot b2 (write 1 or write 0) is determined by the DS2480B as follows:
b2 = rn if conflict (as chosen by the host)
= b0 if no conflict (there is no alternative)
= 1 if error (there is no response)
The response the host will receive during a complete pass through a Search ROM function using the
Search Accelerator consists of 16 bytes as follows:
first byte
7
6
5
4
3
2
1
0
r’3
d3
r’2
d2
r’1
d1
r’0
d0
et cetera
16th byte
7
6
5
4
3
2
1
0
r’63
d63
r’62
d62
r’61
d61
r’60
d60
As before, the index (values from 0 to 63, “n”) designates the position of the bit in the ROM ID of a
1-Wire/iButton device. The character “d” marks the discrepancy flag in that particular bit position. The
discrepancy flag will be 1 if there is a conflict, or no response in that particular bit position, and 0
otherwise. The character “r” marks the actually chosen path at that particular bit position. The chosen
path is identical to b2 for the particular bit position of the ROM ID.
To perform a Search ROM sequence one starts with all bits rn being 0s. In case of a bus error, all
subsequent response bits r’n are 1s until the Search Accelerator is deactivated. Thus, if r’63 and d63 are both
1, an error has occurred during the search procedure and the last sequence has to be repeated. Otherwise
r’n (n = 0 ... 63) is the ROM code of the device that has been found and addressed.
For the next Search ROM sequence one reuses the previous set rn (n = 0 ... 63) but sets rm to 1 with “m”
being the index number of the highest discrepancy flag (that is, 1) and sets all ri to 0 with i > m. This
process is repeated until the highest discrepancy occurs in the same bit position for two consecutive
passes.
The table below shows an example for the communication between host and DS2480B to perform one
pass through the Search ROM function using the Search Accelerator. After a device has been identified
and addressed, a memory function (not specified here) is executed and finally a reset pulse is generated.
This example assumes that the DS2480B was in Command Mode and that standard 1-Wire speed is used.
Maxim Integrated ........................................................................................................................................................................................... 10

DS2480B
Search Accelerator Usage Example
Action Sequence
Host TX
Host RX
Generate Reset Pulse
C1
CD or ED
Set Data Mode
E1
(nothing)
Search ROM command
F0
(as sent)
Set Command Mode
E3
(nothing)
Search Accelerator On
B1
(nothing)
Set Data Mode
E1
(nothing)
Send 16 bytes
data
(response)
Set Command Mode
E3
(nothing)
Search Accelerator Off
A1
(nothing)
Set Data Mode
E1
(nothing)
Do Memory Function
Set Command Mode
E3
(nothing)
Generate Reset Pulse
C1
CD or ED
CONFIGURATION COMMANDS
The DS2480B is designed to be configurable for the varying requirements of its application. When the
device powers up and/or performs a master reset cycle, the hard-wired default configuration settings take
effect. These settings will work on a short 1-Wire bus and assume standard 1-Wire communication speed.
To change these default settings and to verify the current settings, the logic of the DS2480B supports
configuration commands. A summary of the available configuration parameters, their default settings at
standard and Overdrive speed and their applicability is shown in Table 3.
Parameters not related to the communication speed on the 1-Wire bus specify the duration of the 12V
programming pulse, the duration of the strong pullup to 5V, and the baud rate on the interface that
connects the DS2480B to the host. The remaining three parameters are used to modify the 1-Wire
communication waveforms if one selects “Flexible Speed” (see Communication Commands for speed
selection).
Flexible speed is implemented to improve the performance of large 1-Wire Networks. This is
accomplished by:
limiting the slew rate on falling edges (e. g., at the beginning of time slots, to reduce ringing),
extending the Write-1 low time (allows the current flow through the network to end slowly, to prevent
voltage spikes from inductive kickback),
delaying the time point when reading a bit from the 1-Wire bus (gives the network more time to
stabilize, to get a higher voltage margin) and
adding extra recovery time between Write-0 time slots (allows more energy transfer through the
network, to replenish the parasite power supply of the devices on the bus).
The latter two functions are controlled by a single parameter. Taking advantage of flexible speed requires
changing one or more of these parameters from their default values. Otherwise the waveforms will be
identical to those at standard speed.
Each configuration parameter is identified by its 3-bit parameter code and can be programmed for one of
a maximum eight different values using a 3-bit value code. A matrix of parameter codes and value codes
with the associated physical values in shown in Table 4.
Maxim Integrated ........................................................................................................................................................................................... 11
\‘ \‘ v
\c
‘ ‘ ,
\‘ \‘ v
DS2480B
Table 3. CONFIGURATION PARAMETER OVERVIEW
Parameter
Description
Configurable at
Default
Par. Code
Standard
Flexible
Overdrive
Reg./Flex.
Overdrive
Pulldown Slew Rate
Control
001 √ 15V/µs 15V/µs
Programming Pulse
Duration
010 √ √ √ 512µs 512µs
Strong Pullup Duration
011
√
√
√
524ms
524ms
Write-1 Low Time
100
√
8µs
1µs
Data Sample Offset and
Write 0 Recovery Time
101 √
3µs
3µs
1µs
3µs
RS232 Baud Rate
111
√
√
√
9.6kbps
9.6kbps
The numbers given for parameter 001 (Pulldown Slew Rate Control) are nominal values. They may vary
to some extent and are almost independent of the load on the 1-Wire bus. Information on how to select
the optimum value of this parameter is given in the Controlled Edges section .
For the parameters 010 (Programming Pulse Duration) and 011 (Strong Pullup Duration) one may select
indefinite duration. This value, however, should only be selected if one is not going to switch the device
to Data Mode. As long as the device stays in Command Mode, any pulse function (programming or
strong pullup) that uses one of these parameters can be terminated by sending the command code F1h.
Termination is not possible if the device is in Data Mode.
Parameter 111 (RS232 Baud Rate) has two functions. It selects the baud rate and allows inversion of the
signal at the RXD pin. Using one of the value codes 100 to 111 will set the polarity at RXD to the
opposite of what is defined by the logic level at the POL pin (asymmetry bit, see Figure 1). This may
reduce the component count in some applications of the device. Note that when changing the baud rate,
the DS2480B will send the command response byte at the new data rate.
A short explanation on the use of parameters 100 (Write-1 Low Time) and 101 (Data Sample
Offset/Write-0 Recovery Time) is given in the Timing Diagrams section later in this document.
Maxim Integrated ........................................................................................................................................................................................... 12
DS2480B
Table 4. CONFIGURATION PARAMETER VALUE CODES
Value Codes
Parameter Code
000
001
010
011
100
101
110
111
Unit
001 (PDSRC)
15
2.2
1.65
1.37
1.1
0.83
0.7
0.55
V/µs
010 (PPD)
32
64
128
256
512
1024
2048
∞
µs
011 (SPUD)
16.4
65.5
131
262
524
1048
Note
∞
ms
100 (W1LT)
8
9
10
11
12
13
14
15
µs
101 (DSO/W0RT)
3
4
5
6
7
8
9
10
µs
110 (LOAD)
1.8
2.1
2.4
2.7
3.0
3.3
3.6
3.9
mA
111 (RBR)
9.6
19.2
57.6
115.2
9.6
19.2
57.6
115.2
kbps
Note: The value code 110 of parameter 011 (Strong Pullup Duration) must not be used since it could
cause unexpected results.
The syntax of configuration commands is very simple. Each 8-bit code word contains a 3-bit parameter
code to specify the parameter and the 3-bit value code to be selected. Bit 7 of the command code is set to
0 and bit 0 is always a 1. To read the value code of a parameter, one writes all 0s for the parameter code
and puts the parameter code in place of the parameter value code. Table 5 shows the details.
The configuration command response byte is similar to the command byte itself. Bit 0 of the response
byte is always 0. When writing a parameter, the upper 7 bits are the echo of the command code. When
reading a parameter, the current value code is returned in bit positions 1 to 3 with the upper 4 bits being
the same as sent (see Table 6).
Table 5. CONFIGURATION COMMAND CODES
FUNCTION
BIT 7
BIT 6
BIT 5
BIT 4
BIT 3
BIT 2
BIT 1
BIT 0
Write Parameter
0
parameter code
parameter value code
1
Read Parameter
0
0
0
0
parameter code
1
Table 6. CONFIGURATION COMMAND RESPONSE BYTE
FUNCTION
BIT 7
BIT 6
BIT 5
BIT 4
BIT 3
BIT 2
BIT 1
BIT 0
Write Parameter
0
same as sent
same as sent
0
Read Parameter
0
same as sent
parameter value code
0
Maxim Integrated ........................................................................................................................................................................................... 13
5V
Vuwo
VIAPo
mum—u ‘—
_7_
0V
I-WIRE BUS
IS DISCHARGED
+
DS2480B
CONTROLLED EDGES
One of the tasks of the DS2480B is to actively shape the edges of the 1-Wire communication waveforms.
This speeds up the recharging of the 1-Wire bus (rising edges) and reduces ringing of long lines (falling
edges). The circuitry for shaping rising edges is always on. The slew rate of falling edges is actively
controlled only at flexible speed and requires the parameter for slew rate control being different from its
power-on default value.
All Rising Edges
The active pullup of the rising edges reduces the rise time on the 1-Wire bus significantly compared to a
simple resistive pullup. Figure 4 shows how the DS2480B is involved in shaping a rising edge.
Figure 4. ACTIVE PULLUP
The circuit operates as follows: At t1 the pulldown (induced by the DS2480B or a device on the bus) ends.
From this point on the 1-Wire bus is pulled high by the weak pullup current IWEAKPU provided by the
DS2480B. The slope is determined by the load on the bus and the value of the pullup current. At t2 the
voltage crosses the threshold voltage VIAPO. Now the DS2480B switches over from the weak pullup
current IWEAKPU to the higher current IACTPU. As a consequence, the voltage on the bus now rises faster. As
the voltage on the bus crosses the threshold VIAPTO at t3, a timer is started. As long as this timer is on
(tAPUOT), the IACTPU current will continue to flow. After the timer is expired, the DS2480B will switch
back to the weak pullup current. Excessive noise on the 1-Wire line at the VIAPTO level can cause an
undesirable trip of the active pullup. External R-C filtering as discussed in the HARDWARE
APPLICATION EXAMPLES section and Application Note 148 should be used to prevent false triggering.
Maxim Integrated ........................................................................................................................................................................................... 14
mace-r son
‘F LONG LINES:
5v 4 1 0.5 us
Low SLEW RATE
+
HIGH saw RATE /' /
\\\
0V
I-WIRE BUS WEAK PULL—UP ENDS.
Is FULLED UF 1‘ PULL—DOWN BEGINS
DS2480B
Falling Edges (DS2480B-initiated)
Whenever the DS2480B begins pulling the 1-Wire bus low to initiate a time slot, for example, it first
turns off the weak pullup current IWEAKPU. Then, at standard and Overdrive speeds it will generate a
falling edge at a slew rate of typically 15V/µs. This value is acceptable for short 1-Wire busses and
adequate for communication at Overdrive speed. For 1-Wire networks of more than roughly 30m length
one should always use flexible speed. One of the parameters that is adjustable at flexible speed is the slew
rate of DS2480B-initiated falling edges. The effect of the slew rate control is shown in Figure 5.
Figure 5. SLEW RATE CONTROL
As extensive tests have shown, 1-Wire networks at a length of up to 300m will perform best if the fall
time tF is in the range of 4 ± 0.5µs. This translates into a slew rate of approximately 1V/µs. This slew rate
is typically achieved by setting the configuration parameter 001 (Pulldown Slew Rate Control) to a value
of 100 (see Table 4). If the actual measured fall time is longer than the target value, one should use a
value code of 011 or lower. If the fall time is shorter, one should use a value code of 101 or higher.
Once determined, the value code for the Pulldown Slew Rate Control parameter should be stored in the
host and always be loaded into the DS2480B after a power-on or master reset cycle.
TIMING DIAGRAMS
This section explains the waveforms generated by the DS2480B on the 1-Wire bus in detail. First the
communication waveforms such as the Reset/Presence Detect Sequence and the time slots are discussed.
After that follows a detailed description of the pulse function under various conditions.
Maxim Integrated ........................................................................................................................................................................................... 15
.—._ RESET/PRESENCE SEQUENCE _-—»
IDLE
Insu 1mm “ME
5V
I
UNCONTROLLED ”.555ng
FALLING EDGE —
0v §
tmr tru. TIME
[5. —> SLOT
PRESENCE TESTING
TES'YXNG FOR SHOH1 AND/0R INTERRUP'T
leTL tsI tFILL
DS2480B
1-WIRE COMMUNICATION WAVEFORMS
One of the major features of the DS2480B is that it relieves the host from generating the timing of the
1-Wire signals and sampling the 1-Wire bus at the appropriate times. How this is done for the
reset/presence detect sequence is shown in Figure 6a. This sequence is composed of four timing
segments: the reset low time tRSTL, the short/interrupt sampling offset tSI, the presence detect sampling
offset tPDT and a delay time tFILL. The timing segments tSI, tPDT and tFILL comprise the reset high time tRSTH
where 1-Wire slave devices assert their presence or interrupt pulse. During this time the DS2480B pulls
the 1-Wire bus high with its weak pullup current.
The values of all timing segments for all 1-Wire speed options are shown in the table. Since the
reset/presence sequence is slow compared to the time slots, the values for standard and flexible speed are
the same. Except for the falling edge of the presence pulse all edges are controlled by the DS2480B. The
shape of the uncontrolled falling edge is determined by the capacitance of the 1-Wire bus and the number,
speed and sink capability of the slave devices connected.
Figure 6a. RESET/PRESENCE DETECT
Speed
tRSTL
tSI
tPDT
tFILL
tRSTH
Standard
512µs
8µs
64µs
512µs
584µs
Overdrive
64µs
2µs
8µs
64µs
74µs
Flexible
512µs
8µs
64µs
512µs
584µs
After having received the command code for generating a reset/presence sequence, the DS2480B pulls
the 1-Wire bus low for tRSTL and then lets it go back to 5V. The DS2480B will now wait for the
short/interrupt sampling offset tSI to expire and then test the voltage on the 1-Wire bus to determine if
there is a short or an interrupt signal. If there is no short or interrupt (as shown in the picture), the
DS2480B will wait for tPDT and test the voltage on the 1-Wire bus for a presence pulse. Regardless of the
result of the presence test, the DS2480B will then wait for tFILL to expire and then send the command
response byte to the host.
If the test for interrupt or short reveals a logic 0, the DS2480B will wait for 4096µs and then test the
1-Wire bus again. If a logic 0 is detected, the 1-Wire bus is shorted and a command response byte with
the code for SHORT will be sent immediately. If a logic 1 is detected, the device will wait for tFILL to
expire, after which it will send the command response byte with the code for an alarming presence pulse.
No additional testing for a presence pulse will be done. The DS2480B will perform the short/interrupt
testing as described also at Overdrive speed, although interrupt signaling is only defined for standard
speed.
The idle time following the Reset/Presence Detect sequence depends on the serial communication speed
and the host’s response time.
Maxim Integrated ........................................................................................................................................................................................... 16
5v
IDLE
.— m2 sz DURAT‘DNlnoI —> TIME
ov
‘mem
‘um
mama
Men
vs
5v
.— TIME swr numHON am —
nu
was
mm
‘ano
ham,
NEXT
ts.
DS2480B
A Write-1 and Read Data time slot is comprised of the segments tLOW1, tDSO and tHIGH. During Write-1
time slots, after the Write-1 low time tLOW1 is over, the DS2480B waits for the duration of the data sample
offset and then samples the voltage at the 1-Wire bus to read the response. After this, the waiting time
tHIGH1 must expire before the time slot is complete. A Write-0 time slot only consists of the two segments
tLOW0 and tREC0.
If the network is large or heavily loaded, one should select flexible speed and extend tLOW1 to more than
8µs to allow the 1-Wire bus to completely discharge. Since a large or heavily loaded network needs more
time to recharge, it is also recommended to delay sampling the bus for reading. A higher value for tDSO
will increase the voltage margin and also provide extra energy to the slave devices when generating a
long series of write 0 time slots. However, the total of tLOW1 + tDSO should not exceed 22µs*. Otherwise
the slave device responding may have stopped pulling the bus low when transmitting a logic 0.
The idle time between time slots within a byte or during a 12-bit sequence while the Search Accelerator is
on is 0. Between bytes, 12-bit search sequences and single bits the idle time depends on the RS232 data
rate and the host’s response time. The response byte is sent to the host as soon as the last time slot of a
byte, 12-bit sequence or the command is completed.
Figure 6b. WRITE-1 AND READ DATA TIME SLOT
Speed
tLOW1
tDSO
tHIGH1
tSLOT*
Standard
8µs
3µs
49µs
60µs
Overdrive
1µs
1µs
8µs
10µs
Flexible
8µs to 15µs
3µs to 10µs
49µs
60µs to 74µs
Figure 6c. WRITE-0 TIME SLOT
Speed
tLOW0
tREC0
tSLOT*
Standard
57µs
3µs
60µs
Overdrive
7µs
3µs
10µs
Flexible
57µs
3µs to 10µs
60µs to 67µs
*In a 5V environment (±1V, full temperature range) the tolerance of the internal time base of 1-Wire
slave devices is much narrower than what it is when operated at the minimum voltage of 2.8V. Therefore,
the timing generated by the DS2480B is in compliance with the requirements of all 1-Wire/iButton 1-
Wire devices.
Maxim Integrated ........................................................................................................................................................................................... 17
IDLE IDLE
END Cf PREVIOUS TIME tspu TIME BEG!” OF NEXT
5v TIME SLOT fr ,( If TIME sun
I] H I}
w
II in
12v r r
IF
END or PREVIOUS ‘DLE “15 BEGIN 0F Nsxr
5v ms SLOT WE ‘PP “ME TIME SLOT
tr Ir
) H
ov
DS2480B
PULSE WAVEFORMS, DISARMED
The Pulse command can be used to generate a strong pullup to 5V and a 12V programming pulse,
respectively. The duration of the pulse is predefined if the parameter value code of parameter 010
(Programming Pulse Duration) has a value from 000 to 110, and parameter 011 (Strong Pullup Duration)
has a value from 000 to 101 (see Table 4). Figures 7a and 7b show the timing of a pulse with predefined
duration, which should be considered the normal case. If infinite duration is chosen (parameter value code
111), the host must terminate the Pulse command, as shown in Figures 7c and 7d. All versions of Figure 7
assume that bit 1 of the pulse command is 0, i.e., disarmed mode. See the Communication Commands:
Pulse section for more details on possibilities of the Pulse command.
Figure 7a. STRONG PULLUP TO 5V, PREDEFINED DURATION
The processing of a pulse command is essentially the same, regardless if a strong pullup or a
programming pulse is requested. At t1 the host starts sending the pulse command byte. At t2 the DS2480B
has received the command and immediately generates the pulse. The pulse ends at t3 and the DS2480B
sends out the command response byte to inform the host that the command is completed. The idle time
between t1 and t2 is determined by the time to transmit the command byte at the selected baud rate. The
idle time between t3 and t4 is comprised of the time to transmit the response byte, plus the response time
of the host plus the time to transmit the command and/or data to generate the next time slot.
Figure 7b. 12V PROGRAMMING PULSE, PREDEFINED DURATION
A correct programming pulse can only be generated if the 12V programming voltage is available at the
VPP pin of the DS2480B. The rising and falling edges of the programming pulse are actively controlled by
DS2480B. The slew rate is approximately 14V/µs and meets the requirements of 1-Wire EPROM
devices.
Maxim Integrated ........................................................................................................................................................................................... 18
ID|£ IDLE
END or PREVIOUS TIME smoua PULLdJP ON YIME seem OF NExr
5v nus SLOT “ fl TIME SLOT
I) I}
(IV
11 '2 '3
Izv
—>
END OF PREVIOUS IDtE PROGRAMMING vows: IDLE BEGIN OF NEW
TIME SLOT TIME IS APPLIED TIME nus SLOT
5" H 11
J) J)
ov
II I2 la '4
DS2480B
For EPROM programming, only a single slave device should be connected to the 1-Wire bus and the
cable must to be short, not to exceed a few meters. One should not attempt generating a programming
pulse with a non-EPROM device on the bus; this may damage the device as well as the DS2480B.
Certain applications may require a duration for a strong pullup or programming pulse that cannot be
realized using one of the predefined values. Selecting infinite duration allows the host to generate pulses
of any length. As a consequence, however, the host becomes responsible to actively control the duration
of the pulse. Failing to do so may require a power-on reset or master reset cycle of the DS2480B. For this
reason, infinite duration should only be used if absolutely necessary.
The time to end a pulse of infinite duration strongly depends on the baud rate of the communication
between host and DS2480B. Neglecting the response time of the host, the minimum pulse durations are:
86.8µs at 115.2kbps, 173.6µs at 57.6kbps, 520µs at 19.2kbps, and 1.04ms at 9.6kbps.
Figure 7c. STRONG PULLUP TO 5V, INFINITE DURATION
As before, processing the command is essentially the same, regardless if it is for a strong pullup or a
programming pulse. At t1 the host starts sending the Pulse command byte. At t2 the DS2480B has
received the command and immediately activates the strong pullup or switches in the 12V programming
voltage. To end the pulse, the DS2480B must receive a Termination command, code F1h, which occurs at
t3. The Termination command does not generate a response byte. The DS2480B will immediately end the
pulse and send out the response byte of the pulse command. The idle time between t1 and t2 is determined
by the time to transmit the command byte at the selected baud rate. The idle time between t3 and t4 is
comprised of the time to transmit the pulse response byte, plus the response time of the host plus the time
to transmit the command and/or data to generate the next time slot.
Figure 7d. 12V PROGRAMMING PULSE, INFINITE DURATION
Maxim Integrated ........................................................................................................................................................................................... 19
END OF em
5V nu: SLOT
lsPu
4r
\DLE
TIME
(I
BEGIN OF NEXT
T|ME SLOT
H
DS2480B
PULSE WAVEFORM, ARMED
As explained in the Communication Commands section, bit 1 of the Pulse command allows the arming of
a strong pullup to 5V if the bit is set to 1. If the strong pullup is armed and the device is switched to Data
Mode, there will be a strong pullup immediately following every byte on the 1-Wire bus. This mode is
implemented to provide extra energy when writing to EEPROM devices or to do a temperature
conversion with the DS1920 temperature iButton, for example. These devices need a strong pullup
immediately after the power-consuming activity has been initiated by a command code.
To arm the strong pullup, one usually generates a “dummy” pulse with bit 1 being 1 while the device is in
Command Mode. To save time, the dummy pulse may immediately be terminated by sending the
Termination command, code F1h. Then one switches to Data Mode and sends a command code that
makes one or more slaves on the 1-Wire bus require extra energy. After the command execution is
finished, one switches back to Command Mode and disarms the strong pullup by generating another
dummy pulse. A complete temperature conversion sequence that shows the use of the armed pulse is
included in the Software Driver Examples section .
Figure 8. STRONG PULLUP TO 5V, ARMED, PREDEFINED DURATION
Figures 8 shows the timing of the strong pullup in Data Mode. At t1 the 8th time slot of the byte sent to the
1-Wire bus is completed. Without any delay the DS2480B now activates the strong pullup and
simultaneously starts sending the data response byte to the host. At t2 the strong pullup ends and the
DS2480B sends a pulse response byte to the host. The idle time between t2 and t3 is comprised of the time
to transmit the pulse response byte, plus the response time of the host plus the time to transmit the
command and/or data to generate the next time slot. Since in Data Mode the Pulse Termination command
is not applicable, the duration of the strong pullup must be limited. See Table 4, parameter 011 (Strong
Pullup Duration) for details.
Infinite duration, if accidentally selected, will require a power-on or master reset cycle to get the
DS2480B back to communicating with the host.
Maxim Integrated ........................................................................................................................................................................................... 20
IDLE
END W PREVIOUS KPH “ME BEGIN OF NEXT
5V TIME SLOY N H ACTIVITY
u u
av
u I:
IDLE
END or PREVIOUS srnoue PULL-UP on we seem or NEXT
5V TIME swr (r Acmm
nv
J)
DS2480B
SINGLE BIT WITH STRONG PULLUP
Similar to the Pulse command, the Single Bit command also allows generating a strong pullup
immediately following a time slot. The strong pullup of the Single Bit command, however, is controlled
directly by bit 1 of the command code and therefore needs not be armed. Since the DS2480B remains in
Command Mode when using the Single Bit command, any duration of the strong pullup including infinite
may be selected.
Figure 9a. SINGLE BIT WITH STRONG PULLUP, PREDEFINED DURATION
Figure 9 shows the timing of the Single Bit command immediately following strong pullup. For
predefined duration (Figure 9a) the timing is as follows: At t1 the time slot is completed. Now the
DS2480B activates the strong pullup and simultaneously starts sending the response byte of the Single Bit
command to the host. At t2 the strong pullup ends and the DS2480B sends out a pulse response byte. The
idle time between t2 and t3 is comprised of the time to transmit the pulse response byte, plus the response
time of the host plus the time to transmit the command and/or data to generate the next time slot.
Figure 9b. SINGLE BIT WITH STRONG PULLUP, INFINITE DURATION
For infinite duration (Figure 9b) the strong pullup also begins immediately after the time slot is
completed. To end the strong pullup, the DS2480B must receive a Termination command, code F1h,
which occurs at t2. The termination command does not generate a response byte. The DS2480B will then
immediately end the strong pullup and send out a pulse response byte. Everything else is the same as with
predefined duration.
Maxim Integrated ........................................................................................................................................................................................... 21

DS2480B
The minimum duration of a strong pullup of infinite duration strongly depends on the baud rate of the
communication between host and DS2480B. The host must first receive the response byte of the Single
Bit command, react to it and then transmit the termination command. Neglecting the host’s response time,
the shortest duration of an infinite strong pullup therefore is 173.6µs at 115.2kbps, 347.2µs at 57.6kbps,
1.04ms at 19.2kbps, and 2.08ms at 9.6kbps.
SOFTWARE DRIVER EXAMPLES
The DS2480B requires a software driver that translates the activities to be generated on the 1-Wire bus
into the appropriate commands. The examples below cover typical situations, such as reading the ROM,
writing to the scratchpad of a Memory iButton, reading the memory of a Memory iButton, programming
an Add-Only iButton EPROM and performing a temperature conversion with the DS1920 temperature
iButton. An example for the use of the Search Accelerator is included in the Search Accelerator section
found earlier in this document.
The DS2480B command codes used in these examples are valid for standard speed and will work
properly on short 1-Wire buses (<10m). The response byte on the reset command assumes a normal
presence pulse, no alarm or short.
The DS2480B includes a 1-byte buffer that stores a byte received from the host while the previous byte is
being translated into activity on the 1-Wire bus. For this reason the host may send another byte even
without having received the response byte. Sending bytes faster than they can be translated into 1-Wire
activities may result in loss of data and/or synchronization and therefore should be avoided.
READ ROM SEQUENCE
Action Sequence
Host TX
Host RX
Generate Reset Pulse
C1
CD or ED
Set Data Mode
E1
(nothing)
Read ROM Command
33
(as sent)
Read ROM ID (8 bytes)
FF (x8)
ROM ID
Set Command Mode
E3
(nothing)
Generate Reset Pulse
C1
CD or ED
WRITE SCRATCHPAD SEQUENCE
Write 2 bytes to scratchpad at memory locations 16h and 17h
Action Sequence
Host TX
Host RX
Generate Reset Pulse
C1
CD or ED
Set Data Mode
E1
(nothing)
Skip ROM Command
CC
CC
Write Scratchpad Command
0F
(as sent)
Starting Address TA1
16
(as sent)
Starting Address TA2
00
(as sent)
Write to the Scratchpad
(2 bytes)
(as sent)
Set Command Mode
E3
(nothing)
Generate Reset Pulse
C1
CD or ED
Maxim Integrated ........................................................................................................................................................................................... 22

DS2480B
READ MEMORY SEQUENCE
Action Sequence
Host TX
Host RX
Generate Reset Pulse
C1
CD or ED
Set Data Mode
E1
(nothing)
Skip ROM Command
CC
CC
Read Memory Command
F0
(as sent)
Starting Address TA1
40
(as sent)
Starting Address TA2
00
(as sent)
Read 8 Bytes of Data
FF (x8)
(data)
Set Command Mode
E3
(nothing)
Generate Reset Pulse
C1
CD or ED
WRITE EPROM SEQUENCE (DS2505)
Write memory starting at address 40h
Action Sequence
Host TX
Host RX
Set Vpp dur. = 512µs
29
28
Generate Reset Pulse
C1
CD or ED
Set Data Mode
E1
(nothing)
Skip ROM Command
CC
(as sent)
Write Memory Command
0F
(as sent)
Starting Address TA1
40
(as sent)
Starting Address TA2
00
(as sent)
*** Send Data Byte
(data)
(as sent)
Receive CRC16
FF (x2)
CRC16
Set Command Mode
E3
(nothing)
Generate Program Pulse
FD
response
Set Data Mode
E1
(nothing)
Read Written Byte
FF
(data)
Go to *** to write the next byte or end the sequence as shown below
Set Command Mode
E3
(nothing)
Generate Reset Pulse
C1
CD or ED
TEMPERATURE CONVERSION SEQUENCE
Action Sequence
Host TX
Host RX
Set pullup dur. = 524ms
39
38
Generate Reset Pulse
C1
CD or ED
Set Data Mode
E1
(nothing)
Skip ROM Command
CC
(as sent)
Set Command Mode
E3
(nothing)
Arm Strong Pullup
EF
(nothing)
Terminate Pulse
F1
response
Set Data Mode
E1
(nothing)
Convert Temperature
44
(as sent)
Wait for Pulse Response
(nothing)
response
Set Command Mode
E3
(nothing)
Disarm Strong Pullup
ED
(nothing)
Terminate Pulse
F1
response
Generate Reset Pulse
C1
CD or ED
Maxim Integrated ........................................................................................................................................................................................... 23

DS2480B
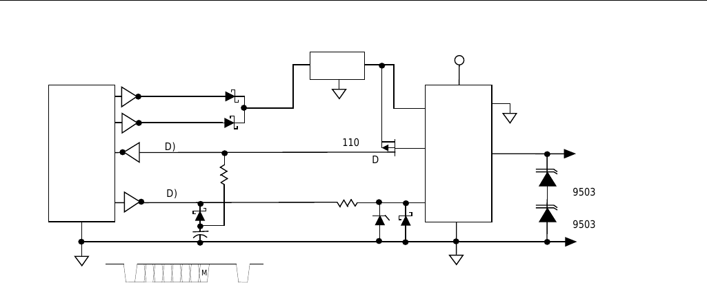
HARDWARE APPLICATION EXAMPLES
This section discusses five typical application scenarios. The DS2480B can be configured for EPROM
programming as well as for 5V operation only.
OUTPUT FILTERING
As described in the CONTROLLED EDGES section, the DS2480B employs an active pullup on the rising
edges of the 1-Wire waveform.
Excessive noise on the 1-Wire line in the region of the pullup trip voltage, VIAPTO, can cause an
undesirable trip of the active pullup, which can disrupt 1-Wire communication. External R-C filtering as
shown in Figure 10 should be added to all DS2480B configurations with the exception of those that
perform EPROM programming.
For EPROM programming configurations the R-C filter cannot be used due to the voltage drop that will
develop across the 100Ω resistor during programming.
Figure 10. R-C FILTERING
1-Wire Bus
Return
5 V
5V Operation Only
GND
1-W
POL
VDD
VPP
RXD
TXD
DS2480B
470 pF
See Application Note 148
for additional information.
62 Ohms
DS9503
To protect the 1-Wire port of the DS2480B from electrostatic discharge it is recommended to use a low-
capacitance ESD protection diode, such as the DS950x devices. For 5V operation a single device is
sufficient. For EPROM programming two DS950x devices must be connected in series to achieve a high
enough breakdown voltage.
Figures 11a-c are examples of connecting the DS2480B directly to a UART or RS232C interface. The
circuit becomes more complex if a 1-Wire bus is to be interfaced to a port that provides and expects
inverted signals, but does not necessarily meet the RS232C (±12V) standard (Figure 11b).
Maxim Integrated ........................................................................................................................................................................................... 24
DS2480B
Figure 11a. UART DIRECT
SIN (RXD)
SOUT (TXD)
UART
or µC
Start
Stop
1
0
L
M
1-Wire Bus
Return
12 V
GND
1-W
POL
VDD
VPP
RXD
TXD
DS2480B
5V
Regulator
5 V
* only one DS950x ESD protection device with 5V
With EPROM Programming
5V Operation Only
GND
1-W
POL
VDD
VPP
RXD
TXD
DS2480B
*
470 pF
62 Ohms
Optional filter
DS9503
DS9503
DS9503
Figure 11b. ±5V RS232
SIN (RXD)
SOUT (TXD)
UART
or µC
Start
Stop
1
0
L
M
1-Wire Bus
Return
DTR
Power Stealing
GND
1-W
POL
VPP
VDD
RXD
TXD
DS2480B
62 Ohms
Optional filter
RTS
See Text
22 µF
0.1 µF
DS9503
470 pF
The signals DTR and RTS provide the power to operate the DS2480B. The resistor in the TXD line and
the Schottky diode limit the negative voltage at the TXD pin of the DS2480B to 0.3V maximum. The
resistor is typically 4.7kΩ. If the inverting driver is current-limited to 1mA the resistor is not required.
From the DS2480B’s perspective, this circuit will work with inverted signals of ±5V as well as 0 to 5V.
Depending on the voltage levels the host expects, it may be necessary to generate a negative voltage on
the RXD line. Figure 11c shows how this can be accomplished for a true RS232C system.
Maxim Integrated ........................................................................................................................................................................................... 25
““““
DS2480B
Figure 11c. ±12V RS232
SIN
(RXD)
SOUT
(TXD)
UART
or µC
Start
Stop
1
0
L
M
1-Wire Bus
Return
DTR
Power Stealing
GND
1-W
POL
VPP
VDD
RXD
TXD
DS2480B
RTS
See Text
2.7K
4.7V
5V
Regulator
6.8K
1 µf
BSS110
S
D
+12VDC Programming
*
* only one DS950x ESD protection device with 5V
DS9503
DS9503
In the interface to a true RS232C system (±12V, Figure 11c) the power for the DS2480B is stolen from
DTR and RTS. The software must make sure that at least one of these signals constantly provides the 12V
operating voltage. The 6.8kΩ resistor and the 4.7V Zener diode in the TXD line limit the positive voltage
at the TXD pin of the DS2480B. The Schottky diode limits the negative voltage to 0.3V maximum. The
Schottky diode in series with capacitor forms a parasitic supply to generate the negative bias for the
host’s receive channel. The positive signal is switched in through the P-channel MOSFET that connects
to the RXD output of the DS2480B. In this circuit diagram the MOSFET switches the RXD line to +5V,
which normally is sufficient for RS232C systems.
Switching to 12V is also possible, but requires a P-channel transistor with a different threshold voltage.
The signal inversion caused by the transistor is compensated through the DS2480B by using a value code
of 100, 101, 110, or 111 for the RS232 baud rate setting.
Maxim Integrated ........................................................................................................................................................................................... 26
3* E
er300 ¥§V§ 9501
J7 i—'— 7 IJ_—. mm 9503
1 E
b“
‘D' D) ¥§§ YO} é D 9503
i 9503
DS2480B
Figure 11d. UART DIRECT OPTO-ISOLATED
Return
SIN
(RXD)
SOUT
(TXD)
UART
or µC
Start
Stop
1
0
L
M
5 V
DC to DC
Converter
*
1-Wire Bus
GND
1-W
POL
VDD
VPP
RXD
TXD
DS2480B
* only one DS950x ESD protection device with 5V
5V
12 V
HCPL-2300
2.7K
5.1K
2.7K
5.1K
DS9503
DS9503
The circuit in Figure 11d is essentially the same as in Figure 11a. The main difference is the opto-
isolation. The characteristics of the opto-isolators are not very critical. Using a different type will affect
the values of the resistors that limit the current through the LEDs and bias the photo transistors.
Figure 11e. ±5 TO 12V RS232 OPTO-ISOLATED
SIN
(RXD)
SOUT
(TXD)
UART
or µC
Start
Stop
1
0
L
M
1-Wire Bus
Return
DTR
Power Stealing
GND
1-W
POL
VPP
VDD
RXD
TXD
DS2480B
RTS
2.7K
HCPL-2300
5V
Regulator
1.5K
1 µf
HCPL-2202
5V
+12VDC Programming
*
* only one DS950x ESD protection device with 5V
1.5K
DC/DC
Convert.
DS9503
DS9503
The circuit in Figure 11e combines the true RS232C interface with opto-isolation. The energy to power
the LED in the TXD channel and to provide the positive voltage for the host’s RXD input is stolen from
DTR and RTS. The negative voltage for the RXD input is taken from the TXD line through a parasitic
supply consisting of a Schottky diode in series with a capacitor. The HCPL-2202 opto-isolator has a
totem pole output that allows switching in positive as well as negative voltage. The +5V are sufficient for
most RS232C systems. Switching in 12V requires an opto-isolator with different voltage characteristics.
In the schematic the HCPL-2202 opto-isolator is sourced by the RXD pin of the DS2480B. It can as well
be connected the traditional way where the DS2480B sinks the current through the LED. This, however,
causes a signal inversion that has to be compensated through the DS2480B by using a value code of 100,
101, 110, or 111 for the RS232 baud rate setting. Using other types of opto-isolators than shown in the
schematic will at least require changing the values of the resistors.
Maxim Integrated ........................................................................................................................................................................................... 27
START an o BIT 1 BIT 2 SITE BIT A BIT s BIT s BIT 7 STOP
P‘Vfl’kx xx x 5.-
(DIAGRAM DRAWN FOR PDL- 5V)
10 TR
BIT 5
WW: (DIAGRAM DRAWN FOR POL- 5v)
START BIT 0
INPUT SAMPUNG 5. $51". MTR mu) 9—;
START BIT c BTTI BIT2 BIT a BIT A BIT 5 BIT a BIT 7 STOP
DIAGRAM DRAWN FMPOL 5V) «mm...
-II VI”
X F Y x x x
9 T 4
25T.1 3.5T“ 4.5TR 5.5T“ 5.5m 7,5Tn 3.5T“ 9.5T“
LSTR
10 TY
Ty a I/Bwn RATE OF um I}: , vBAuu RATE 0; DEVK2E
2&va
STOP START .1 BIT o BIT I
ZTT
(DIAGRAM DRAWN FOR POL I 5V)
lsTAm' 5‘ TT 4' (-) (Asvu ‘Brra = TT - M lAsm
DS2480B
Figure 12. RS232 DATA TIMING RXD LINE
Figure 13. RECEIVE DELAY TIMING
Figure 14. RS232 DATA TIMING TXD LINE
Figure 15. TXD LINE ASYMMETRY
Maxim Integrated ........................................................................................................................................................................................... 28
DS2480B
Table 7. FUNCTION AND SPEED MATRIX
Baud Rate
1-Wire Speed
Function
Standard
Flexible
Overdrive
9600bps
√
√
√
Search
√
√
√
Command/Data
19200bps
X
X
√
Search
√
X
√
Command/Data
57600bps
X
X
√
Search
X
X
√
Command/Data
115200bps
X
X
X
Search
X
X
√
Command/Data
√ tIDLET is guaranteed by the UART; no precautions necessary.
X Not recommended unless tIDLET is controlled by the host through a wait function.
Maxim Integrated ........................................................................................................................................................................................... 29
I
IH
IL
IWEAKPU
IACTPU
IN
[NI
DS2480B
ABSOLUTE MAXIMUM RATINGS*
Voltage on 1-W to Ground -0.5V to +14.0V
Voltage on VPP to Ground -0.5V to +12.5V
Voltage on VDD, RXD, TXD, POL to Ground -0.5V to +7.0V
Operating Temperature Range -40°C to +85°C
Storage Temperature Range -55°C to +125°C
Lead Temperature (soldering, 10s) +300°C
Soldering Temperature (reflow) +260°C
* This is a stress rating only and functional operation of the device at these or any other conditions
above those indicated in the operation sections of this specification is not implied. Exposure to absolute
maximum rating conditions for extended periods of time may affect reliability.
DC ELECTRICAL CHARACTERISTICS (VDD = 4.5V to 5.5V; -40°C to +85°C)
PARAMETER
SYMBOL
MIN
TYP
MAX
UNITS
NOTES
Supply Voltage
VDD
4.5
5.0
5.5
V
Programming Voltage
VPP
12.0
12.25
V
1
Operating Current
IDD
3.0
5.0
mA
Idle Current on VPP
IPP
20
μA
2
Active Pullup Timer Threshold
VIAPTO
VDD - 1.4
VDD - 1.1
V
Active Pullup On Threshold
VIAPO
0.95
1.2
V
15
1-Wire Input High
VIH1
3.4
V
1-Wire Input Low
VIL1
1.8
V
TXD/POL Input Resistor
RI
30
kΩ
3
TXD/POL Input Levels
VIH
2.7
V
TXD/POL Input Levels
VIL
0.8
V
1-Wire Weak Pullup Current
IWEAKPU
1.5
3.0
5.4
mA
15
1-Wire Active Pullup Current
IACTPU
7
15
mA
Strong Pullup Voltage Drop
@ 10mA load on 1-W
∆VSTRPU 0.6 V 4
Programming Voltage Drop
@ 10mA load on 1-W
∆VPROG 0.30 V 5
RXD Sink Current @ 0.4V
IOLR
6
mA
RXD Source Current @ VDD-0.4V
IOHR
-4
mA
Power On Reset Trip Point
VPOR
3.3
V
CAPACITANCES (TA = 25°C)
PARAMETER
SYMBOL
MIN
TYP
MAX
UNITS
NOTES
TXD/POL Input Capacitance
CIN
5
pF
17
1-Wire Input Capacitance
CIN1
10
pF
17
Maxim Integrated ........................................................................................................................................................................................... 30
TT
TR
FR
RR
IDLET
IDLER
ASYM
ARR
MR
AI’UOT
www a Egraled com/packages
DS2480B
AC ELECTRICAL CHARACTERISTICS (VDD = 4.5V to 5.5V; -40°C to +85°C)
PARAMETER
SYMBOL
MIN
TYP
MAX
UNITS
NOTES
UART Bit Time
TT
8.68
104
μs
6
Device Bit Time
TR
8.68
104
μs
6, 7, 16
Fall Time RXD
tFR
8
20
ns
8,17
Rise Time RXD
tRR
13
27
ns
8,17
Transmit Idle Time
tIDLET
0
μs
9
Receive Idle Time
tIDLER
tIDLET
μs
Asymmetry
tASYM
1
μs
10
Arrival Response Time
tARR
4.4
52
μs
11
Master Reset Time
tMR
104
μs
12
Active Pullup on Time
tAPUOT
0.5
2.0
μs
13
Response Time
tRESP
8.68 + ∆
104 + ∆
μs
11, 14
NOTES:
1. VPP - ∆VPROG must be within 11.5V to 12.0V.
2. Applies only if a 12.0V supply is connected. If VPP and VDD are tied together, current is less than
1µA.
3. Input load is to GND.
4. Voltage difference between VDD and 1-W.
5. Voltage difference between VPP and 1-W.
6. 8.68µs (115.2kbps), 52µs (19.2kbps), 17.36µs (57.6kbps), 104µs (9.6kbps).
7. Nominal values; tolerance = ±5%.
8. At VCC = 5.0V and 100pF load to GND.
9. See Table 7, Function and Speed Matrix.
10. Independent of baud rate.
11. Minimum at 115.2kbps, maximum at 9.6kbps.
12. The master reset cycle is complete after tMR is over.
13. Minimum value at Overdrive speed; maximum value at standard speed.
14. ∆ is the time to complete the activity on the 1-Wire bus; values range from 0 (configuration
command) up to 5130µs (alarming presence pulse).
15. With standard and flexible speed the total capacitive load of the 1-Wire bus should not exceed 20nF,
otherwise the active pullup on threshold VIAPO may not be reached in the available time. With
Overdrive speed the capacitive load on the 1-Wire bus must not exceed 1nF.
16. Baud rate calibration is valid at a static VDD operating point. Post calibration changes in VDD by more
than 5% may cause calibration error to exceed 5%. The DS2480B requires a 1-Wire reset command
sent by the host at a data rate of 9600bps for calibration. Data rates of 115200bps or higher during
calibration may put the DS2480B in an undefined state, requiring a power-down reset to restore
normal operation.
17. Not production tested.
Package Information
For the latest package outline information and land patterns, go to www.maximintegrated.com/packages. Note that a “+”, “#”, or “-“ in the
package code indicates RoHS status only. Package drawings may show a different suffix character, but the drawing pertains to the package
regardless of RoHS status.
PACKAGE TYPE
PACKAGE CODE
DOCUMENT NO.
8 SO
S8+5
21-0041
Maxim Integrated ........................................................................................................................................................................................... 31
VPPmm
AVPROGMAX
IACTPUMW
DS2480B
REVISION
DATE
DESCRIPTION
PAGES
CHANGED
3/17/99
Initial release
—
10/19/99
Removed preliminary status, deleted VPPmin spec, changed ∆VPROGMAX to 0.30V
29
7/1/03
Changing the Communication Command Response Bit 5 to Don't Care status.
7
8/20/04
Added references to Application Note 192.
Clarification in the second paragraph of the Device Operation section.
Removed references to DOS from the search accelerator introduction.
Appended to EC table note 16: The DS2480B requires a 1-Wire reset command
sent by the host at a data rate of 9600bps for calibration. Data rates of
115200bps or higher during calibration may put the DS2480B in an undefined
state, requiring a power-down reset to restore normal operation.
2
3
8
31
5/10
Conversion to lead free, using “standard” instead of “regular” when referring to
the slower 1-Wire speed, removal of load sensor (dynamic duration) as a
feature, correction in Figures 10, 11a, 11b (filter capacitor moved to the left of
the resistor, filter resistor changed from 100Ω to 62Ω), correction of minor
oversights and style updates.
EC table: added Voltage on VPP to Ground to Absolute Maximum Ratings,
deleted VPP senspr trip point, changed IWEAKPUMAX from 5.0 to 5.4 mA, changed
IACTPUMIN from 9 to 7 mA.
Various
31
4/15
Updated Benefits and Features section
1
32
Maxim Integrated cannot assume responsibility for use of any circuitry other than circuitry entirely embodied in a Maxim Integrated product. No circuit patent
licenses are implied. Maxim Integrated reserves the right to change the circuitry and specifications without notice at any time. The parametric values (min and max
limits) shown in the Electrical Characteristics table are guaranteed. Other parametric values quoted in this data sheet are provided for guidance.
Maxim Integrated, 160 Rio Robles, San Jose, CA 95134 1-408-601-1000
2015 Maxim Integrated Products, Inc. The Maxim logo and Maxim Integrated are trademarks of Maxim Integrated Products, Inc.
Maxim Integrated ........................................................................................................................................................................................... 32
Products related to this Datasheet
IC DRIVER 1/0 8SOIC