ON Semiconductor”
w
20 H
MHHHHHHHH
NCP1©81
XXXX
CDYZZ(ID
MUUUUUUUU
1 1O
© Semiconductor Components Industries, LLC, 2013
May, 2013 − Rev. 7
1Publication Order Number:
NCP1081/D
NCP1081
Integrated High Power
PoE-PD Interface & DC-DC
Converter Controller
Introduction
The NCP1081 is a member of ON Semiconductor’s high power
HIPO Power over Ethernet Powered Device (PoE−PD) product family
and represents a robust, flexible and highly integrated solution
targeting demanding medium and high power Ethernet applications. It
combines in a single unit an enhanced PoE−PD interface supporting
the IEEE802.3af and the 802.3at standard and a flexible and
configurable DC−DC converter controller.
The NCP1081’s exceptional capabilities offer new opportunities for
the design of products powered directly over Ethernet lines,
eliminating the need for local power adaptors or power supplies and
drastically reducing the overall installation and maintenance cost.
ON Semiconductor’s unique manufacturing process and design
enhancements allow the NCP1081 to deliver up to 25.5 W for the
IEEE802.3at standard and up to 40 W for proprietary high power PoE
applications. The NCP1081 enables the IEEE802.3at and implements
a two event physical layer classification. Additional proprietary
classification procedures support high power power sourcing
equipment (PSE) on the market. The unique high power features
leverage the significant cost advantages of PoE− enabled systems to a
much broader spectrum of products in emerging markets such as
industrial ethernet devices, PTZ and Dome IP cameras, RFID readers,
MIMO WLAN access points, high end VoIP phones, notebooks, etc.
The integrated current mode DC−DC controller facilitates isolated
and non−isolated fly−back, forward and buck converter topologies. It
has all the features necessary for a flexible, robust and highly efficient
design including programmable switching frequency, duty cycle up to
80 percent, slope compensation, and soft start−up.
The NCP1081 is fabricated in a robust high voltage
process and integrates a rugged vertical N−channel DMOS
with a low loss current sense technique suitable for the most
demanding environments and capable of withstanding harsh
environments such as hot swap and cable ESD events.
The NCP1081 complements ON Semiconductor’s ASSP
portfolio in industrial devices and can be combined with
stepper motor drivers, CAN bus drivers and other high−
voltage interfacing devices to offer complete solutions to the
industrial and security market.
Features
•These are Pb−Free Devices
Powered Device Interface
•Supporting the IEEE802.3af and the 802.3at Standard
•Supports IEEE802.3at Two Event Layer 1
Classification
•High Power Layer 1 Classification Indicator
•Extended Power Ranges up to 40 W
•Programmable Classification Current
•Adjustable Under Voltage Lock Out
•Programmable Inrush Current Limit
•Programmable Operational Current Limit up to
1100 mA for Extended Power Ranges
•Over−temperature Protection
•Industrial Temperature Range −40°C to 85°C with Full
Operation up to 150°C Junction Temperature
•0.6 W Hot−swap Pass−switch with Low Loss Current
Sense Technique
•Vertical N−channel DMOS Pass−switch offers the
Robustness of Discrete MOSFETs with Integrated
Temperature Control
http://onsemi.com
See detailed ordering and shipping information in the package
dimensions section on page 2 of this data sheet.
ORDERING INFORMATION
NCP1081 = Specific Device Code
XXXX = Date Code
Y = Assembly Location
ZZ = Traceability Code
TSSOP−20 EP
DE SUFFIX
CASE 948AB
1
rl
$L
EEEEEEEE
E
g,
4.,
g.
4,,
g,
g,
A,
g,
NCP1081
http://onsemi.com
2
DC−DC Converter Controller
•Current Mode Control
•Supports Isolated and Non−isolated DC−DC Converter
Applications
•Internal Voltage Regulators
•Wide Duty Cycle Range with Internal Slope
Compensation Circuitry
•Programmable Oscillator Frequency
•Programmable Soft−start Time
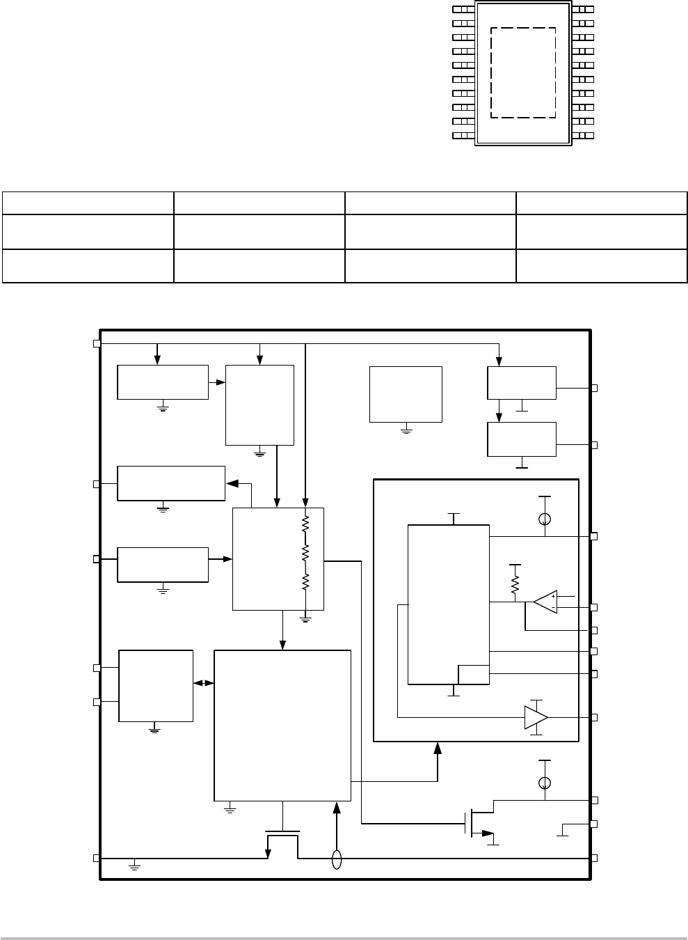
(Top View)
PIN DIAGRAM
Exposed
Pad
1SS
FB
COMP
VDDL
VDDH
GATE
ARTN
nCLASS_AT
CS
OSC
VPORTP
CLASS
UVLO
INRUSH
ILIM1
VPORTN1
RTN
VPORTN2
TEST1
TEST2
ORDERING INFORMATION
Part Number Package Shipping Configuration†Temperature Range
NCP1081DEG TSSOP−20 EP
(Pb−Free)
74 units / Tube −40°C to 85°C
NCP1081DER2G TSSOP−20 EP
(Pb−Free)
2500 / Tape & Reel −40°C to 85°C
†For information on tape and reel specifications, including part orientation and tape sizes, please refer to our Tape and Reel Packaging
Specification Brochure, BRD8011/D.
Figure 1. NCP1081 Block Diagram
INTERNAL
SUPPLY
VDDH
INRUSH
ILIM1
CLASSIFICATION
DETECTION
VPORTN1,2
VPORTP
CLASS
INRUSH
ILIM1
VDDH
nCLASS_AT
VDDL
THERMAL
HOT SWAP SWITCH
CONTROL & CURRENT
LIMIT BLOCKS
UVLO
UVLO
RTN
ARTN
1.2 V
CONTROL
OSC
SS
FB
GATE
VDDL
VDDL
VDDL
VDDH
5 K
OSC
VDDL
VDDL
VPORT
MONITOR
20 mA
COMP
CS
5 mA
SHUT
DOWN
CONVERTER
DC−DC
&
BANDGAP
NCP1081
http://onsemi.com
3
SIMPLIFIED APPLICATION DIAGRAMS
Figure 2. Isolated Fly−back Converter
LD1
Rd1
NCP1081
Cline
Spare
Pairs
Rcs
Cvddh
Cpd
Css Rosc
M1
T1
Cload
Rclass
Rilim1
Rinrush
R1
R2
Optocoupler
R3
R4
R5
C1
Z1
Rslope
C2
Voutput
RJ−45
D1
DB1
DB2
OC1
Z_line
GATE
RTN
FB
COMP
VPORTN2
VDDH
VDDL
OSC
SS
VPORTN1
CLASS
ARTN
ILIM1
INRUSH
TEST1
TEST2
UVLO
CS
VPORTP
Cvddl
nCLASS_AT
Data
Pairs
Figure 2 shows the integrated PoE−PD switch and DC−DC controller configured to work in a fully isolated application. The
output voltage regulation is accomplished with an external opto−coupler and a shunt regulator (Z1).
Figure 3. Non−Isolated Fly−back Converter
NCP1081
GATE
RTN
FB
COMP
VPORTN2
VDDH
VDDL
Rcs
Cvddh
Cpd
C1comp
C2comp
Rcomp
OSC
SS
Css
M1
T1
R4
VPORTN1
CLASS
ARTN
ILIM1
INRUSH
TEST1
TEST2
Rclass
Rilim1
Rinrush
UVLO
CS
VPORTP
Rslope
Voutput
Cline
Spare
Pairs
R1
R2
RJ−45
DB1
DB2
Z_line
LD1
Rd1
Cvddl
nCLASS_AT
Rosc
R3 Cload
Data
Pairs
Figure 3 shows the integrated PoE−PD and DC−DC controller configured in a non−isolated fly−back configuration. A
compensation network is inserted between the FB and the COMP pin for overall stability of the feedback loop.
jg
w>—u—«
H
wv—ww»
-w—4:1 “PH—[Hp
41W
NCP1081
http://onsemi.com
4
SIMPLIFIED APPLICATION DIAGRAMS
Figure 4. Non−Isolated Fly−back with Extra Winding
Cpd
NCP1081
GATE
RTN
FB
COMP
VPORTN2
VDDH
VDDL
Rcs
Cvddh
C1comp
C2comp
Rcomp
OSC
SS
Css
M1
R4
VPORTN1
CLASS
ARTN
ILIM1
INRUSH
TEST1
TEST2
Rclass
Rilim1
Rinrush
R1
R2
UVLO
CS
VPORTP
Rslope
D1
D2 T1
R5
Voutput
Cline
Spare
Pairs
RJ−45
DB1
DB2
Z_line
LD1
Rd1
Cvddl
nCLASS_AT
R3
Cload
Rosc
Data
Pairs
Figure 4 shows the same non−isolated fly−back configuration as Figure 3, but adds a 12 V auxiliary bias winding on the
transformer to provide power to the NCP1081 DC−DC controller via its VDDH pin. This topology shuts off the current flowing
from VPORTP to VDDH and therefore reduces the internal power dissipation of the PD, resulting in higher overall power
efficiency.
Figure 5. Non−Isolated Forward Converter
Cpd
NCP1081
GATE
RTN
FB
COMP
VPORTN2
VDDH
VDDL
Rcs
Cvddh
C1comp
C2comp
Rcomp
OSC
SS
Css
M1
Cload
R3
R4
VPORTN1
CLASS
ARTN
ILIM1
INRUSH
TEST1
TEST2
Rclass
Rilim1
Rinrush
R1
R2
UVLO
CS
VPORTP L1
Rslope
Voutput
T1
D1
D2
D3
Cline
Spare
Pairs
RJ−45
DB1
DB2
Z_line
LD1
Rd1
Cvddl
nCLASS_AT
Data
Pairs
Rosc
Figure 5 shows the NCP1081 used in a non−isolated forward topology.
High Power Considerations
The NCP1081 is designed to implement various
configurations of high−power PoE systems including those
based on the IEEE802.3at standard. High power operation
can be enabled by a Dual Event Layer 1 classification or a
Single Event Layer 1 classification combined with a Layer 2
high power classification. The NCP1081 also supports
proprietary designs capable of delivering 25 W to 40 W to
the load in two−pair configurations. A separate application
note describes these implementations (AND8332).

NCP1081
http://onsemi.com
5
Table 1. PIN DESCRIPTIONS
Name Pin No. Type Description
VPORTP 1 Supply Positive input power. Voltage with respect to VPORTN1,2.
VPORTN1
VPORTN2
6,8 Ground Negative input power. Connected to the source of the internal pass−switch.
RTN 7 Ground DC−DC controller power return. Connected to the drain of the internal pass−switch. It must
be connected to ARTN. This pin is also the drain of the internal pass−switch.
ARTN 14 Ground DC−DC controller ground pin. Must be connected to RTN as a single point ground connection
for improved noise immunity.
VDDH 16 Supply Output of the 9 V LDO internal regulator. Voltage with respect to ARTN. Supplies the internal
gate driver. VDDH must be bypassed to ARTN with a 1 mF or 2.2 mF ceramic capacitor with
low ESR.
VDDL 17 Supply Output of the 3.3 V LDO internal regulator. Voltage with respect to ARTN. This pin can be
used to bias an external low−power LED (1 mA max.) connected to nCLASS_AT, and can
also be used to add extra biasing current in the external opto−coupler. VDDL must be by-
passed to ARTN with a 330 nF or 470 nF ceramic capacitor with low ESR.
CLASS 2 Input Classification current programming pin. Connect a resistor between CLASS and VPORTN1,2.
INRUSH 4 Input Inrush current limit programming pin. Connect a resistor between INRUSH and VPORTN1,2.
ILIM1 5 Input Operational current limit programming pin. Connect a resistor between ILIM1 and
VPORTN1,2.
UVLO 3 Input DC−DC controller under−voltage lockout input. Voltage with respect to VPORTN1,2. Connect
a resistor−divider from VPORTP to UVLO to VPORTN1,2 to set an external UVLO threshold.
GATE 15 Output DC−DC controller gate driver output pin.
OSC 11 Input Internal oscillator frequency programming pin. Connect a resistor between OSC and ARTN.
nCLASS_AT 13 Output,
Open Drain
Active−low, open−drain Layer 1 dual−finger classification indicator.
COMP 18 I/O Output of the internal error amplifier of the DC−DC controller. COMP is pulled−up internally to
VDDL with a 5 kW resistor. In isolated applications, COMP is connected to the collector of the
opto−coupler. Voltage with respect to ARTN.
FB 19 Input DC−DC controller inverting input of the internal error amplifier. In isolated applications, the pin
should be strapped to ARTN to disable the internal error amplifier.
CS 12 Input Current−sense input for the DC−DC controller. Voltage with respect to ARTN.
SS 20 Input Soft−start input for the DC−DC controller. A capacitor between SS and ARTN determines the
soft−start timing.
TEST1 9 Input Digital test pin must always be connected to VPORTN1,2.
TEST2 10 Input Digital test pin must always be connected to VPORTN1,2.
EP Exposed pad. Connected to VPORTN1,2 ground.

NCP1081
http://onsemi.com
6
Table 2. ABSOLUTE MAXIMUM RATINGS
Symbol Parameter Min. Max. Units Conditions
VPORTP Input power supply −0.3 72 V Voltage with respect to VPORTN1,2
RTN
ARTN
Analog ground supply 2 −0.3 72 V Pass−switch in off−state
(Voltage with respect to VPORTN1,2)
VDDH Internal regulator output −0.3 17 V Voltage with respect to ARTN
VDDL Internal regulator output −0.3 3.6 V Voltage with respect to ARTN
CLASS Analog output −0.3 3.6 V Voltage with respect to VPORTN1,2
INRUSH Analog output −0.3 3.6 V Voltage with respect to VPORTN1,2
ILIM1 Analog output −0.3 3.6 V Voltage with respect to VPORTN1,2
UVLO Analog input −0.3 3.6 V Voltage with respect to VPORTN1,2
OSC Analog output −0.3 3.6 V Voltage with respect to ARTN
COMP Analog input / output −0.3 3.6 V Voltage with respect to ARTN
FB Analog input −0.3 3.6 V Voltage with respect to ARTN
CS Analog input −0.3 3.6 V Voltage with respect to ARTN
SS Analog input −0.3 3.6 V Voltage with respect to ARTN
nCLASS_AT Analog output −0.3 3.6 V Voltage with respect to ARTN
TEST1
TEST2
Digital inputs −0.3 3.6 V Voltage with respect to VPORTN1,2
Ta Ambient temperature −40 85 °C
Tj Junction temperature −150 °C
Tj−TSD Junction temperature (Note 1) −175 °CThermal shutdown condition
Tstg Storage Temperature −55 150 °C
TθJA Thermal Resistance,
Junction to Air (Note 2)
37.6 °C/W Exposed pad connected to VPORTN1,2 ground
ESD−HBM Human Body Model 4−kV per JEDEC Standard JESD22
ESD−CDM Charged Device Model 750 −V
ESD−MM Machine Model 300 −V
LU Latch−up ±200 −mA per JEDEC Standard JESD78
ESD−SYS System ESD (contact/air) (Note 3) 8/15 −kV
Stresses exceeding Maximum Ratings may damage the device. Maximum Ratings are stress ratings only. Functional operation above the
Recommended Operating Conditions is not implied. Extended exposure to stresses above the Recommended Operating Conditions may affect
device reliability.
1. Tj−TSD allowed during error conditions only. It is assumed that this maximum temperature condition does not occur more than 1 hour
cumulative during the useful life for reliability reasons.
2. Mounted on a 1S2P (3 layer) test board with copper coverage of 25 percent for the signal layers and 90 percent copper coverage for the
inner planes at an ambient temperature of 85°C in still air. Refer to JEDEC JESD51−7 for details.
3. Surges per EN61000−4−2, 1999 applied between RJ−45 and output ground and between adapter input and output ground of the evaluation
board. The specified values are the test levels and not the failure levels.

NCP1081
http://onsemi.com
7
Recommended Operating Conditions
Operating conditions define the limits for functional operation and parametric characteristics of the device. Note that the
functionality of the device outside the operating conditions described in this section is not warranted. Operating outside the
recommended operating conditions for extended periods of time may affect device reliability.
All values concerning the DC−DC controller, VDDH, VDDL, and nCLASS_AT blocks are with respect to ARTN. All others
are with respect to VPORTN1,2 (unless otherwise noted).
Table 3. OPERATING CONDITIONS
Symbol Parameter Min. Typ. Max. Units Conditions
INPUT SUPPLY
VPORT Input supply voltage 0 57 V VPORT = VPORTP −
VPORTN1,2
SIGNATURE DETECTION
Vsignature Input supply voltage signature detection
range
1.4 9.5 V
Rsignature Signature resistance (Note 4) 23.75 26.25 kW
Offset_current I_VportP + I_Rtn −1.8 5 mAVPORTP = RTN = 1.4 V
Sleep_current I_VportP + I_Rtn −15 25 mAVPORTP = RTN = 9.5 V
CLASSIFICATION
Vcl Input supply voltage classification range 13 20.5 V
V_mark Mark event voltage range
(VPORTP falling)
5.4 −9.7 V
I_mark Current consumption I(VPORTP) +
I(Rdet) in Mark Event range
0.5 −2.0 mA 5.4 V ≤ VPORT ≤ 9.5 V
dR_mark Input signature during Mark Event (Note 7) − − 12 kWFor information only
Vreset Classification Reset range
(VPORTP falling)
4.3 4.9 5.4 V
Iclass0 Class 0: Rclass 10 kW (Note 6) 0−4 mA Iclass0 = I_VportP + I_Rdet
Iclass1 Class 1: Rclass 130 W (Note 6) 9−12 mA Iclass1 = I_VportP + I_Rdet
Iclass2 Class 2: Rclass 69.8 W (Note 6) 17 −20 mA Iclass2 = I_VportP + I_Rdet
Iclass3 Class 3: Rclass 44.2 W (Note 6) 26 −30 mA Iclass3 = I_VportP + I_Rdet
Iclass4 Class 4: Rclass 30.9 W (Note 6) 36 −44 mA Iclass4 = I_VportP + I_Rdet
Iclass5 Class 5: Rclass 22.1 W (Notes 5 and 6)
(for proprietary high power applications)
50 −60 mA Iclass5 = I_VportP + I_Rdet
IDCclass Internal current consumption during classi-
fication (Note 8)
−600 −mAFor information only
CLASSIFICATION INDICATOR
nCLASS_AT_i nCLASS_AT current source 13 20 27 mA
NCLASS_AT_pd RDS,ON of NCLASS_AT pull down
transistor
130 WFor information only
4. Test done according to the IEEE802.3af 2 Point Measurement. The minimum probe voltages measured at the PoE−PD are 1.4 V and 2.4 V,
and the maximum probe voltages are 8.5 V and 9.5 V.
5. This extended classification range can be used with a PSE which also uses this classification range to deliver more current than specified
by IEEE802.3.
6. Measured with an external Rdet of 25.5 kW between VPORTP and VPORTN1,2, and for 13 V < VPORT < 20.5 V (with VPORT = VPORTP
– VPORTN1,2). Resistors are assumed to have 1% accuracy.
7. Measured with the 2 Point Measurement defined in the IEEE802.3af standard with 5.4 V and 9.5 V the extreme values for V2 and V1.
8. This typical current excludes the current in the Rclass and Rdet external resistors.

NCP1081
http://onsemi.com
8
Table 3. OPERATING CONDITIONS
Symbol Parameter Min. Typ. Max. Units Conditions
UVLO
Vuvlo_on Default turn on voltage (VportP rising) −38 40 V UVLO pin tied to VPORTN1,2
Vuvlo_off Default turn off voltage (VportP falling) 29.5 32 −VUVLO pin tied to VPORTN1,2
Vhyst_int UVLO internal hysteresis −6−VUVLO pin tied to VPORTN1,2
Vuvlo_pr UVLO external programming range 25 −50 V UVLO pin connected to the
resistor divider (R1 & R2).
For information only
Vhyst_ext UVLO external hysteresis −15 −%UVLO pin connected to the
resistor divider (R1 & R2)
Uvlo_Filter UVLO on/off filter time −90 −mSFor information only
PASS−SWITCH AND CURRENT LIMITS
Ron Pass−switch Rds−on −0.6 1.2 WMax Ron specified at
Tj = 130°C
I_Rinrush1 Rinrush = 150 kW (Note 9) 95 125 155 mA Measured at RTN−
VPORTN1,2 = 3 V
I_Rinrush2 Rinrush = 57.6 kW (Note 9) 260 310 360 mA Measured at RTN−
VPORTN1,2 = 3 V
I_Rilim1 Rilim1 = 84.5 kW (Note 9) 450 510 570 mA Current limit threshold
I_Rilim2 Rilim1 = 66.5 kW (Note 9) 600 645 690 mA Current limit threshold
I_Rilim3 Rilim1 = 55.6 kW (Note 9) 720 770 820 mA Current limit threshold
I_Rilim4 Rilim1 = 38.3 kW (Note 9) 970 1100 1230 mA Current limit threshold
INRUSH AND ILIM1 CURRENT LIMIT TRANSITION
Vds_pgood VDS required for power good status 0.8 1 1.2 V RTN−VPORTN1,2 falling; Volt-
age with respect to VPORTN1,2
Vds_pgood_hyst VDS hysteresis required for power
good status
−8.2 −VVoltage with respect to
VPORTN1,2
9. The current value corresponds to the PoE−PD input current (the current flowing in the external Rdet and the quiescent current of the device
are included). Resistors are assumed to have 1% accuracy.

NCP1081
http://onsemi.com
9
Table 3. OPERATING CONDITIONS
Symbol Parameter Min. Typ. Max. Units Conditions
VDDH REGULATOR
VDDH_reg Regulator output voltage
(Notes 10 and 11)
Ivddh_load + Ivddl_load < 10 mA
with
0 < Ivddl_load < 2.25 mA
8.4 9 9.6 V
VDDH_Off Regulator turn−off voltage −VDDH_reg
+ 0.5 V
−VFor information only
VDDH_lim VDDH regulator current limit
(Notes 10 and 11)
13 −26 mA
VDDH_Por_R VDDH POR level (rising) 7.3 −8.3 V
VDDH_Por_F VDDH POR level (falling) 6−7 V
VDDH_ovlo VDDH over−voltage level (rising) 16 −18.5 V
VDDL REGULATOR
VDDL_reg Regulator output voltage
(Notes 10 and 11)
0 < Ivddl_load < 2.25 mA
with
Ivddh_load + Ivddl_load < 10 mA
3.05 3.3 3.55 V
VDDL_Por_R VDDL POR level (rising) VDDL
− 0.2
−VDDL
− 0.02
V
VDDL_Por_F VDDL POR level (falling) 2.5 −2.9 V
GATE DRIVER
Gate_Tr GATE rise time (10−90%) − − 50 ns Cload = 2 nF, VDDHreg = 9 V
Gate_Tf GATE fall time (90−10%) − − 50 ns Cload = 2 nF, VDDHreg = 9 V
PWM COMPARATOR
VCOMP COMP control voltage range 1.3 −3 V For information only
ERROR AMPLIFIER
Vbg_fb Reference voltage 1.15 1.2 1.25 V Voltage with respect to ARTN
Av_ol DC open loop gain −80 −dB For information only
GBW Error amplifier GBW 1− − MHz For information only
SOFT−START
Vss Soft−start voltage range −1.15 −V
Vss_r Soft−start low threshold (rising edge) 0.35 0.45 0.55 V
Iss Soft−start source current 357mA
CURRENT LIMIT COMPARATOR
CSth CS threshold voltage 324 360 396 mV
Tblank Blanking time −100 −ns For information only
OSCILLATOR
DutyC Maximum duty cycle −80% −Fixed internally
Frange Oscillator frequency range 100 −500 kHz
F_acc Oscillator frequency accuracy ±25 %
10.Power dissipation must be considered. Load on VDDH and VDDL must be limited especially if VDDH is not powered by an auxiliary winding.
11. Ivddl_load = current flowing out of the VDDL pin.
Ivddh_load = current flowing out of the VDDH pin + current delivered to the Gate Driver (function of the frequency, VDDH voltage & MOSFET
gate capacitance).

NCP1081
http://onsemi.com
10
Table 3. OPERATING CONDITIONS
Symbol Parameter Min. Typ. Max. Units Conditions
CURRENT CONSUMPTION
IvportP1VPORTP internal current consumption
(Note 12)
−2.5 3.5 mA DC−DC controller off
IvportP2VPORTP internal current consumption
(Note 13)
−4.7 6.5 mA DC−DC controller on
THERMAL SHUTDOWN
TSD Thermal shutdown threshold 150 − − °C Tj Tj = junction temperature
Thyst Thermal hysteresis −15 −°C Tj Tj = junction temperature
THERMAL RATINGS
Ta Ambient temperature −40 −85 °C
Tj Junction temperature − − 125
150
°C
°C
Parametric values guaranteed
Max 1000 hours
12.Conditions
a. No current through the pass−switch
b. DC−DC controller inactive (SS shorted to RTN)
c. No external load on VDDH and VDDL
d. VPORTP = 57 V
13.Conditions
a. No current through the pass−switch
b. Oscillator frequency = 100 kHz
c. No external load on VDDH and VDDL
d. Aux winding not used
e. 2 nF on GATE, DC−DC controller enabled
f. VPORTP = 57 V
Ihc CLA§§ pin. Fi
Ihc cla [inn b
as = in
NCP1081
http://onsemi.com
11
DESCRIPTION OF OPERATION
Powered Device Interface
The PD interface portion of the NCP1081 supports the
IEEE802.3af and 802.3at defined operating modes:
detection signature, current source classification, inrush and
operating current limits. In order to give more flexibility to
the user and also to keep control of the power dissipation in
the NCP1081, both current limits are configurable. The
device enters operation once its programmable Vuvlo_on
threshold is reached, and operation ceases when the supplied
voltage falls below the Vuvlo_off threshold. Sufficient
hysteresis and Uvlo filter time are provided to avoid false
power on/off cycles due to transient voltage drops on the
cable.
Detection
During the detection phase, the incremental equivalent
resistance seen by the PSE through the cable must be in the
IEEE802.3af standard specification range (23.75 kW to
26.25 kW) for a PSE voltage from 2.7 V to 10.1 V. In order
to compensate for the non-linear effect of the diode bridge
and satisfy the specification at low PSE voltage, the
NCP1081 presents a suitable impedance in parallel with the
25.5 kW Rdet external resistor connected between VPORTP
and VPORTN. For some types of diodes (especially Schottky
diodes), it may be necessary to adjust this external resistor.
When the Detection_Off level is detected (typically
11.5 V) on VPORTP, the NCP1081 turns on its internal
3.3 V regulator and biasing circuitry in anticipation of the
classification phase as the next step.
Classification
Once the PSE device has detected the PD device, the
classification process begins. The NCP1081 is fully capable
of responding and completing all classification handshaking
procedures as described next.
Classification Current Source Generation
In classification, the PD regulates a constant current
source that is set by the external resistor RCLASS value on
the CLASS pin. Figure 6 shows the schematic overview of
the classification block. The current source is defined as:
Iclass +
Vbg
Rclass
, (where Vbg is 1.2 V)
CLASS
VDDA1
1.2 V
VPORTP
VPORTN1,2 NCP1081
Rclass
Figure 6. Classification Block Diagram
The NCP1081 can handle all defined types of
classification, IEEE802.3af, 802.3at and proprietary
classification.
In the IEEE802.3af standard the classification is
performed with a Single Event Layer 1 classification.
Depending on the current level set during that single event
the power level is determined. The IEEE802.3at standard
allows two ways of classification which can also be
combined. These two approaches enable higher power
applications through a variety of PSE equipment.
For power injectors and midspans a pure physical
hardware handshake is introduced called Two Event Layer 1
classification. This approach allows equipment that has no
data link between PSE and PD to classify as high power.
Since switches can establish a data link between PSE and
PD, a software handshake is possible. This type of
handshake is called Layer 2 classification (or Data Link
Layer classification). It has the main advantage of having a
finer power resolution and the ability for the PSE and PD to
participate in dynamic power allocation.
Table 4. Single and Dual Event Classification
Standard Layer Handshake
802.3af 1 Single event physical classification
802.3at 1 Two event physical classification
802.3at 2 Data-link (IP) communication
classification
One Event Layer 1 Classification
An IEEE802.3af compliant PSE performs only One Event
Layer 1 classification event by increasing the line voltage
into the classification range only once.
Two Event Layer 1 Classification
A IEEE802.3at compliant PSE using this physical
classification performs two classification events and looks
for the appropriate response from the PD to check if the PD
is IEEE802.3at compatible.
The PSE will generate the sequence described in Figure 7.
During the first classification finger, the PSE will measure
the classification current which should be 40 mA if the PD
is at compliant. If this is the case, the PSE will exit the
classification range and will force the line voltage into the
Mark Event range. Within this range, the PSE may check the
non-valid input signature presented by the PD (using the two
point measurement defined in the IEEE802.3af standard).
Then the PSE will repeat the same sequence with the second
classification finger. A PD which has detected the sequence
“Finger + Mark + Finger + Mark” knows the PSE is
IEEE802.3at compliant, meaning the PSE will deliver more
current on the port. (Note that a PSE IEEE802.3at compliant
may apply more than two fingers, but the final result will be
the same as two fingers).
NCP1081
http://onsemi.com
12
Figure 7. Hardware Physical Classification Event Sequence
1st Class Event
Class range
Mark Range
Reset Range
2 Fingers Classification with
0 V
5.4 V
9.5 V
13 V
20.5 V
UVLO_on
Power OnDetection
PSE identified as type 2 PSE (at)
PSE Type identification:
Number of Mark Event: 0 1 2
X
Operation Mode:
Mark Events (.at spec)
1st Mark Event 2nd Class Event 2nd Mark Event
PSE identified by default as type 1 PSE (af)
nCLASS_AT Indicator
The nCLASS_AT active low open drain output pin can be
used to notify to the microprocessor of the powered device
that the PSE performed a one or two event hardware
classification. If a two event hardware classification has
occured and once the PD application is supplied power by
the NCP1081 DC-DC converter, the nCLASS_AT pin will
be pulled down to ARTN by the internal low voltage NMOS
switch (ARTN is the ground connection of the DC-DC
converter). Otherwise, nCLASS_AT will be disabled and
will be pulled up to VDDL (3.3 V typ) via an internal current
source (20 mA typ) and via the external pull-up resistor.
The following scheme illustrates how the nCLASS_AT
pin may be configured with the processor of the powered
device. An opto-coupler is used to guarantee full isolation
between the Ethernet cable and the application.
Figure 8. Isolated nClass_AT Communication with the Powered Device Application
ARTN
NCP1081
nCLASS_AT
Class_AT
VDDL
VDDL
Csup
Powered Device Application
Rled
Opto 1
Rbip
Isolation
VSUP
Microprocessor
Microcontroller
IN1
IN2
GND
Layer 2
Engine
Features
(Isolated DC/DC converter)
or
20 mA
To dctlnc [he UVLO ‘hrcshol
1.2
NCP1081
http://onsemi.com
13
As soon as the application is powered by the DC-DC
converter and completes initialization, the microprocessor
should check if the NCP1081 detected a two event hardware
classification by reading its digital input (pin IN1 in this
example). If pin IN1 is low, the application knows power is
supplied by a IEEE802.3at compliant PSE, and can deliver
power up to the level specified by the IEEE802.3at standard.
Otherwise the application will have to perform a Layer 2
classification with the PSE. There are several scenarios for
which the NCP1081 will not enable its nCLASS_AT pin:
•The PSE skipped the classification phase.
•The PSE performed a one event hardware classification
(it can be a IEEE802.3af or a 802.3at compliant PSE
with Layer 2 engine).
•The PSE performed a two event hardware classification
but it did not properly control the input voltage in the
mark voltage window, (for example it crossed the reset
range).
Power Mode
When the classification hand−shake is completed, the
PSE and PD devices move into the operating mode.
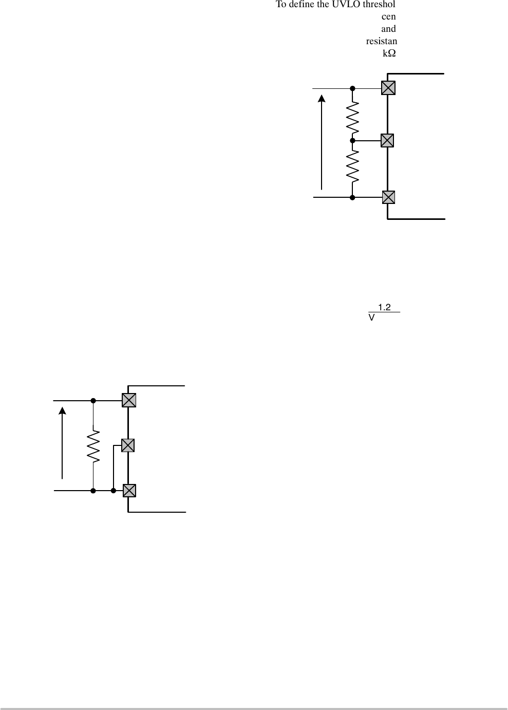
Under Voltage Lock Out (UVLO)
The NCP1081 incorporates an under voltage lock out
(UVLO) circuit which monitors the input voltage and
determines when to apply power to the DC−DC controller.
To use the default settings for UVLO (see Table 3), the pin
UVLO must be connected to VPORTN1,2. In this case the
signature resistor has to be placed directly between
VPORTP and VPORTN1,2, as shown in Figure 9.
Figure 9. Default UVLO Settings
UVLO
VPORTP
VPORTN1,2
NCP1081
VPORT Rdet
To define the UVLO threshold externally, the UVLO pin
must be connected to the center of an external resistor
divider between VPORTP and VPORTN1,2 as shown in
Figure 10. The series resistance value of the external
resistors must add to 25.5 kW and replaces the internal
signature resistor.
Figure 10. External UVLO Configuration
UVLO
VPORTN1,2
NCP1081
VPORT
R2
R1
VPORTP
For a Vuvlo_on desired turn−on voltage threshold, R1 and
R2 can be calculated using the following equations:
R1 )R2 +Rdet
R2 +1.2
Vulvo_on
Rdet
When using the external resistor divider, the NCP1081 has
an external reference voltage hysteresis of 15 percent typical.
Inrush and Operational Current Limitations
The inrush current limit and the operational current limit
are programmed individually by an external Rinrush and
Rilim1 resistors respectively connected between INRUSH
and VPORTN1,2, and between ILIM1 and VPORTN1,2 as
shown in Figure 11.
NCP1081
http://onsemi.com
14
ILIM1 /
INRUSH
VDDA1
Vbg1
VDDA1
VPORTNx
Ilim_ref
NCP1081
Figure 11. Current Limitation Configuration (Inrush & Ilim1 Pins)
Ilim1
Vds_pgood
threshold
VPORTNx
Pass Switch
Inrush
I_pass_switch
NCP1081
RTN
VDS_PGOOD
0
1
VDDA1 VDDA1
1 V / 9.2 V
2 V
Current_limit_ON
&
detector
Figure 12. Inrush and Ilim1 Selection Mechanism
VDDA1
When VPORT reaches the UVLO_on level, the Cpd
capacitor is charged with the INRUSH current (in order to
limit the internal power dissipation of the pass−switch).
Once the Cpd capacitor is fully charged, the current limit
switches from the inrush current to the current limit level
(ilim1) as shown in Figure 12. This transition occurs when
both following conditions are satisfied:
1. The VDS of the pass−switch is below the
Vds_pgood low level (1 V typical).
2. The pass−switch is no longer in current limit
mode, meaning the gate of the pass−switch is
“high” (above 2 V typical).
The operational current limit will stay selected as long as
Vds_pgood is true (meaning that RTN−VPORTN1,2 is
below the high level of Vds_pgood). This mechanism allows
a current level transition without any current spike in the
pass−switch because the operational current limit (ilim1) is
enabled once the pass−switch is not limiting the current
anymore, meaning that the Cpd capacitor is fully charged.
Thermal Shutdown
The NCP1081 includes thermal protection which shuts
down the device in case of high power dissipation. Once the
thermal shutdown (TSD) threshold is exceeded, following
blocks are turned off:
•DC−DC controller
•Pass−switch
•VDDH and VDDL regulators
•CLASS regulator
When the TSD error disappears and if the input line
voltage is still above the UVLO level, the NCP1081
automatically restarts with the current limit set in the inrush
state, the DC−DC controller is disabled and the Css
(soft−start capacitor) discharged. The DC−DC controller
becomes operational as soon as capacitor Cpd is fully
charged.
hllp://onsemi.com
15
NCP1081
http://onsemi.com
15
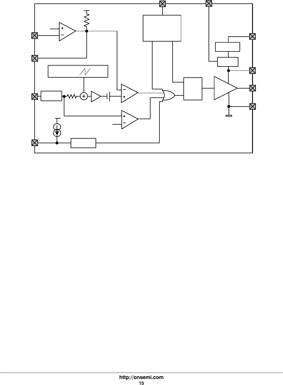
DC−DC Converter Controller
The NCP1081 implements a current mode DC−DC converter controller which is illustrated in Figure 13.
VDDL
FB
CS
360 mV
Oscillator
COMP
SS
Gate
Driver
PWM comp
OSC
VDDL
VDDL
Blanking
time
Current Slope
Compensation
2
Soft−start
R
S
Q
1.45 V
1.2 V
Current limit
comp
0
9 V LDO
3.3 V LDO
GATE
VDDH
ARTN
VPORTP
Set
CLK
Reset
CLK
Figure 13. DC−DC Controller Block Diagram
5 kW
10 mA
11 kW
5 mA
Internal VDDH and VDDL Regulators and Gate Driver
An internal linear regulator steps down the VPORTP
voltage to a 9 V output on the VDDH pin. VDDH supplies
the internal gate driver circuit which drives the GATE pin
and the gate of the external power MOSFET. The NCP1081
gate driver supports an external MOSFET with high Vth and
high input gate capacitance. A second LDO regulator steps
down the VDDH voltage to a 3.3 V output on VDDL. VDDL
powers the analog circuitry of the DC-DC controller and
nCLASS_AT blocks. Moreover it can provide current to
light a LED connected on the nCLASS_AT pin.
In order to prevent uncontrolled operations, both regulators
include power−on−reset (POR) detectors which prevent the
DC−DC controller from operating when either VDDH or
VDDL is too low. In addition, an over−voltage lockout
(OVLO) on the VDDH supply disables the gate driver in case
of an open−loop converter with a configuration using the bias
winding of the transformer (see Figure 4).
Both VDDH and VDDL regulators turn on as soon as
VPORT reaches the Vuvlo_on threshold.
Error Amplifier
In non−isolated converter topologies, the high gain
internal error amplifier of the NCP1081 and the internal
1.2 V reference voltage regulate the DC−DC output voltage.
In this configuration, the feedback loop compensation
network should be inserted between the FB and COMP pins
as shown in Figures 3, 4 and 5.
In isolated topologies the error amplifier is not used
because it is already implemented externally with the shunt
regulator on the secondary side of the DC−DC controller
(see Figure 2). Therefore the FB pin must be strapped to
ARTN and the output transistor of the opto−coupler has to
be connected on the COMP pin where an internal 5 kW
pull−up resistor is tied to the VDDL supply (see Figure 13).
Soft−Start
The soft−start function provided by the NCP1081 allows
the output voltage to ramp up in a controlled fashion,
eliminating output voltage overshoot. This function is
programmed by connecting a capacitor CSS between the SS
and ARTN pins.
While the DC−DC controller is in POR, the capacitor CSS
is fully discharged. After coming out of POR, an internal
current source of 5 mA typically starts charging the capacitor
CSS to initiate soft−start. When the voltage on SS pin has
reached 0.45 V (typical), the gate driver is enabled and
DC−DC operation starts with a duty cycle limit which
increases with the SS pin voltage. The soft−start function is
finished when the SS pin voltage goes above 1.6 V for which
the duty cycle limit reaches its maximum value of 80
percent.
Soft−start can be programmed by using the following
equation:
tSS(ms) +0.23 CSS(nF)
FOSC(kHz)
NCP1081
http://onsemi.com
16
Current Limit Comparator
The NCP1081 current limit block behind the CS pin
senses the current flowing in the external MOSFET for
current mode control and cycle−by−cycle current limit. This
is performed by the current limit comparator which, on the
CS pin, senses the voltage across the external Rcs resistor
located between the source of the MOSFET and the ARTN
pin.
The NCP1081 also provides a blanking time function on
CS pin which ensures that the current limit and PWM
comparators are not prematurely trigged by the current spike
that occurs when the switching MOSFET turns on.
Slope Compensation Circuitry
To overcome sub−harmonic oscillations and instability
problems that exist with converters running in continuous
conduction mode (CCM) and when the duty cycle is close
or above 50 percent, the NCP1081 integrates a current slope
compensation circuit. The amplitude of the added slope
compensation is typically 110 mV over one cycle.
As an example, for an operating switching frequency of
250 kHz, the internal slope provided by the NCP1081 is
27.5 mV/ mA typically.
DC−DC Controller Oscillator
The frequency is configured with the Rosc resistor
inserted between OSC and ARTN, and is defined by the
following equation:
ROSC(kW)+38600
FOSC(kHz)
The duty cycle limit is fixed internally at 80 percent.
mm
@020 CAB D
:"gmH H H H H
EH
TOP VIEW
Mr; H
Li :1: .
H};
«a»
>+b1+1
II
71—17
mm
SIDE VIEW
TES
DLMENSLDNLN
w 4 SM. ‘594
CONTROLUNG DLMENSLDN MLLLLMETERS
DLMENSLDN b DDES NOT LNCLDDE DAMEAR
FRDTRDSLDN ALLDWARLE DAMEAR FRDTRDSLDN
SHALL BE u D7 w ExcESS DF IHE LEAD WLDTH AI
MMC DAMDAR CANNOT BE LOACTED ON THE
LDWER RADLDS DR THE FOOT oF THE LEAD
4 DLMENSLDNS h m c a To BE MEASURED BEF
TWEEN D H) AND a 25 FROM LEAD up
5 DAmMS A AND B ARE ARE DETERMLNED AI DATUM
H DAIUM H LS LOACTED AT IHE MOLD PARTLND
UNE AND cowcLDEm WLTH LEAD WHERE IHE
LEAD Est THE RLASnc army
5 DLMENSLDN D DOES NOT LNcLuDE MOLD FLASH
FRDTRDSLDNS OR GAVE BURRS MOLD FLASH
FRDTRDSLDNS OR GATE DDRRS SHALL Not
ExcEED D ‘5 PER SLDE DLMENSLDN E‘ DoES NOT
LNcLuDE INIERLEAD FLASH DR PRDTRUSLDN wr
TERLEAD FLASH 0R FROTRUSION SHALL NOT EXF
cEED D ‘5 PER SLDE D AND E ARE DEIERMINED
SECTION 5-5 M DATUM H
W
7 \\M A , Hn
* M L L,
L, .,
A a nmuLAJ 7| L. my n25
ENDVIEW a nu! ms
E1 un‘ osn
- mu: |. nsnL m
DETAILA
SOLDERING FOOTPRINT“
430
77M
M
I
‘ f
\
+
\
0.6544 k
DJ
IJIJD
4L
H
zux
0.35
PITCH
http://onsem am
17
DLMENSLDNS MILUMEIERS
NCP1081
http://onsemi.com
17
PACKAGE DIMENSIONS
TSSOP−20 EP
CASE 948AB−01
ISSUE O
DIM
D
MIN MAX
6.60
MILLIMETERS
E1 4.30 4.50
A1.10
A1 0.05 0.15
L0.50 0.70
e0.65 BSC
P--- 4.20
c0.09 0.20
c1 0.09 0.16
b0.19 0.30
b1 0.19 0.25
L2 0.25 BSC
M0 8
__
NOTES:
1. DIMENSIONING AND TOLERANCING PER ASME
Y14.5M, 1994.
2. CONTROLLING DIMENSION: MILLIMETERS.
3. DIMENSION b DOES NOT INCLUDE DAMBAR
PROTRUSION. ALLOWABLE DAMBAR PROTRUSION
SHALL BE 0.07 IN EXCESS OF THE LEAD WIDTH AT
MMC. DAMBAR CANNOT BE LOACTED ON THE
LOWER RADIUS OR THE FOOT OF THE LEAD.
4. DIMENSIONS b, b1, c, c1 TO BE MEASURED BE-
TWEEN 0.10 AND 0.25 FROM LEAD TIP.
5. DATUMS A AND B ARE ARE DETERMINED AT DATUM
H. DATUM H IS LOACTED AT THE MOLD PARTING
LINE AND COINCIDENT WITH LEAD WHERE THE
LEAD EXITS THE PLASTIC BODY.
6. DIMENSION D DOES NOT INCLUDE MOLD FLASH,
PROTRUSIONS OR GATE BURRS. MOLD FLASH,
PROTRUSIONS OR GATE BURRS SHALL NOT
EXCEED 0.15 PER SIDE. DIMENSION E1 DOES NOT
INCLUDE INTERLEAD FLASH OR PROTRUSION. IN-
TERLEAD FLASH OR PROTRUSION SHALL NOT EX-
CEED 0.15 PER SIDE. D AND E1 ARE DETERMINED
AT DATUM H.
PIN 1
REFERENCE
D
E1
0.08
A
SECTION B−B
b
b1
cc1
SEATING
PLANE
20X b
E
e
DETAIL A
6.40
---
4.30
20X
0.98
20X
0.35
0.65
DIMENSIONS: MILLIMETERS
PITCH
SOLDERING FOOTPRINT*
L
L2 GAUGE
DETAIL A
e/2
DETAIL B
A2 0.85 0.95
E6.40 BSC
P1 --- 3.00
PLANE
SEATING
PLANE
C
H
B
B
B
M
END VIEW
A-B
M
0.10 DC
TOP VIEW
SIDE VIEW
A-B0.20 D
C
110
1120
B
A
D
DETAIL B
2X 10 TIPS
A1
A2
C
0.05 C
C
P
P1
BOTTOM VIEW
3.106.76
20X
*For additional information on our Pb−Free strategy and soldering
details, please download the ON Semiconductor Soldering and
Mounting Techniques Reference Manual, SOLDERRM/D.
m J
and
NCP1081
http://onsemi.com
18
ON Semiconductor and are registered trademarks of Semiconductor Components Industries, LLC (SCILLC). SCILLC owns the rights to a number of patents, trademarks,
copyrights, trade secrets, and other intellectual property. A listing of SCILLC’s product/patent coverage may be accessed at www.onsemi.com/site/pdf/Patent−Marking.pdf. SCILLC
reserves the right to make changes without further notice to any products herein. SCILLC makes no warranty, representation or guarantee regarding the suitability of its products for any
particular purpose, nor does SCILLC assume any liability arising out of the application or use of any product or circuit, and specifically disclaims any and all liability, including without
limitation special, consequential or incidental damages. “Typical” parameters which may be provided in SCILLC data sheets and/or specifications can and do vary in different applications
and actual performance may vary over time. All operating parameters, including “Typicals” must be validated for each customer application by customer’s technical experts. SCILLC
does not convey any license under its patent rights nor the rights of others. SCILLC products are not designed, intended, or authorized for use as components in systems intended for
surgical implant into the body, or other applications intended to support or sustain life, or for any other application in which the failure of the SCILLC product could create a situation where
personal injury or death may occur. Should Buyer purchase or use SCILLC products for any such unintended or unauthorized application, Buyer shall indemnify and hold SCILLC and
its officers, employees, subsidiaries, affiliates, and distributors harmless against all claims, costs, damages, and expenses, and reasonable attorney fees arising out of, directly or indirectly,
any claim of personal injury or death associated with such unintended or unauthorized use, even if such claim alleges that SCILLC was negligent regarding the design or manufacture
of the part. SCILLC is an Equal Opportunity/Affirmative Action Employer. This literature is subject to all applicable copyright laws and is not for resale in any manner.
PUBLICATION ORDERING INFORMATION
N. American Technical Support: 800−282−9855 Toll Free
USA/Canada
Europe, Middle East and Africa Technical Support:
Phone: 421 33 790 2910
Japan Customer Focus Center
Phone: 81−3−5817−1050
NCP1081/D
LITERATURE FULFILLMENT:
Literature Distribution Center for ON Semiconductor
P.O. Box 5163, Denver, Colorado 80217 USA
Phone: 303−675−2175 or 800−344−3860 Toll Free USA/Canada
Fax: 303−675−2176 or 800−344−3867 Toll Free USA/Canada
Email: orderlit@onsemi.com
ON Semiconductor Website: www.onsemi.com
Order Literature: http://www.onsemi.com/orderlit
For additional information, please contact your local
Sales Representative
Products related to this Datasheet
IC POE CNTRL 1 CHANNEL 20TSSOP
IC POE CNTRL 1 CHANNEL 20TSSOP
IC POE CNTRL 1 CHANNEL 20TSSOP
EVAL BOARD FOR NCP1081SPCG
IC POE CNTRL 1 CHANNEL 20TSSOP