—
MRF6V12500H
5, 7/2016
‘/Rol-ls
MRF6V12500H MRF6V12500HS MRF6V12500GS
1
RF Device Data
Freescale Semiconductor, Inc.
RF Power LDMOS Transistors
N--Channel Enhancement--Mode Lateral MOSFETs
These RF power transistors are designed for applications operating at
frequencies between 960 and 1215 MHz such as distance measuring
equipment (DME), transponders and secondary radars for air traffic control.
These devices are suitable for use in pulse applications, including Mode S
ELM.
Typical Pulse Performance: VDD =50Volts,I
DQ = 200 mA
Application Signal Type
Pout (1)
(W)
Freq.
(MHz)
Gps
(dB)
D
(%)
Narrowband
Short Pulse
Pulse
(128 sec, 10% Duty Cycle)
500 Peak 1030 19.7 62.0
Narrowband
Mode S ELM
Pulse
(48 (32 sec on, 18 sec off),
Period 2.4 msec,
6.4% Long--term Duty Cycle)
500 Peak 1030 19.7 62.0
Broadband Pulse
(128 sec, 10% Duty Cycle)
500 Peak 960--1215 18.5 57.0
1. Minimum output power for each specified pulse condition.
Capable of Handling 10:1 VSWR @ 50 Vdc, 1030 MHz, 500 Watts Peak
Power
Features
Characterized with Series Equivalent Large--Signal Impedance Parameters
Internally Matched for Ease of Use
Qualified up to a Maximum of 50 VDD Operation
Integrated ESD Protection
Greater Negative Gate--Source Voltage Range for Improved Class C
Operation
Document Number: MRF6V12500H
Rev. 5, 7/2016
Freescale Semiconductor
Technical Data
960--1215 MHz, 500 W, 50 V
PULSE
RF POWER LDMOS TRANSISTORS
MRF6V12500H
MRF6V12500HS
MRF6V12500GS
NI--780S--2L
MRF6V12500HS
NI--780H--2L
MRF6V12500H
Figure 1. Pin Connections
(Top View)
Gate 21
Drain
NI--780GS--2L
MRF6V12500GS
Note: The backside of the package is the
source terminal for the transistor.
Freescale Semiconductor, Inc., 2009--2010, 2012, 2015--2016.
A
ll rights reserved.
mtg.//www.nxg.com/RF/ca\culamrs
hug [[wwwnxgcomLRF
2
RF Device Data
Freescale Semiconductor, Inc.
MRF6V12500H MRF6V12500HS MRF6V12500GS
Table 1. Maximum Ratings
Rating Symbol Value Unit
Drain--Source Voltage VDSS --0.5, +110 Vdc
Gate--Source Voltage VGS --6.0, +10 Vdc
Storage Temperature Range Tstg -- 65 to +150 C
Case Operating Temperature TC150 C
Operating Junction Temperature (1,2) TJ225 C
Table 2. Thermal Characteristics
Characteristic Symbol Value (2,3) Unit
Thermal Impedance, Junction to Case
Case Temperature 80C, 500 W Peak, 128 sec Pulse Width, 10% Duty Cycle ZJC 0.044 C/W
Table 3. ESD Protection Characteristics
Test Methodology Class
Human Body Model (per JESD22--A114) 2, passes 2600 V
Machine Model (per EIA/JESD22--A115) B, passes 200 V
Charge Device Model (per JESD22--C101) IV, passes 2000 V
Table 4. Electrical Characteristics (TA=25C unless otherwise noted)
Characteristic Symbol Min Typ Max Unit
Off Characteristics
Gate--Source Leakage Current
(VGS =5Vdc,V
DS =0Vdc)
IGSS — — 10 Adc
Drain--Source Breakdown Voltage
(VGS =0Vdc,I
D= 200 mA)
V(BR)DSS 110 — — Vdc
Zero Gate Voltage Drain Leakage Current
(VDS =50Vdc,V
GS =0Vdc)
IDSS — — 20 Adc
Zero Gate Voltage Drain Leakage Current
(VDS =90Vdc,V
GS =0Vdc)
IDSS — — 200 Adc
On Characteristics
Gate Threshold Voltage
(VDS =10Vdc,I
D=1.32mA)
VGS(th) 0.9 1.7 2.4 Vdc
Gate Quiescent Voltage
(VDD =50Vdc,I
D= 200 mAdc, Measured in Functional Test)
VGS(Q) 1.7 2.4 3.2 Vdc
Drain--Source On--Voltage
(VGS =10Vdc,I
D=3.26Adc)
VDS(on) —0.25 —Vdc
Dynamic Characteristics (4)
Reverse Transfer Capacitance
(VDS =50Vdc30 mV(rms)ac @ 1 MHz, VGS =0Vdc)
Crss —0.2 —pF
Output Capacitance
(VDS =50Vdc30 mV(rms)ac @ 1 MHz, VGS =0Vdc)
Coss —697 —pF
Input Capacitance
(VDS =50Vdc,V
GS =0Vdc30 mV(rms)ac @ 1 MHz)
Ciss —1391 —pF
1. Continuous use at maximum temperature will affect MTTF.
2. MTTF calculator available at http://www.nxp.com/RF/calculators.
3. Refer to AN1955, Thermal Measurement Methodology of RF Power Amplifiers. Go to http://www.nxp.com/RF and search for AN1955.
4. Part internally matched both on input and output.
(continued)

MRF6V12500H MRF6V12500HS MRF6V12500GS
3
RF Device Data
Freescale Semiconductor, Inc.
Table 4. Electrical Characteristics (TA=25C unless otherwise noted) (continued)
Characteristic Symbol Min Typ Max Unit
Functional Tests (In Freescale Narrowband Test Fixture, 50 ohm system) VDD =50Vdc,I
DQ = 200 mA, Pout = 500 W Peak (50 W Avg.),
f = 1030 MHz, 128 sec Pulse Width, 10% Duty Cycle
Power Gain Gps 18.5 19.7 22.0 dB
Drain Efficiency D58.0 62.0 — %
Input Return Loss IRL — -- 1 8 -- 9 dB
Typical Broadband Performance — 960--1215 MHz (In Freescale 960--1215 MHz Test Fixture, 50 ohm system) VDD =50Vdc,
IDQ = 200 mA, Pout = 500 W Peak (50 W Avg.), f = 960--1215 MHz, 128 sec Pulse Width, 10% Duty Cycle
Power Gain Gps —18.5 —dB
Drain Efficiency D—57.0 — %
Table 5. Ordering Information
Device Tape and Reel Information Package
MRFE6V12500HR5
R5 Suffix = 50 Units, 56 mm Tape Width, 13--inch Reel
NI--780H--2L
MRFE6V12500HSR5 NI--780S--2L
MRFE6V12500GSR5 NI--780GS--2L
M: r []-.. ._
[1
mm
W
G? H}?
<59 m="" in="" —="" wt="" 1°?="">59>4
RF Device Data
Freescale Semiconductor, Inc.
MRF6V12500H MRF6V12500HS MRF6V12500GS
Figure 2. MRF6V12500H(HS) Test Circuit Schematic
Z11 0.161” x 1.500Microstrip
Z12 0.613” x 1.281Microstrip
Z13 0.248” x 0.865Microstrip
Z14 0.087” x 0.425Microstrip
Z15 0.309” x 0.090Microstrip
Z16 0.193” x 0.516Microstrip
Z17 0.279” x 0.080Microstrip
Z18 0.731” x 0.080Microstrip
Z19, Z21 0.507” x 0.040Microstrip
PCB Arlon CuClad 250GX--0300--55--22, 0.030,r=2.55
Z1 0.457x 0.080Microstrip
Z2 0.250x 0.080Microstrip
Z3 0.605x 0.040Microstrip
Z4 0.080x 0.449Microstrip
Z5 0.374x 0.608Microstrip
Z6 0.118x 1.252Microstrip
Z7 0.778x 1.710Microstrip
Z8 0.095x 1.710Microstrip
Z9, Z20 0.482x 0.050Microstrip
Z10 0.138x 1.500Microstrip
Z1
RF
INPUT
C1
Z2 Z4
DUT
C2
RF
OUTPUT
VBIAS
VSUPPLY
C8
C5 C12 C14
+
Z16
R3
Z3
C15
+
Z5
C7
Z15Z14Z13Z12Z11Z10
Z8Z7Z6
Z9
Z19
R1
C9
Z20
Z21
Z17 Z18
C6 C16
C3
C11 C10
R2
C4
R4
C13
Table 6. MRF6V12500H(HS) Test Circuit Component Designations and Values
Part Description Part Number Manufacturer
C1, C2 5.1 pF Chip Capacitors ATC100B5R1CT500XT ATC
C3, C4, C5, C6 33 pF Chip Capacitors ATC100B330JT500XT ATC
C7, C10 10 F, 50 V Chip Capacitors GRM55DR61H106KA88L Murata
C8,C11,C13,C16 2.2 F, 100 V Chip Capacitors 2225X7R225KT3AB ATC
C9 22 F, 25 V Chip Capacitor TPSD226M025R0200 AVX
C12 1F, 100 V Chip Capacitor GRM31CR72A105KA01L Murata
C14, C15 470 F, 63 V Electrolytic Capacitors MCGPR63V477M13X26--RH Multicomp
R1, R2 56 , 1/4 W Chip Resistors CRCW120656R0FKEA Vishay
R3, R4 0, 3 A Chip Resistors CRCW12060000Z0EA Vishay
335mwnewwmayom”ZS”MMmmammowasn
E 65‘
mmmwmwmw
Xmmmmmmmmu
in
’vo
:1’ 1min" ®
(+1
MRF6V12500H MRF6V12500HS MRF6V12500GS
5
RF Device Data
Freescale Semiconductor, Inc.
Figure 3. MRF6V12500H(HS) Test Circuit Component Layout
R3
CUT OUT AREA
MRF6V12500H Rev. 1
C9 C8 C7 C3
R1
C1
R4
C11 C10
R2
C4 C6
C16
C2
C12
C5 C13
C14
C15
6
RF Device Data
Freescale Semiconductor, Inc.
MRF6V12500H MRF6V12500HS MRF6V12500GS
TYPICAL CHARACTERISTICS
50
0.1
10000
02010
VDS, DRAIN--SOURCE VOLTAGE (VOLTS)
Figure 4. Capacitance versus Drain--Source Voltage
C, CAPACITANCE (pF)
30
Ciss
10
1
40
Coss
Crss
Measured with 30 mV(rms)ac @ 1 MHz
VGS =0Vdc
100
0
160
0
VDD =50Vdc,I
DQ = 200 mA
f = 1030 MHz, Pulse Width = 128 sec
10
100
DUTY CYCLE (%)
Figure 5. Safe Operating Area
MAXIMUM OPERATING Tcase (C)
25
140
120
80
60
40
20
52015
Pout = 525 W
Pout = 475 W
Pout = 500 W
22
30
0
100
21
20
80
60
50
40
Pout, OUTPUT POWER (WATTS) PEAK
Figure 6. Power Gain and Drain Efficiency
versus Output Power
Gps, POWER GAIN (dB)
D, DRAIN EFFICIENCY (%)
D
14
1000
Gps
18
VDD =50Vdc,I
DQ = 200 mA, f = 1030 MHz
Pulse Width = 128 sec, Duty Cycle = 10%
62
30
55
54
53
Pin, INPUT POWER (dBm) PEAK
Figure 7. Output Power versus Input Power
56
52
51
50
49
32 34 36 38 40 42
Pout, OUTPUT POWER (WATTS) PEAK
P3dB = 57.6 dBm (575 W)
Actual
Ideal
P1dB = 57.1 dBm (511 W)
VDD =50Vdc,I
DQ = 200 mA, f = 1030 MHz
Pulse Width = 128 sec, Duty Cycle = 10%
57
58
59
17
22
30
21
Pout, OUTPUT POWER (WATTS) PEAK
Figure 8. Power Gain versus Output Power
Gps, POWER GAIN (dB)
100
20
IDQ = 800 mA
1000
600 mA
19
18
200 mA
VDD = 50 Vdc, f = 1030 MHz
Pulse Width = 128 sec, Duty Cycle = 10%
Figure 9. Power Gain versus Output Power
Pout, OUTPUT POWER (WATTS) PEAK
Gps, POWER GAIN (dB)
VDD =30V
12
22
30
16
21
35 V
20
45 V
100 1000
50 V
19
18
17
40 V
IDQ = 200 mA, f = 1030 MHz
Pulse Width = 128 sec
Duty Cycle = 10%
1000
19
16
17
15
70
30
20
10
60
61
400 mA
13
15
14
mth/wwwnxp cam/RF/ca‘cu‘amvs
MRF6V12500H MRF6V12500HS MRF6V12500GS
7
RF Device Data
Freescale Semiconductor, Inc.
TYPICAL CHARACTERISTICS
12
0
700
062
500
400
Pin, INPUT POWER (dBm) PEAK
Figure 10. Output Power versus Input Power
Pout, OUTPUT POWER (WATTS) PEAK
48
600
10
TC=--30_C
VDD =50Vdc,I
DQ = 200 mA, f = 1030 MHz
Pulse Width = 128 sec, Duty Cycle = 10%
85_C
55_C
25_C
14
22
30
0
80
100
60
50
Pout, OUTPUT POWER (WATTS) PEAK
Figure 11. Power Gain and Drain Efficiency versus
Output Power
Gps, POWER GAIN (dB)
D, DRAIN EFFICIENCY (%)
D
21
1000
25_C
TC=--30_C
85_C
40
20
18 55_C
VDD =50Vdc,I
DQ = 200 mA, f = 1030 MHz
Pulse Width = 128 sec, Duty Cycle = 10%
Gps
200
100
300
19
16
17
15
70
30
20
10
250
109
90
TJ, JUNCTION TEMPERATURE (C)
Figure 12. MTTF versus Junction Temperature
Note: MTTF value represents the total cumulative operating time
under indicated test conditions.
MTTF calculator available at http://www.nxp.com/RF/calculators.
107
106
105
110 130 150 170 190
MTTF (HOURS)
210 230
108
VDD =50Vdc
Pout = 500 W Peak
Pulse Width = 128 sec
Duty Cycle = 10%
D= 62%
VDD =50Vdc,I
DQ = 200 mA, Pout = 500 W Peak
f
MHz
Zsource
Zload
1030 1.36 -- j1.27 2.50 -- j0.17
Zsource = Test circuit impedance as measured from
gate to ground.
Zload = Test circuit impedance as measured from
drain to ground.
Figure 13. Series Equivalent Source and Load Impedance
Input
Matching
Network
Device
Under
Test
Output
Matching
Network
Zsource Zload
8
RF Device Data
Freescale Semiconductor, Inc.
MRF6V12500H MRF6V12500HS MRF6V12500GS
Figure 14. MRF6V12500H(HS) Test Circuit Component Layout — 960--1215 MHz
R1
C10
CUT OUT AREA
MRF6V12500
Rev. 1
R2
C7
C5
C3
C2
C1
C6
C4
C12
C14
C16
C8
C17
C18
C15
C13
C9
C11
Table 7. MRF6V12500H(HS) Test Circuit Component Designations and Values — 960--1215 MHz
Part Description Part Number Manufacturer
C1 2.2 pF Chip Capacitor ATC100B2R2JT500XT ATC
C2 0.2 pF Chip Capacitor ATC100B0R2BT500XT ATC
C3, C4 33 pF Chip Capacitors ATC100B330JT500XT ATC
C5, C6, C11, C12 2.2 F, 100 V Chip Capacitors G2225X7R225KT3AB ATC
C7 22 F, 35 V Tantalum Capacitor T491X226K035AT Kemet
C8 8.2 pF Chip Capacitor ATC100B8R2CT500XT ATC
C9, C10 39 pF Chip Capacitors ATC100B390JT500XT ATC
C13, C14 0.022 F, 100 V Chip Capacitors C1825C223K1GAC Kemet
C15, C16 0.10 F, 100 V Chip Capacitors C1812F104K1RAC Kemet
C17, C18 470 F, 63 V Electrolytic Capacitors MCGPR63V477M13X26--RH Multicomp
R1, R2 22 , 1/4 W Chip Resistors CRCW120622R0FKEA Vishay
PCB 0.030,r=2.55 AD255A Arlon
MHz ‘
\\
IISD
\ as
\\
g
MRF6V12500H MRF6V12500HS MRF6V12500GS
9
RF Device Data
Freescale Semiconductor, Inc.
TYPICAL CHARACTERISTICS — 960--1215 MHz
Gps, POWER GAIN (dB)
1300900
IRL
Gps
f, FREQUENCY (MHz)
Figure 15. Power Gain, Drain Efficiency and IRL
versus Frequency
1150110010501000950
20
18
-- 2 0
66
62
0
-- 1 0
D, DRAIN
EFFICIENCY (%)
D
15
14
11
10
19
17
16 58
13
12
1200 1250
VDD =50Vdc,P
out = 500 W Peak (50 W Avg.), IDQ = 200 mA
Pulse Width = 128 sec, Duty Cycle = 10%
600
17
22
40
65
Pout, OUTPUT POWER (WATTS) PEAK
Figure 16. Power Gain and Drain Efficiency versus
Output Power
VDD =50Vdc
IDQ = 200 mA
Pulse Width = 128 sec
Duty Cycle = 10%
400200
21
20
19
18
60
55
50
45
DDRAIN EFFICIENCY (%)
Gps
D
Gps, POWER GAIN (dB)
64
60
56
-- 5
-- 1 5
IRL, INPUT RETURN
LOSS (dB)
250 300 350 450 500 550
1150 MHz
1030 MHz
960 MHz
1215 MHz
1150 MHz
1030 MHz
960 MHz
1215 MHz
=
4%)
m-mzuq h M comm"
10
RF Device Data
Freescale Semiconductor, Inc.
MRF6V12500H MRF6V12500HS MRF6V12500GS
Zo=5
Zload
f = 1215 MHz
f = 960 MHz
Zsource
f = 960 MHz
f = 1215 MHz
VDD =50Vdc,I
DQ = 200 mA, Pout = 500 W Peak
f
MHz
Zsource
Zload
960 2.25 -- j1.78 1.38 -- j1.53
1030 2.51 -- j1.02 1.48 -- j1.11
1090 2.69 -- j0.73 1.51 -- j0.78
1150 2.71 -- j0.65 1.53 -- j0.49
1215 2.48 -- j0.76 1.53 -- j0.33
Zsource = Test circuit impedance as measured from
gate to ground.
Zload = Test circuit impedance as measured from
drain to ground.
Figure 17. Series Equivalent Source and Load Impedance — 960--1215 MHz
Input
Matching
Network
Device
Under
Test
Output
Matching
Network
Zsource Zload
r—I
IE:
2x «so
la
fi
3 j
(FLANGE) + %
i 3
x+
M (INSULATDR)
N (LID)
i_i_fil=lfi i
I
a
EH
SEATING
PLANE
(FLANGE)
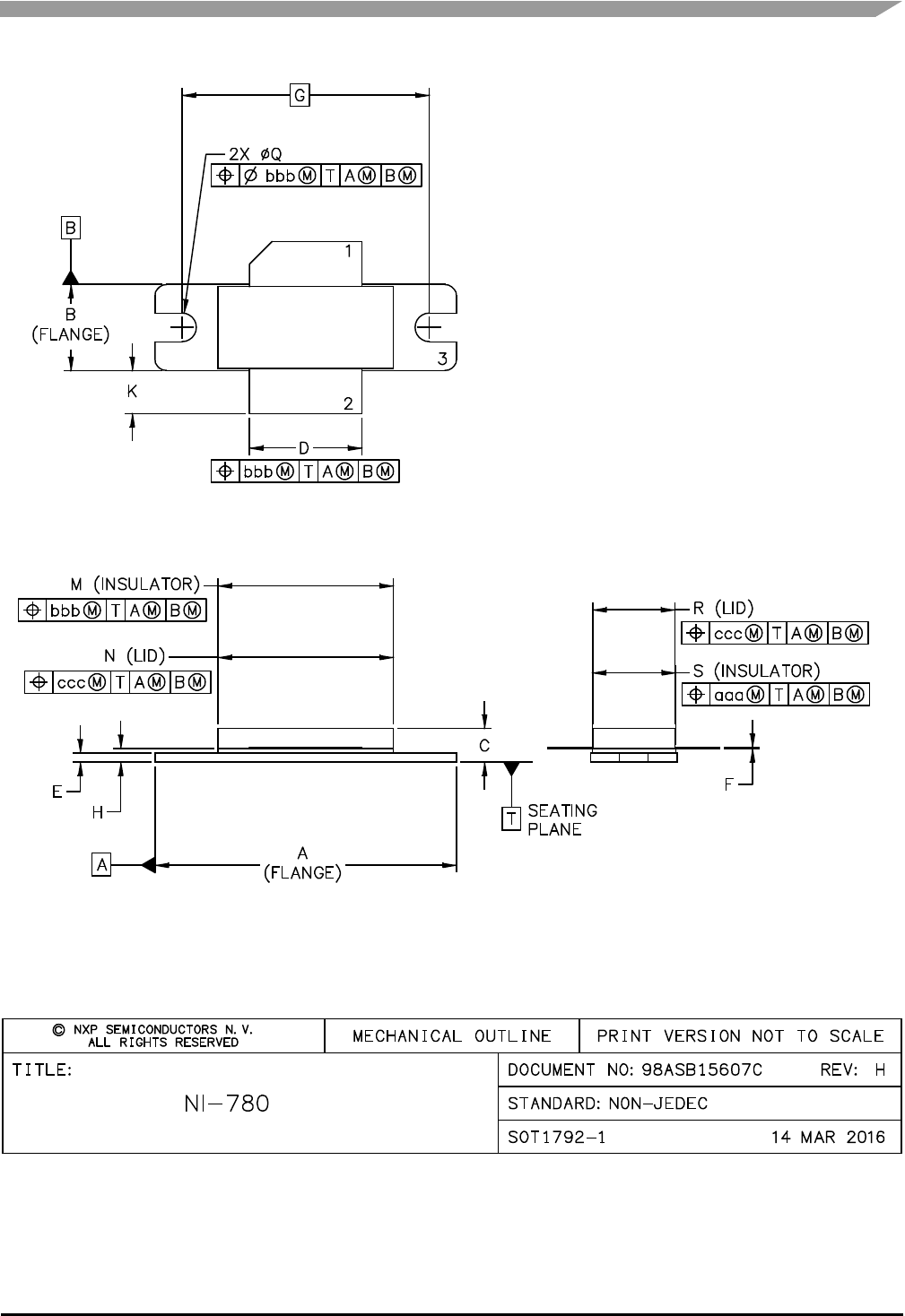
@ “XSLEE§{§§$§“§ET§§§V§5V' MECHANICAL OUTLINE PRINT VERSION NOT To SCALE
TITLE: DOCUMENT NO: 93A8515607C REV: H
N‘7780 STANDARD: NONiJEDEC
SOT179271 14 MAR 2016
MRF6V12500H MRF6V12500HS MRF6V12500GS
11
RF Device Data
Freescale Semiconductor, Inc.
PACKAGE DIMENSIONS
N
OTES:
DIMENSIONING AND TOLERANCING PER ANSI Y‘I4.5M7‘1994.
2. CONTROLLING DIMENSION: INCH.
3. DELETED
4. DIMENSION H Is MEASURED .030 (.762) AWAY FROM PACKAGE BODY.
STYLE 1:
PIN 1. DRAIN
2. GATE
3. SOURCE
INCH MILLIMETER INCH MILLIMETER
DIM MIN MAX MIN MAX DIM MIN MAX MIN MAX
A 1.335 — 1.345 33.91 — 34.16 R .365 7 .375 9.27 7 9.53
B .380 7 .390 9.65 7 9.91 s .365 7 .375 9.27 7 9.52
C .125 7 .170 3.18 7 4.32 000 — .005 — — 0.127 —
D .495 7 .505 12.57 7 12.83 bbb 7 .010 7 7 0.254
E .035 7 .045 0.89 7 1.14 Ccc 7 .015 7 7 0.381 7
F .003 7 .005 0.05 7 0.15 7 _ _ _ _ _ _
G 1.100 850 27.94 856 — 7 7 7 7 7
H .057 — .067 1.45 _ 1.7 — _ _ _ _ _ _
K .170 7 .210 4.32 7 5.33 7 _ _ _ _ _ _
M .774 7 .780 19.66 7 19.96 — 7 7 7 7 7
N .772 7 .788 19.6 7 20 — 7 7 _ _ _ _
Q 0.118 7 0.138 933 7 933.51 7 7 7 7 _ _ _
0 ”Xfifzgfgifimgg’QSEQ-V- MECHANICAL OUTLINE PRINT VERSION NOT T0 SCALE
TITLE: DOCUMENT N0:98ASB15607C REV: H
NI—780
STANDARD: NONidEDEC
SOT17927‘I
14 MAR 2016
12
RF Device Data
Freescale Semiconductor, Inc.
MRF6V12500H MRF6V12500HS MRF6V12500GS
4XU
(FLANGE) / 1
A
E
(FLANGE)
ZXK
2
4x 2 (LTD)
I L—ALD
FC
R (LID)
s (INSULATOR)
La;
A
(FLANGE)
I
I
-n
|_,._
SEATING
PLANE
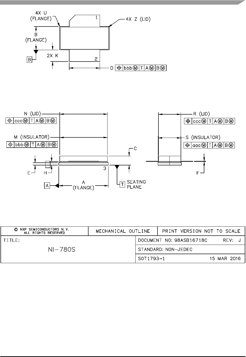
Q NXF SEMICONDUCTORS N. v.
ALL RIGHTS RESERVED
MECHANICAL OUTLINE PRINT VERSION NOT TO SCALE
TITLE:
N|77BOS
DOCUMENT NO: QEASE‘16718C REV: J
STANDARD: NONnJEDEC
SOT1793—1 15 MAR 2016
MRF6V12500H MRF6V12500HS MRF6V12500GS
13
RF Device Data
Freescale Semiconductor, Inc.

14
RF Device Data
Freescale Semiconductor, Inc.
MRF6V12500H MRF6V12500HS MRF6V12500GS
4X2
(FLANGE) 1
‘ E;
EB T F
(FLANGE) - -
El 2 i , i
GAGE PLANE DETAIL "Y"
N (LTD)
‘ DETAIL "Y"
s (INSULATOR)
AA
(FLANGE) —’ 514’
@ “XKLEE;‘{§£$§“§ET§§§V§5V- MECHANICAL OUTLINE PRINT VERSION NOT To SCALE
TITLE: DOCUMENT NO: 98ASA001930 REV: c
N|7780087 2L STANDARD: NONiJEDEC
SOTlBOZ—l 22 FEB 2016
MRF6V12500H MRF6V12500HS MRF6V12500GS
15
RF Device Data
Freescale Semiconductor, Inc.
NOTES:
1. DTMENSTONTNG AND TOLERANCING PER ANSI Y14.5M7T994.
2. CONTROLLTNG DIMENSTON: INCH.
ADTMENSTON AT TS MEASURED WITH REFERENCE TO DATUM T. THE POSITTVE VALUE IMPLIES
THAT THE PACKAGE BOTTOM TS HTGHER THAN THE LEAD BOTTOM.
INCH MTLLTMETER INCH MTLLTMETER
DIM MIN MAx MIN MAX DIM MIN MAX MIN MAX
AA .605 .015 20.45 20.70 2 R000 R040 R000 R102
A1 .002 .008 0,05 0.20 t’ 0' 8‘ 0‘ 5‘
BB .380 .390 9.65 9.91
B1 .546 .562 13.87 1427
cc .125 .170 3.15 4.32 can .005 0.13
D .495 .505 12.57 12.33 bbb .010 0.25
E .035 .045 0.59 1.14 sec .015 0.38
F .003 .006 0.00 0.15
L .038 .046 0.97 1.17
L1 .010 BSC 0.25 BSC
M .774 .788 19.66 19.96
N .772 .788 19.61 20.02
R .365 .375 9.27 9.53
s .365 .375 9,27 9.53
0 NXP SEMICONDUCTORS N.v.
ALL RIGHTS RESERVED
MECHANICAL OUTLINE
PRTNT VERSION NOT TO SCALE
TT TLE:
NT—780GS—2L
DOCUMENT NO: 98ASA00193D REV: C
STANDARD: NONiJEDEC
SOT1 80271
22 FEB ZOT 6
16
RF Device Data
Freescale Semiconductor, Inc.
MRF6V12500H MRF6V12500HS MRF6V12500GS
www
htt
MRF6V12500H MRF6V12500HS MRF6V12500GS
17
RF Device Data
Freescale Semiconductor, Inc.
PRODUCT DOCUMENTATION AND SOFTWARE
Refer to the following resources to aid your design process.
Application Notes
AN1908: Solder Reflow Attach Method for High Power RF Devices in Air Cavity Packages
AN1955: Thermal Measurement Methodology of RF Power Amplifiers
Engineering Bulletins
EB212: Using Data Sheet Impedances for RF LDMOS Devices
Software
Electromigration MTTF Calculator
RF High Power Model
To Download Resources Specific to a Given Part Number:
1. Go to http://www.nxp.com/RF
2. Search by part number
3. Click part number link
4. Choose the desired resource from the drop down menu
REVISION HISTORY
The following table summarizes revisions to this document.
Revision Date Description
0Sept. 2009 Initial Release of Data Sheet
1Apr. 2010 Operating Junction Temperature increased from 200C to 225C in Maximum Ratings table and related
“Continuous use at maximum temperature will affect MTTF” footnote added, p. 1
Added RF High Power Model availability to Product Software, p. 9
2Sept. 2010 Maximum Ratings table: corrected VDSS from --0.5, +100 to --0.5, +110 Vdc, p. 2
Added 960--1215 MHz Broadband application as follows:
-- Typical Performance, p. 1, 2
-- Fig. 13, Test Circuit Component Layout and Table 6, Test Circuit Component Designations and Values, p. 8
-- Fig. 14, Pulsed Power Gain, Drain Efficiency and IRL versus Frequency, p. 9
-- Fig. 15, Power Gain and Drain Efficiency versus Output Power, p. 9
-- Fig. 16, Series Equivalent Source and Load Impedance, p. 10
3June 2012 Table 3, ESD Protection Characteristics: added the device’s ESD passing level as applicable to each ESD
class, p. 2
Modified figure titles and/or graph axes labels to clarify application use, p. 5, 6, 9
Fig. 6, Output Power versus Input Power: corrected Pout, Output Power unit of measure to watts, p. 5
Fig. 9, Output Power versus Input Power: corrected Pout, Output Power unit of measure to watts, p. 6
Fig. 11, MTTF versus Junction Temperature: MTTF end temperature on graph changed to match maximum
operating junction temperature, p. 6
4Mar. 2015 MRF6V12500HR3 tape and reel option replaced with MRF6V12500HR5 and MRF6V12500HSR3 tape and
reel option replaced with MRF6V12500HSR5 per PCN15551
Modified figure titles and/or graph axes labels to clarify application use, pp. 6, 7, 9
Typical performance table: added Narrowband Mode S ELM application data, p. 1
5July 2016 Added part number MRF6V12500GS, pp. 1, 3
Added NI--780GS--2L package isometric, p. 1, and Mechanical Outline, pp. 15--16

18
RF Device Data
Freescale Semiconductor, Inc.
MRF6V12500H MRF6V12500HS MRF6V12500GS
Information in this document is provided solely to enable system and software
implementers to use Freescale products. There are no express or implied copyright
licenses granted hereunder to design or fabricate any integrated circuits based on the
information in this document.
Freescale reserves the right to make changes without further notice to any products
herein. Freescale makes no warranty, representation, or guarantee regarding the
suitability of its products for any particular purpose, nor does Freescale assume any
liability arising out of the application or use of any product or circuit, and specifically
disclaims any and all liability, including without limitation consequential or incidental
damages. “Typical” parameters that may be provided in Freescale data sheets and/or
specifications can and do vary in different applications, and actual performance may
vary over time. All operating parameters, including “typicals,” must be validated for
each customer application by customer’s technical experts. Freescale does not convey
any license under its patent rights nor the rights of others. Freescale sells products
pursuant to standard terms and conditions of sale, which can be found at the following
address: freescale.com/SalesTermsandConditions.
Freescale and the Freescale logo are trademarks of Freescale Semiconductor, Inc.,
Reg. U.S. Pat. & Tm. Off. All other product or service names are the property of their
respective owners.
E2009--2010, 2012, 2015--2016 Freescale Semiconductor, Inc.
How to Reach Us:
Home Page:
freescale.com
Web Support:
freescale.com/support
Document Number: MRF6V12500H
Rev. 5, 7/2016
Products related to this Datasheet
FET RF 110V 1.03GHZ NI-780H
FET RF 110V 1.03GHZ NI-780H
FET RF 110V 1.03GHZ NI-780H
FET RF 110V 1.03GHZ NI780HS
FET RF 110V 1.03GHZ NI-1230H
FET RF 110V 1.03GHZ NI-780H