The Fundamentals and Application of Zener, PIN, Schottky, and Varactor Diodes
Contributed By DigiKey's North American Editors
2019-11-12
While conventional silicon or germanium diodes work fine as rectifiers and switching elements in a majority of electronics applications, functions such as electronic tuning, electronic attenuation, low loss rectification, and voltage reference generation are mostly beyond their capability. Originally, more primitive, costly and bulk “brute force” methods were used to accomplish these tasks. These methods have now given way to more elegant, special purpose diodes, including varactor (or variable capacitance), PIN, Schottky, and Zener diodes.
Each of these diode types was designed by enhancing some unique characteristics of diodes to fill niche applications with low cost diode structures. The use of these special purpose diodes reduces the size, cost, and inefficiency of more conventional solutions in these applications. Typical uses include switch mode power supplies, microwave and RF attenuators, RF signal sources, and transceivers.
This article discusses the role and operation of special purpose diodes. It then looks at their typical characteristics using examples from Skyworks Solutions and ON Semiconductor, before ending with circuit examples to show how to use them effectively.
Zener diode voltage reference
Zener diodes are designed to maintain a fixed voltage across the diode when it is reversed biased. This capability is used to provide known reference voltages, an important operation in power supplies. Zener diodes are also used to clip or limit waveforms, preventing them from exceeding voltage limits.
The Zener diode is fabricated using highly doped p-n junctions resulting in a very thin depletion layer. The resulting electric field in this region is very high even with low applied voltages. Under these conditions, either of two mechanisms results in a breakdown of the diode, resulting in a high reverse current:
- In one condition, Zener breakdown occurs at voltages less than 5 volts and is the result of electron quantum tunneling
- The second mechanism for breakdown is when voltages are higher than 5 volts; the breakdown is the result of avalanche breakdown or impact ionization
In either case, the diode operation is similar (Figure 1).
Figure 1: The schematic symbol for a Zener diode is shown, along with its current-voltage characteristic curve. The current-voltage characteristic of a Zener diode has a normal forward conduction zone, but when reversed biased, it breaks down with a constant voltage across the diode. (Image source: DigiKey)
When the Zener diode is forward biased it behaves as a standard diode. Under reverse bias, it exhibits a breakdown when the reverse bias level exceeds the Zener voltage level, VZ. At this point, the diode maintains a nearly constant voltage between the cathode and anode. The minimum current to keep the diode in the Zener breakdown region is IZmin; the maximum current determined by the rated power dissipation of the diode is IZmax. Current must be limited by external resistance to prevent overheating and failure. This is shown in the schematic diagram of a basic Zener based voltage regulator built around ON Semiconductor’s 1N5229B Zener (Figure 2).
Figure 2: The schematic diagram of a basic voltage regulator using a Zener diode, along with the load regulation response. (Image source: DigiKey)
The 1N5229B Zener diode has a maximum dissipation of 500 milliwatts (mW) at a nominal Zener voltage of 4.3 volts. The 75 ohm (Ω) series resistor (R1) limits the power dissipation to 455 mW with no load. Power dissipation falls with increasing load current. The load regulation curve is shown for load resistance values of 200 Ω to 2,000 Ω.
In addition to voltage regulation, Zener diodes can be wired back-to-back to provide controlled voltage limiting at the Zener voltage, plus the forward voltage drop value. A 4.3 volt Zener limiter would limit at ±5 volts. Limiting applications can be extended to more general overvoltage protection circuits.
The Schottky diode
The Schottky, or hot carrier diode, is based on a metal-to-semiconductor junction (Figure 3). The metal side of the junction forms the anode electrode and the semiconductor side is the cathode. When biased in the forward direction, the maximum forward voltage drop of the Schottky diode is in the range of 0.2 to 0.5 volts, depending on the forward current and the diode type. This low forward voltage drop is extremely useful when the Schottky diode is used in series with a power source, such as in reverse voltage protection circuits, as it reduces power losses.
Figure 3: The physical structure of the Schottky diode is based on a metal-to-N-type semiconductor junction, yielding a low forward voltage drop and very fast switching times. (Image source: DigiKey)
The other significant characteristic of these diodes is their very fast switching time. Unlike standard diodes which take time to remove charge from the depletion layer when switching from an on to an off condition, the Schottky diode has no depletion layer associated with the metal-semiconductor junction.
Schottky diodes have limited peak reverse voltage ratings compared with silicon junction diodes. This generally confines their usage to low-voltage switched mode power supplies. The ON Semiconductor 1N5822RLG has a respectable peak reverse voltage (PRV) rating of 40 volts and a maximum forward current of 3 A. It can be applied in several areas of a switched mode power supply (Figure 4).
Figure 4: Examples of typical applications of Schottky diodes in switched mode power supplies include its use for reversed power protection (D1) and transient suppression (D2). (Image source: DigiKey)
Schottky diodes can be used to protect regulator circuits from inadvertent application of reversed polarity at the input. Diode D1 serves that purpose in the example. The primary advantage of the diode in this application is its low forward voltage drop. A more important function for a Schottky diode—in this case D2—is to provide a return path for current through the inductor, L1, when the switch turns off. D2 has to be a fast diode connected with short, low inductance wiring to accomplish this function. Schottky diodes provide the best performance in this application for low voltage supplies.
Schottky diodes also find applications in RF designs where their fast switching, low forward voltage drops, and low capacitance make them useful for detectors and sample-and-hold switches.
Varactor diodes
The varactor diode, sometimes called a varicap diode, is a junction diode designed to provide variable capacitance. The P-N junction is reversed biased, and the diode capacitance can be varied by changing the applied DC bias (Figure 5).
Figure 5: The varactor diode provides variable capacitance depending on the applied reverse bias. The higher the bias level the lower the capacitance. (Image source: DigiKey)
The capacitance of the varactor varies inversely with the applied DC bias. The higher the reverse bias the wider the diode depletion region, and hence the lower the capacitance. This variation can be seen graphically in the capacitance vs. reverse voltage graph for Skyworks Solutions’ SMV1801-079LF hyperabrupt junction varactor diode (Figure 6).
Figure 6: The capacitance of a Skyworks Solutions SMV1801-079LF varactor as a function of the reverse bias voltage. (Image source: Skyworks Solutions)
These diodes offer high breakdown voltage, bias voltages as high as 28 volts, and can be applied over a wide tuning range. The control voltage has to be applied to the varactor so as not to upset the biasing of the following stage; it is usually capacitively coupled as shown in Figure 7.
Figure 7: A varactor tuned oscillator AC couples the varactor, D1, to the oscillator through capacitor C1. The control voltage is applied through resistor R1. (Image source: DigiKey)
The varactor is AC coupled to the oscillator tank circuit through a large capacitor, C1. This isolates the varactor, D1, from the transistor bias voltages, and vice versa. The control voltage is applied through the isolating resistor, R1.
Varactors can replace variable capacitors in other applications, such as in tuning RF or microwave filters, in frequency or phase modulators, in phase shifters, or in frequency multipliers.
PIN diodes
The PIN diode is used as either a switch or an attenuator at RF and microwave frequencies. It is formed by sandwiching a high resistivity intrinsic semiconductor layer between the P-type and N-type layers of a conventional diode; hence the name PIN, which reflects the structure of the diode (Figure 8).
The unbiased or reversed biased diode has no charge stored in the intrinsic layer. This is the off condition of switching applications. The insertion of the intrinsic layer increases the effective width of the diode’s depletion layer, resulting in very low capacitance and higher breakdown voltages.
Figure 8: The structure of a PIN diode includes a layer of intrinsic semiconductor material between the P and N material of the anode and cathode electrodes, respectively. (Image source: DigiKey)
The forward biased condition results in holes and electrons being injected into the intrinsic layer. These carriers take some time to recombine with each other. This time is referred to as the carrier lifetime, t. There is an averaged stored charge that lowers the effective resistance of the intrinsic layer to a minimum resistance, RS. In the forward biased condition, the diode is used as an RF attenuator.
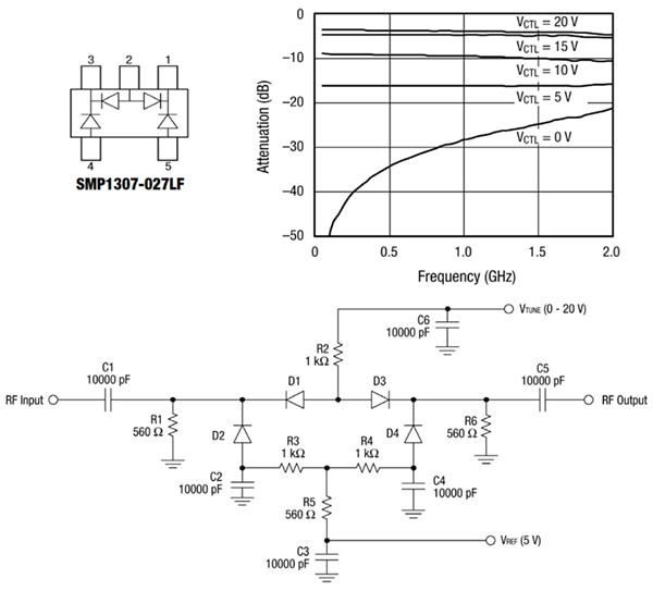
Skyworks Solutions’ SMP1307-027LF PIN diode array combines four PIN diodes in a common package for use as an RF/microwave attenuator over the frequency range of 5 megahertz (MHz) to 2 gigahertz (GHz) (Figure 9).
Figure 9: A PIN diode attenuator circuit based on the Skyworks Solutions SMP1307-027LF PIN diode array. The graph shows attenuation vs frequency with control voltage as a parameter. (Image source: Skyworks Solutions)
The PIN diode array is designed for low distortion Pi and Tee configuration attenuators. The effective resistance, RS, is a maximum of 100 Ω at 1 mA and 10 Ω at 10 mA, based on a carrier lifetime of 1.5 microseconds (µs). It is intended for TV signal distribution applications.
Conclusion
These special purpose diodes have become mainstays of electronic circuit designs by providing an elegant solution to key functions formerly accomplished with now obsolete technology. Zener diodes enable low voltage references; Schottky diodes lower power losses and provide fast switching; varactor diodes enable electronic tuning and replace bulky mechanical variable capacitors; and PIN diodes replace electromechanical RF switches with fast-acting RF switching.
Disclaimer: The opinions, beliefs, and viewpoints expressed by the various authors and/or forum participants on this website do not necessarily reflect the opinions, beliefs, and viewpoints of DigiKey or official policies of DigiKey.

