LED Lighting Provides Environmental Benefits with Added Bonuses
Contributed By DigiKey's European Editors
2018-02-13
Solid-state lighting, and specifically high brightness LEDs, are changing the way we see the world, quite literally. The environmental benefits of LED lighting are really twofold. Firstly, the technology itself is a highly energy efficient way of generating photons, which makes it attractive in terms of operation costs when measured against tungsten filament, incandescent or even compact fluorescent lamps. This alone makes it worthwhile replacing traditional lighting with solid-state alternatives, and there are a wide range of solutions to enable that as discussed below. Secondly, the move to a technology that operates off a low voltage DC supply, as opposed to a high voltage AC line, creates further possibilities not only in terms of additional efficiencies, but also in the way lighting is used. This goes beyond simple ‘blanket’ illumination. It introduces the concepts of zoning, scene or mood lighting, and connected lighting that can be more responsive to the environment and the occupants’ needs.
The actual efficacy of LED lighting is well observed, and there is even a ‘law’ that predicts its continued trend: Haltz’s Law. It states that the cost per lumen generated by LED lighting reduces by a factor of ten every ten years. This quite neatly predicts that LEDs will be able to generate 200 lm/W by 2020, and the industry is well on track to achieve that. However, it is noteworthy that even high brightness LEDs still only use around half of the energy supplied to the diode junction as photons, and the rest simply generates heat as a by-product that must subsequently be dissipated. This is crucial because the junction temperature should not exceed around 150°C, and maintaining this is an important part of designing light fixtures based on LED technology.
Let’s be direct
Unlike a simple AC-powered light fixture, which when driven by an alternating current turns fully on and fully off every half-cycle, an LED light works best when it is fed with a constant current. By adjusting this parameter it is possible to change the light’s brightness and color, but it requires precise control, and is in general much more demanding than driving conventional forms of lighting.
Today the vast majority of light fixtures are still running offline from an AC supply as opposed to the low voltage, low current DC source required by an LED. This means that in order to replace a conventional bulb with an LED some form of conversion is required. In the majority of LED bulbs intended to be used in a conventional fixture, this conversion takes place within the bulb. This has created a demand for small, low cost solutions that integrate all of the functions needed to deliver a constant DC supply to an LED or string of LEDs, while still connected to an AC supply.
Because LEDs only conduct when forward biased, the supply voltage needs to remain positive, and while it may be difficult to integrate a full-wave bridge rectifier into an LED driver, it is possible to include a shunt regulator. This is the case with the FL77944 LED direct AC driver from ON Semiconductor, which is a high power LED driver capable of implementing dimming in a number of ways, including analog or digital (PWM) and phase cutting.

Figure 1: A simplified block diagram of the FL77944 analog/PWM/phase-cut dimmable high power LED direct AC driver from ON Semiconductor.
A simplified block diagram of the FL77944 is shown in Figure 1. It has four pins dedicated to strings of LEDs, each with its own integrated constant current sink up to 150 mA. Three of the LED strings can accept a voltage up to 500 V, while the fourth can accept a voltage up to 200 V. Figure 2 shows a typical application running from 120 VAC, although the device has a wide input voltage range of between 90 and 305 VAC, making it suitable for any region.

Figure 2: Example application showing a 12 W, 120 VAC LED down-light using the FL77944.
The FL77944 can operate with as few as two external components, not including the bridge rectifier. The device cleverly avoids the need to regulate the rectified supply. Figure 3 shows that as the rectified line voltage rises, it reaches the forward voltage level of a string of LEDs attached to each of the current sink pins.

Figure 3: The FL77944 is able to generate a constant current from the regulated AC supply for several LED strings at the same time.
Current is therefore drawn through each LED string in sequence, until current is flowing through all LED strings. The current drawn by each string is balanced; either increasing or decreasing depending on which string is forward biased at any given time. This ensures smooth operation and reduces frequency harmonics, leading to an improved power factor and lower overall EMI. ON Semiconductor claims that the FL77944 can achieve a typical power factor of 0.98 and a total harmonic distortion of less than 20%.
A dimming input supports analog or PWM dimming, by which the RMS current flowing through the LEDs will vary linearly with the voltage level on the dimming input. The device is also compatible with leading and trailing edge TRIAC dimming, in which the AC waveform is cut during the phase either at the leading/rising edge or the trailing/falling edge of the half-cycle. As this is an inherently AC form of adjusting the power to a load, not all LED drivers are able to operate from a TRIAC dimmed AC supply, and conversely, not all TRIAC dimmers will operate with an LED driver, as it does not present the same load profile as a conventional light fixture.
Connected lighting
While leading and trailing edge dimming is essentially a legacy technology and not necessarily simple to automate, PWM dimming is inherently digital and is theoretically easier to control through purely electronic means. This supports the shift towards connected and intelligent lighting systems that can be monitored and controlled remotely, forming part of the IoT.
Wireless communications is a fundamental part of smart lighting and it isn’t purely a customer-centric feature, although that is clearly a major benefit over conventional lighting systems. A connected system becomes smart because it allows a single design to be tailored for a wide range of installation scenarios without needing to provide an engineer on site. Removing or reducing the maintenance burden is a primary benefit of the IoT in general, and it applies to smart lighting in particular because of the possible differences each installation may experience. Being able to design for these variations or cater to them using over-the-air updates is a fundamental part of an LED-centric lighting environment.
An example of how this is achieved in practice is provided by the ZigBee connected lighting kit from Silicon Labs, which is based on its EFR32MG Mighty Gecko mesh networking wireless SoC for ZigBee and Thread. The kit comes configured to work ‘out of the box’ and ready to join a ZigBee network. It requires a ZigBee Home Automation 1.2 compliant gateway to be present, such as the USB virtual gateway from Silicon Labs. The firmware is based on the Ember ZNet Pro stack, which is available to registered developers on the Silicon Labs website.
Once the kit has joined a network, the gateway will provide wireless access to the features of the kit. This includes setting the intensity, color and color temperature of the LEDs. As this is an evaluation kit, it also allows other features to be explored, and includes a PWM test point that can be used to control an external LED driver.
The firmware includes a configuration cluster server plug-in, which enables some changes to be made during the manufacturing process without the requirement to recompile the code. This includes making adjustments to the PWM frequency, which may be needed for some LED drivers, or modifying the transmit power of the device in accordance with regional restrictions. The ability to modify these features without forcing changes to the firmware allows the same binary image to be used in multiple product variants.
The commands used to make the adjustments can be issued by any Home Automation 1.2-compliant gateway, but there is also a command reserved for preventing any subsequent updates being accepted, should it be required. The commands used to configure the PWM output are intended for use in conjunction with a specific LED driver manufacturers’ requirements.
Figure 4: The EFR32MG from Silicon Labs has been designed for connected LED lighting applications.
The Mighty Gecko ZigBee and Thread family of SoCs has been developed specifically for this kind of application. As can be seen in Figure 4, the main functional blocks of the part are the Cortex®-M4 and the radio transceiver, but it also features a number of peripherals and support for up to 31 pins dedicated to analog channels, which can be routed to the on-chip analog comparator, ADC and IDAC.
As the transceiver is designed to operate at 2.4 GHz, the device can support a range of protocols including Bluetooth Smart, zigbee and Thread, as well as proprietary protocols. The EFR32MG also features the Silicon Labs peripheral reflex system (PRS), which enables various peripherals to operate autonomously by sending and receiving information between them based on triggers, without bringing the main CPU out of sleep mode. This can significantly lower the system power requirements in battery-powered applications. When coupled with the low power nature of LED lighting, this creates possibilities for battery powered connected lighting that may be located in areas where an AC supply isn’t available, such as rural locations. It can also be used to limit wireless communications in areas where constant RF traffic could present unwanted ‘noise’.
Meeting all requirements
The EFR32MG has been designed to be the heart of a smart lighting solution, allowing LED lights to be addressed and controlled remotely through a gateway. This means that not only can the lights be controlled by the home owner or business manager wirelessly while on the premises, but control can be granted to another service provider, creating a centralized control center located anywhere in the world managing a number of buildings that may be in an entirely different time zone, country or continent.
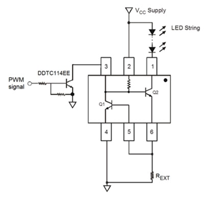
The implications are, therefore, that any sized light could be connected and centrally controlled. This creates demand for a wide range of LED drivers, not all of which will need to be able to drive high power LEDs. A relevant example would be the AL5802 from Diodes Incorporated. This device has been developed specifically for driving low current LEDs at a current between 20 mA and 100 mA with the fewest external components as possible. Figure 5 shows a typical application example.

Figure 5: A typical application example for the AL5802 30 V adjustable current sink linear LED driver from Diodes Incorporated.
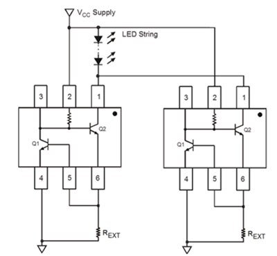
The transistor, Q1, is used to sense the current flowing through the LED load by sensing the voltage across the external resistor. The base-emitter voltage of Q1 is then used to control the base current of Q2. Operating in linear mode, Q2 regulates the current flowing through the LED(s). Multiple devices can be used in parallel to achieve higher LED current if necessary (Figure 6), and the AL5802 also supports PWM based dimming (Figure 7).

Figure 6: The AL5802 can be used in parallel to increase drive current.

Figure 7: The AL5802 supports PWM dimming.
System level solution
LED lighting is expected to continue to displace conventional lighting at least until 2022, at which point the term ‘conventional’ may well be used to refer to LED lighting rather than the incumbent technologies. Many semiconductor manufacturers are responding to this demand by developing a range of products that generally fall under the category of drivers. As AC supplies are gradually joined and potentially replaced by outlets and wiring networks providing low voltage DC, the product mix could well change but the demand is unlikely to dissipate.
Its solid-state nature offers much more potential than traditional lighting, even the opportunity to integrate the intelligence alongside the emitters on a single substrate or multichip module. While that paradigm may still be some time off, the continued investment in the underlying technology will sustain price erosion and continue to drive up efficacy. These trends point to a very bright future for LED lighting.
As Figure 8 demonstrates, bringing all these technologies together can already be achieved using very few components and creates the potential for easily retrofitting LEDs into existing fixtures to quickly build a connected lighting system that can be controlled locally or remotely.

Figure 8: A connected lighting application using the EFR32MG from Silicon Labs.
Connected lighting in public places also brings greater potential, and there are already examples of smart cities using connected LED street lights to act as Bluetooth beacons to broadcast consumer offers to anyone close by running the appropriate application on a smart phone. While that may not appeal to everyone, the same principle can be used to provide total wireless coverage in a factory to broadcast important service messages, for example.
Conclusion
Once connectivity establishes its initial value in any application, it is relatively simple to build upon. In Internet terms these are called ‘over the top’ services, and it is entirely reasonable to expect that to happen with smart lighting.
Disclaimer: The opinions, beliefs, and viewpoints expressed by the various authors and/or forum participants on this website do not necessarily reflect the opinions, beliefs, and viewpoints of DigiKey or official policies of DigiKey.





