วิธีใช้หม้อแปลงแยกไฟฟ้ากระแสสลับในอุปกรณ์การแพทย์เพื่อป้องกันการกระแทก
Contributed By DigiKey's North American Editors
2020-12-03
ในขณะที่การใช้อุปกรณ์ทางการแพทย์ไฟฟ้าขยายตัวตั้งแต่โรงพยาบาลและบ้านพักรับรองไปจนถึงการเฝ้าระวังตามบ้านและการช่วยชีวิตดังนั้นจึงมีความกังวลเกี่ยวกับผู้ปฏิบัติงานและความปลอดภัยของผู้ป่วยเช่นกัน แม้ว่าจะมีกฎการออกแบบที่เข้มงวดตามแนวปฏิบัติในการออกแบบที่ดีและมาตรฐานความปลอดภัยหลายประการเพื่อป้องกันอันตรายหรือแม้กระทั่งการช็อตร้ายแรงจากแรงดันไฟฟ้าของสายไฟ แต่ก็ยังสามารถเกิดขึ้นได้ สิ่งที่ต้องทำก็คือความผิดพลาดในเครื่องมือที่จะทำให้กล่องหุ้มหรือโพรบภายนอกกลายเป็น "ใช้งานได้" โดยวางผู้ใช้หรือผู้ป่วยไว้ในเส้นทางกระแสไฟฟ้าลัดลงกราวด์ ด้วยหม้อแปลงที่เลือกและวางอย่างถูกต้องสิ่งนี้สามารถหลีกเลี่ยงได้
แน่นอนว่าหม้อแปลงมีประโยชน์หลายอย่างตั้งแต่การก้าวขึ้นหรือลงแรงดันไฟฟ้ากระแสสลับ (AC) ขึ้นหรือลงหรือทำลายลูปกราวด์ของอินเทอร์เฟซตัวแปลงสัญญาณที่ละเอียดอ่อนไปจนถึงการจับคู่อิมพีแดนซ์การเชื่อมต่อระหว่างสเตจและการใช้การแปลงระหว่างวงจรปลายเดี่ยวและวงจรสมดุล นอกจากนี้ยังใช้ในอัตราส่วน 1:1 รอบเพื่อแยกกระแสไฟฟ้าระหว่างสาย AC และโหลด ฟังก์ชันสุดท้ายนี้มีความสำคัญและเกี่ยวข้องมากขึ้นในบริบทของการปกป้องผู้ปฏิบัติงานและผู้ป่วยจากความผิดพลาดของการออกแบบอุปกรณ์ทางการแพทย์
บทความนี้จะกล่าวถึงลักษณะของโหมดความผิดปกติที่เป็นไปได้และการใช้หม้อแปลงสำหรับการแยกสาย AC ดังนั้นความปลอดภัยในเครื่องมือทางการแพทย์ที่ใช้สาย การใช้หน่วยตัวแทนจากBEL Signal Transformer, มันจะระบุมาตรฐานที่เกี่ยวข้องบางอย่างพร้อมกับปัจจัยที่ต้องพิจารณาเพื่อให้แน่ใจว่าหม้อแปลงมีประเภทและระดับการแยกที่จำเป็น นอกจากนี้ยังคำนึงถึงความเข้ากันได้กับขั้นตอนการประกอบและการผลิตที่ทันสมัย
ไฟฟ้าช็อตเกิดขึ้นได้อย่างไร?
เพื่อให้เข้าใจถึงความเสี่ยงจากไฟฟ้าช็อตการกลับไปใช้หลักการแรกของไฟฟ้าจะเป็นประโยชน์ ผู้ใช้มีความเสี่ยงหากกระแสไฟฟ้าขับเคลื่อนด้วยศักยภาพของสาย AC ไหลผ่านร่างกายและกลับไปยังแหล่งที่มา อย่างไรก็ตามหากกระแสนั้นไม่มีเส้นทางการไหลย้อนกลับก็ไม่มีความเสี่ยงแม้ว่าบุคคลนั้นจะสัมผัสกับสายไฟฟ้าแรงสูงก็ตาม
สาย AC เฟสเดียวมีสามสาย: สาย (L), สายกลาง (N) และสายกราวด์โดยที่กราวด์เป็นการเชื่อมต่อของโลกที่แท้จริงและโดยปกติจะไม่มีกระแสไฟฟ้า ในการเดินสายไฟในบ้านมาตรฐานไม่ได้หุ้มฉนวนสายกราวด์และปล่อยให้โล่งและเปิดเผย น่าเสียดายที่คำว่า "กราวด์" มักถูกนำไปใช้ในทางที่ผิดในแผนผังวงจรอิเล็กทรอนิกส์และการอภิปราย "กราวด์เอิร์ธ" ไม่เหมือนกับ “กราวด์ของแชสซี" หรือ "ทั่วไป" (กราวด์สัญญาณ) และมีสัญลักษณ์ที่แตกต่างกันสำหรับแต่ละอัน (รูปที่ 1)
รูปที่ 1: คำว่า "กราวด์" (ซ้าย) สำหรับกราวด์เอิร์ธ แท้มักถูกใช้ในทางที่ผิดและสับสนกับกราวด์ของแชสซี (ขวา) หรือทั่วไป (กราวด์สัญญาณ) (กลาง) และมีสัญลักษณ์ที่แตกต่างกันอย่างชัดเจนสำหรับแต่ละสัญลักษณ์ (แหล่งรูปภาพ: Autodesk)
บทบาทของหม้อแปลงแยกคือการอนุญาตให้แรงดันไฟฟ้ากระแสสลับเข้าถึงผลิตภัณฑ์ปฏิบัติการและวงจร (โหลด) ในขณะที่ป้องกันการไหลของกระแสผ่านผู้ใช้และกลับไปที่เส้นกลาง สิ่งนี้ไม่สามารถเกิดขึ้นได้เนื่องจากหม้อแปลงแยกไม่มีสายจากneutralถึงEarthดังนั้นกระแสจะไม่ไหลผ่านผู้ใช้ หม้อแปลงแยกอาจมีอัตราส่วนการหมุน 1: 1 ดังนั้นอินพุตและเอาต์พุตจึงมีแรงดันไฟฟ้าเท่ากัน นอกจากนี้ยังมียูนิตที่ลดแรงดันไฟฟ้าด้านทุติยภูมิลงซึ่งมักจะทำให้การแปลงการแก้ไขและการควบคุมรางจ่ายไฟของวงจรง่ายขึ้น
มันคือกระแสที่ฆ่า
โดยปกติคนทั่วไปจะเชื่อมโยงความเสี่ยงจากแรงดันไฟฟ้าที่สูงขึ้น นี่เป็นความสัมพันธ์ที่ถูกต้อง แต่ในทางอ้อมเท่านั้น สิ่งที่ทำให้เกิดอาการช็อกไม่ว่าจะอยู่ในระดับที่ร้ายแรงหรือต่ำกว่าคือกระแสไฟฟ้าไหลผ่านร่างกาย ในทางกลับกันการไหลของกระแสนี้เกิดจากแรงดันไฟฟ้าที่ขับเคลื่อน (บังคับ) กระแสเข้าและผ่านร่างกาย ความสัมพันธ์นี้ชัดเจนโดยคำว่า“แรงเคลื่อนไฟฟ้า” (EMF) ซึ่งมักใช้กับแรงดันไฟฟ้าในสมัยก่อน (และในบางกรณีก็ยังมีอยู่)
สิ่งสำคัญคือต้องคำนึงถึงปัจจัยพื้นฐานสองประการดังนี้
- ไม่ได้กำหนดแรงดันไฟฟ้าที่จุดเดียว มีการกำหนดและวัดระหว่างจุดเฉพาะสองจุด ชื่อที่ดีกว่าสำหรับแรงดันไฟฟ้าคือ "ความต่างศักย์”
- ความต่างศักย์ทำให้กระแสไหล ปริมาณกระแสขึ้นอยู่กับความต้านทานระหว่างจุดทั้งสองและมีลักษณะตามกฎของโอห์ม ยิ่งความต่างศักย์มีขนาดใหญ่การไหลของกระแสก็จะยิ่งมากขึ้นและความเสี่ยงก็จะมากขึ้นเท่านั้น
สิ่งที่เกี่ยวกับความเสี่ยงจากอุปกรณ์ที่ใช้แบตเตอรี่โดยไม่มีการเชื่อมต่อสาย AC? อุปกรณ์เหล่านี้ไม่ก่อให้เกิดอันตรายจากการช็อตแม้จะใช้แบตเตอรี่แรงดันสูง (เว้นแต่ผู้ใช้จะจับขั้วแบตเตอรี่หนึ่งด้วยมือข้างหนึ่งและอีกขั้วหนึ่งด้วยมืออีกข้างหนึ่ง) หากเคสเชื่อมต่อกับขั้วแบตเตอรี่ขั้วใดขั้วหนึ่งและเชื่อมต่อกับผู้ใช้แสดงว่ายังไม่มีเส้นทางปัจจุบันจากผู้ใช้กลับไปยังขั้วแบตเตอรี่อื่น
นอกจากนี้ยังมีเครื่องมือไฟฟ้าแบบใช้สายซึ่งไม่มีจุดปลอดภัย แต่ไม่จำเป็นต้องใช้หม้อแปลงแยก: เป็นไปได้อย่างไร? จนกระทั่งไม่กี่สิบปีที่ผ่านมาเครื่องมือก่อสร้างเช่นสว่านมีเคสโลหะ หากมีข้อผิดพลาดภายในที่ทำให้เคสกลายเป็น “live" เส้นทางกระแสอาจผ่านผู้ใช้ เพื่อป้องกันไม่ให้เกิดเหตุการณ์เช่นนี้เคสโลหะถูกเชื่อมต่อกับขั้วกราวด์ของสาย AC ของเครื่อง อย่างไรก็ตามนี่เป็นวิธีแก้ปัญหาที่มีความเสี่ยงเสมอเนื่องจากในสถานการณ์จริงหลายอย่างสายกราวด์ของสายไฟไม่ได้เชื่อมต่อกับกราวเอิร์ธเนื่องจากสายไฟเต้าเสียบผิดพลาดหรือการใช้ "โกง" สามสายต่อ - อะแดปเตอร์สองสายสำหรับเต้ารับที่ไม่ต่อสายดิน
วิธีการแก้ปัญหาที่ใช้กันอย่างแพร่หลายคือการออกแบบ "ฉนวนสองชั้น" วงจรไฟฟ้าภายในของเครื่องมือมีการหุ้มฉนวนตามปกติและเคสยังไม่เป็นสื่อกระแสไฟฟ้าโดยไม่มีส่วนที่เป็นสื่อกระแสไฟฟ้าสัมผัส ด้วยวิธีนี้แม้ว่าจะมีข้อผิดพลาดภายในและไฟฟ้าลัดวงจรไปที่เคสหรือดอกสว่านกระแทกกับสายไฟ AC ที่อยู่ในผนังผู้ใช้ยังคงได้รับการปกป้องจากการไหลของกระแสไฟฟ้า เครื่องมือหุ้มฉนวนสองชั้นเป็นไปตามมาตรฐานของ National Electrical Code (NEC) และเป็นที่ต้องการเนื่องจากไม่ต้องอาศัยการเชื่อมต่อสายดินที่ขาดบ่อยในปลั๊กสามสาย ในความเป็นจริงเครื่องมือและอุปกรณ์ที่มีฉนวนสองชั้นมีเพียงปลั๊กสองสายสำหรับการเชื่อมต่อแบบร้อนและแบบเป็นกลาง
แม้แต่กระแสน้ำขนาดเล็กก็มีความเสี่ยง
คำถามที่ชัดเจนคือระดับสูงสุดของกระแสไฟฟ้าที่เป็นอันตรายหรือถึงตายและส่งผลต่อความปลอดภัยของมนุษย์คืออะไร? นี่คือคำถามที่มีคำตอบหลายคำตอบขึ้นอยู่กับว่ากระแสไฟฟ้าถูกนำไปใช้กับร่างกายที่ใดและกำลังพิจารณาผลกระทบที่เป็นอันตราย
แรงดันไฟฟ้ามาตรฐาน (110/230 โวลต์ 50 หรือ 60 เฮิรตซ์ (Hz)) บนหน้าอกแม้เพียงเสี้ยววินาทีอาจทำให้เกิดภาวะหัวใจห้องล่างที่กระแสต่ำถึง 30 มิลลิแอมป์ (mA) โปรดทราบว่าระดับอันตรายสำหรับ DC นั้นสูงกว่ามากที่ประมาณ 500 mA แต่การสนทนานี้เกี่ยวข้องกับ AC และการแยก หากกระแสไฟฟ้ามีทางเดินตรงไปยังหัวใจเช่นผ่านสายสวนหัวใจหรือขั้วไฟฟ้าชนิดอื่นกระแสไฟฟ้าที่ต่ำกว่า 1 mA (AC หรือ DC) อาจทำให้เกิดภาวะหัวใจล้มเหลวได้
นี่คือเกณฑ์มาตรฐานบางประการที่มักอ้างถึงกระแสผ่านร่างกายผ่านการสัมผัสทางผิวหนัง:
- 1 mA: แทบมองไม่เห็น
- 16 mA: กระแสสูงสุดที่คนขนาดเฉลี่ยสามารถเข้าใจและ "ปล่อย”
- 20 mA: อัมพาตของกล้ามเนื้อทางเดินหายใจ
- 100 mA: เกณฑ์ภาวะหัวใจห้องล่าง
- 2 แอมแปร์ (A): ภาวะหัวใจหยุดเต้นและความเสียหายของอวัยวะภายใน
ระดับยังเป็นหน้าที่ของเส้นทางการไหลของกระแสซึ่งหมายความว่าจุดที่สัมผัสทั้งสองกับร่างกายตั้งอยู่เช่นตรงข้ามหรือทะลุหน้าอกจากแขนลงไปที่เท้าหรือข้ามศีรษะ
ความปลอดภัยสูงสุดมีความเข้มงวด
ปริมาณการไหลของกระแสเป็นหน้าที่ของความต้านทานของผิวหนังและมวลของร่างกาย คำแนะนำจากสถาบันแห่งชาติเพื่อความปลอดภัยและอาชีวอนามัย (NIOSH) ระบุว่า "ภายใต้สภาวะแห้งความต้านทานที่ร่างกายมนุษย์นำเสนออาจสูงถึง 100,000 โอห์ม (Ω) ผิวที่เปียกหรือแตกอาจทำให้ความต้านทานของร่างกายลดลงถึง 1,000 Ω "เสริมว่า" พลังงานไฟฟ้าแรงสูงจะสลายผิวหนังของมนุษย์อย่างรวดเร็วและลดความต้านทานของร่างกายมนุษย์ลงเหลือ 500 Ω “ กฎของโอห์ม (I = V/R) จะหาปริมาณส่วนที่เหลือของสถานการณ์การไหลปัจจุบัน
แน่นอนความรอบคอบของขอบความปลอดภัยกำหนดให้กระแสสูงสุดที่อนุญาตต้องต่ำกว่าตัวเลขที่อ้างถึงมาก นี่เป็นเรื่องที่ซับซ้อนซึ่งครอบคลุมโดยมาตรฐานที่ทับซ้อนกันซึ่งหลายเรื่องในปัจจุบัน "กลมกลืน" ข้ามพรมแดนระหว่างประเทศ มาตรฐานนี้ครอบคลุมถึงปัจจัยต่างๆเช่นกระแสไฟรั่วที่อนุญาตความเป็นฉนวนและขนาดการคืบหน้าและระยะห่าง
อะไรคือความแตกต่างระหว่างหม้อแปลงแยกพิกัดของอุปกรณ์ทางการแพทย์กับหม้อแปลงไฟฟ้ากระแสสลับมาตรฐาน ท้ายที่สุดทั้งคู่ใช้ขดลวดหลักและขดลวดทุติยภูมิบนแกนแม่เหล็กเพื่อให้ได้อัตราส่วนการแปลง 1: 1 หรืออื่น ๆ ความแตกต่างคือหม้อแปลงธรรมดาไม่จำเป็นต้องเป็นไปตามข้อบังคับด้านบนทั้งหมดหรือจำเป็นต้องปฏิบัติตาม แต่ต้องอยู่ในระดับที่เข้มงวดน้อยกว่ามากเท่านั้น
ไม่มีตัวเลขเดียวที่สามารถกำหนดให้กับแต่ละพารามิเตอร์ได้เนื่องจากค่าสูงสุดเป็นฟังก์ชันของหลายปัจจัย นอกจากนี้ยังกำหนดด้วยว่าการออกแบบโดยรวมใช้วิธีการป้องกันแบบเดี่ยวหรือแบบคู่ (MOP) หรือไม่และ MOP นั้นเป็นวิธีการป้องกันผู้ป่วย (MOPP) หรือวิธีการป้องกันผู้ปฏิบัติงาน (MOOP)
มาตรฐานที่เกี่ยวข้องหลายประการ ได้แก่ :
- IEC 60950-1: 2001“ อุปกรณ์เทคโนโลยีสารสนเทศ - ความปลอดภัย - ส่วนที่ 1: ข้อกำหนดทั่วไป”
- IEC 60601-1-11: 2015“ อุปกรณ์ไฟฟ้าทางการแพทย์ - ส่วนที่ 1-11: ข้อกำหนดทั่วไปสำหรับความปลอดภัยขั้นพื้นฐานและประสิทธิภาพที่จำเป็น - มาตรฐานหลักประกัน: ข้อกำหนดสำหรับอุปกรณ์ไฟฟ้าทางการแพทย์และระบบไฟฟ้าทางการแพทย์ที่ใช้ในสภาพแวดล้อมการดูแลสุขภาพที่บ้าน”
- ISO 14971: 2019,“ อุปกรณ์การแพทย์ - การประยุกต์ใช้การจัดการความเสี่ยงกับอุปกรณ์ทางการแพทย์”
การอธิบายมาตรฐานเหล่านี้รวมถึงข้อกำหนดและเงื่อนไขการทดสอบโดยละเอียดนั้นอยู่นอกเหนือขอบเขตของบทความนี้ อย่างไรก็ตามมีกลยุทธ์ในการพัฒนาโครงการสองประการที่จะเร่งความพยายามของนักออกแบบในการพัฒนาระบบที่ตรงตามข้อกำหนดของกฎข้อบังคับด้านการแยกทางการแพทย์:
- ทำงานร่วมกับผู้จำหน่ายชิ้นส่วนที่แสดงให้เห็นอย่างน่าเชื่อถือว่าพวกเขามีความเชี่ยวชาญและความสามารถที่ช่วยให้พวกเขาเข้าใจนำไปใช้และปฏิบัติตามข้อกำหนดเหล่านี้และมาตรฐานต่างๆที่กำหนดไว้ นักออกแบบไม่ควรพยายามคิดเองทั้งหมดเพราะอาจใช้เวลานานมาก
- ในขอบเขตที่เป็นไปได้ให้ใช้ส่วนประกอบแต่ละชิ้นเช่นหม้อแปลงที่เป็นไปตามมาตรฐานที่เกี่ยวข้องเป็นส่วนหนึ่งของกลยุทธ์การสร้างบล็อค ตัวเลือกที่น่าสนใจน้อยกว่าคือการออกแบบโดยใช้ส่วนประกอบที่ไม่เป็นไปตามข้อกำหนดจากนั้นเพิ่มสิ่งที่จำเป็น“ รอบ ๆ ตัว” เพื่อให้สอดคล้องกัน แต่มักจะซับซ้อนและมีค่าใช้จ่ายสูง
มาตรฐานเหล่านี้กำหนดข้อกำหนดหลายประการเกี่ยวกับประสิทธิภาพของหม้อแปลงแยกซึ่งจะส่งผลต่อผลิตภัณฑ์โดยรวมเช่น:
- การให้คะแนนอิเล็กทริกและการทดสอบศักยภาพสูง (ไฮ - พอต) ซึ่งแสดงลักษณะความสมบูรณ์ของฉนวนและแรงดันไฟฟ้าภายในและระหว่างขดลวด โดยปกติจะทำตามลำดับหลายกิโลโวลต์
- Creepage (ระยะห่างพื้นผิวที่สั้นที่สุดระหว่างชิ้นส่วนที่เป็นสื่อกระแสไฟฟ้าสองชิ้น) และระยะห่าง (ระยะทางที่สั้นที่สุดผ่านอากาศระหว่างชิ้นส่วนที่เป็นสื่อกระแสไฟฟ้าสองชิ้น) เพื่อหลีกเลี่ยงการวาบไฟแรงดันสูง ระยะทางเหล่านี้ระบุเป็นฟังก์ชันของพิกัดแรงดันไฟฟ้าของหม้อแปลง
- กระแสไฟรั่วจำนวนกระแสที่รั่วไหลจากขดลวดไปยังแกนและจากขดลวดไปยังขดลวดเมื่อแรงดันไฟฟ้าถูกนำไปใช้กับหม้อแปลง โดยทั่วไปจะต้องเป็นไปตามลำดับ 30 ไมโครแอมป์ (µA) หรือน้อยกว่า
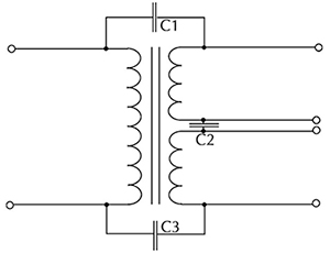
- กระแสไฟรั่วเนื่องจากความจุภายในและระหว่างขั้นตอนซึ่งเป็นหน้าที่ของการออกแบบหม้อแปลงแกนและขดลวดซึ่งต้องอยู่ในช่วง 30 µA หรือน้อยกว่า (รูปที่ 2)
- ระดับความไวไฟเช่น แต่ไม่ จำกัด เฉพาะ UL 94V-0 จะประเมินทั้งเวลาในการเผาไหม้และแสงระเรื่อหลังจากการใช้เปลวไฟซ้ำ ๆ และการหยดของชิ้นงานทดสอบการเผาในการทดสอบการเผาในแนวตั้ง
รูปที่ 2: รุ่นหม้อแปลงที่ง่ายที่สุดแสดงเฉพาะขดลวดและแกนเท่านั้น แต่รุ่นที่ดีกว่าจะเพิ่มความจุต่างๆ C1, C2 และ C3 ซึ่งช่วยให้กระแสไฟฟ้ารั่วระหว่างส่วนที่มีฉนวนไฟฟ้า (แหล่งรูปภาพ: Voltech Instruments, Inc. )
การทดสอบเพื่อให้เป็นไปตามมาตรฐานจะทำตามเงื่อนไขโดยละเอียดที่กำหนดโดยมาตรฐานบ่อยครั้งในขณะที่หรือหลังจากเน้นหม้อแปลงไฟฟ้าและความร้อนที่แรงดันไฟฟ้าและอุณหภูมิสูงขึ้นตามลำดับเพื่อประเมินประสิทธิภาพระหว่างและหลังสภาวะที่เลวร้าย
หม้อแปลงแยกที่มีจำหน่ายแสดงให้เห็นถึงความสามารถที่หลากหลาย
วิธีที่ดีในการทำความเข้าใจให้ดีขึ้นว่าหม้อแปลงแยกสามารถตอบสนองความต้องการที่หลากหลายของนักออกแบบระบบได้อย่างไรคือการดูบางรุ่นเป็นตัวอย่าง เราจะไฮไลต์หน่วยตัวแทนสี่หน่วยจาก Bel Signal Transformer ที่มีคุณสมบัติและความสามารถที่แตกต่างกันทั้งหมดนี้ออกแบบมาเพื่อแยกส่วนตรงตามข้อกำหนดด้านกฎระเบียบและรวมเข้ากับความต้องการในการประกอบและการผลิต
1: ที่ M4L-1-3 คือ 300 โวลต์ - แอมแปร์ (VA), ยูนิตติดแชสซีในตัวแปลงสัญญาณ More-4-Less แฟมิลี่ที่มีพิกัดความเป็นฉนวน 4 กิโลโวลต์ (kV) (รูปที่ 3)
รูปที่ 3: หม้อแปลงไฟฟ้า M4L-1-3 มีระยะห่างระหว่างขดลวดขาเข้าและขาออก 12 mm กระแสไฟรั่วต่ำกว่า 30 µA และขั้วต่อ "finger-safe” (แหล่งรูปภาพ: ตัวแปลงสัญญาณ)
multi-tap หลักของ M4L-1-3 ช่วยให้สามารถรองรับแรงดันไฟฟ้าอินพุต 105, 115 และ 125 VAC (50/60 Hz) ขณะส่งมอบ 115 VAC ที่ด้านรอง (รูปที่ 4) การออกแบบมีระยะห่างระหว่างขดลวดอินพุตและเอาต์พุต 12 (mm) พร้อมกับกระแสไฟรั่วที่ต่ำกว่า 30 µA ข้อควรพิจารณาเกี่ยวกับการเชื่อมต่อทางกายภาพ ได้แก่ ขั้วต่อแบบ“ Touch-Safe” ประเภท IP20 (ไม่สามารถสัมผัสได้ด้วยนิ้วมือและวัตถุที่มีขนาดใหญ่กว่า 12 mm) ด้วยสกรู/แคลมป์รัดสำหรับการเดินสายแบบแข็งและการเชื่อมต่อแบบ Fast-On ขนาด 3/16 นิ้วและ 1/4 นิ้ว
รูปที่ 4: M4L-1-3 รับแรงดันไฟฟ้าอินพุต 105, 115 และ 125 VAC (50/60 Hz) ขณะส่งมอบ 115 VAC ในด้านทุติยภูมิ (แหล่งรูปภาพ: ตัวแปลงสัญญาณ)
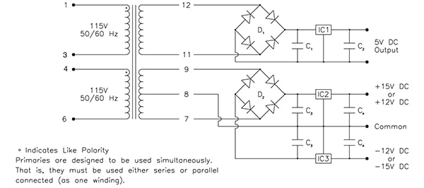
2: ที่ 14A-30-512 จาก One-4-All ซีรีส์คือยูนิตติดตั้งผ่านรู 30 VA ที่มีพิกัดอิเล็กทริก 4 kV (รูปที่ 5)
รูปที่ 5: ซีรีส์ 14A-30-512 เป็นยูนิตเมาท์ผ่านรู 30 VA ที่มีพิกัดอิเล็กทริก 4 kV (แหล่งรูปภาพ: ตัวแปลงสัญญาณ)
14A-30-512 รับอินพุต 115/230 โวลต์และส่งเอาต์พุต AC ที่ตรงกับ +5 โวลต์ DC หรือ± 12 โวลต์ DC/± 15 โวลต์เอาต์พุต DC ขึ้นอยู่กับวิธีการต่อสาย (รูปที่ 6)
รูปที่ 6: 14A-30-512 มีอินพุต 115/230 โวลต์และเหมาะสำหรับ +5 โวลต์หรือ± 12 โวลต์ DC/± 15 โวลต์ อุปกรณ์จ่ายกระแสตรงขึ้นอยู่กับวิธีที่ผู้ใช้เชื่อมต่อขดลวดด้านปฐมภูมิและด้านทุติยภูมิ (แหล่งรูปภาพ: ตัวแปลงสัญญาณ)
3: ที่ A41-25-512 คือ 25 VA, ชุดติดตั้งแชสซีใน All-4-One ซีรีส์พร้อมเอาต์พุตเสริมคู่สำหรับ 5 VDC และ ±12 VDC/±15 VDC แหล่งจ่ายไฟที่มีการควบคุม (รูปที่ 7) เป็นไปตามการรับรองความปลอดภัยระหว่างประเทศที่เกี่ยวข้องทั้งหมดและทำงานจากแรงดันไฟฟ้าหลัก 115/230 โวลต์ AC เนื่องจากขดลวดหลักคู่ มีขั้วต่อแบบหัวประสาน/ขั้วต่อชนิดเชื่อมต่ออย่างรวดเร็วและกระแสไฟรั่วเป็นไปตามข้อกำหนดของ UL 60601-1, IEC/EN 60601-1
รูปที่ 7: A41-25-512 เป็นยูนิตติดตั้งบนแชสซี 25 VA ที่ตรงตามการรับรองความปลอดภัยระหว่างประเทศที่เกี่ยวข้องทั้งหมดเนื่องจากให้เอาต์พุต AC ที่เหมาะสมกับการจ่ายเอาต์พุต DC 5 โวลต์ที่มีการควบคุมหรือ ±12 โวลต์ DC / ±15 โวลต์ DC (แหล่งรูปภาพ: ตัวแปลงสัญญาณ)
4: ที่ HPI-35 จากซีรีส์ HPI คือหน่วย 3500 VA ที่มีพิกัดแรงดันไฟฟ้าอิเล็กทริก 4 kV และกระแสไฟรั่วต่ำกว่า 50 ไมโครแอมป์ ติดตั้งขั้วต่อชนิด IP20 (รูปที่ 8)
รูปที่ 8: HPI-35 เป็นหม้อแปลงกำลังสูงพิกัด 3500 VA ที่ติดตั้งขั้วต่อชนิด IP20 (แหล่งรูปภาพ: ตัวแปลงสัญญาณผ่านทาง DigiKey)
ขดลวดหลักและขดลวดทุติยภูมิของ HPI-35 ช่วยให้สามารถต่อสายเพื่อรับแรงดันไฟฟ้าอินพุตได้ 100 โวลต์ 115 โวลต์ 215 โวลต์และ 230 โวลต์ (50/60 เฮิร์ตซ์) และให้แรงดันเอาต์พุต 115 หรือ 230 โวลต์ (รูปที่ 9)
รูปที่ 9: ขดลวดหลักและขดลวดทุติยภูมิแบบแยกหลายสายของ HPI-35 ช่วยให้สามารถต่อสายเพื่อรับแรงดันไฟฟ้าอินพุตได้ 100 โวลต์ 115 โวลต์ 215 โวลต์และ 230 โวลต์ (50/60 Hz) และให้แรงดันเอาต์พุต 115 หรือ 230 โวลต์ (แหล่งรูปภาพ: ตัวแปลงสัญญาณ)
สรุป
จำเป็นอย่างยิ่งที่จะต้องปกป้องทั้งผู้ปฏิบัติงานและผู้ป่วยจากความล้มเหลวและความผิดพลาดของระบบที่หาได้ยากและแรงกระแทกทางไฟฟ้าที่เกี่ยวข้อง (และบ่อยครั้งถึงตาย) เมื่อใช้อุปกรณ์ทางการแพทย์ ดังที่แสดงไว้หม้อแปลงแยกให้การป้องกันนี้ มีให้สำหรับแรงดันไฟฟ้าอินพุตสาย AC ที่มีอัตราส่วน 1:1 รอบสำหรับแรงดันไฟฟ้าขาออกเดียวกันเช่นเดียวกับขดลวดทุติยภูมิแบบ step-down สำหรับแรงดันเอาต์พุตสองหลักและตัวเลขเดียว การออกแบบและการผลิตที่เป็นเอกลักษณ์ช่วยให้สามารถปฏิบัติตามข้อบังคับที่เข้มงวดหลายประการสำหรับปัจจัยด้านความปลอดภัยเช่นพิกัดแรงดันไฟฟ้าอิเล็กทริกกระแสไฟรั่วการกวาดล้างและการคืบและความไวในการติดไฟ การใช้หม้อแปลงแยกเหล่านี้ทำให้นักออกแบบสามารถอนุมัติผลิตภัณฑ์ขั้นสุดท้ายและออกสู่ตลาดได้อย่างรวดเร็ว
Disclaimer: The opinions, beliefs, and viewpoints expressed by the various authors and/or forum participants on this website do not necessarily reflect the opinions, beliefs, and viewpoints of DigiKey or official policies of DigiKey.




