เทคนิคและวิธีแก้ปัญหาสำหรับการแยกพลังงาน USB และข้อมูล
Contributed By DigiKey's North American Editors
2021-02-23
เปิดตัวในปี 2539 บัสอนุกรมสากล (USB) ได้กลายเป็นวิธีการชั้นนำในการเชื่อมต่ออุปกรณ์ต่อพ่วงกับพีซี ด้วยอัตราข้อมูล USB ที่เพิ่มขึ้นในช่วง 24 ปีที่ผ่านมาจาก 1.5 เมกะบิตต่อวินาที (Mbits/s) เป็นมากกว่า 20 กิกะบิตต่อวินาที (Gbits / s) ผู้ผลิตทดสอบและวัดผลโดยเฉพาะได้สังเกตเห็นและได้ออกสู่ตลาดด้วย USB อุปกรณ์ทดสอบ นักงานอดิเรกยังได้ใช้ประโยชน์จากความแพร่หลายของ USB และได้พัฒนาเครื่องมือวัดผลที่เป็นเอกลักษณ์ของตนเองขึ้นมากมาย
อย่างไรก็ตามมีอันตรายที่อาจเกิดขึ้นเมื่อใช้หรือออกแบบอุปกรณ์ที่ใช้ USB ที่เชื่อมต่อกับพอร์ต USB ของพีซี ในขณะที่อุปกรณ์ที่อยู่ระหว่างการทดสอบ (DUT) อาจใช้พลังงานจากแหล่งจ่ายไฟแบบลอยตัวเมื่อเสียบเข้ากับพีซีที่มีสายดินแล้วกราวด์ลูปอาจเข้ามามีบทบาทได้ เป็นผลให้เกิดความแตกต่างศักย์กราวด์ที่รุนแรงซึ่งอาจทำให้วงจรเสียหายหรือแย่กว่านั้นคือการบาดเจ็บส่วนบุคคล
ในการกำจัดการเชื่อมต่อแบบกราวด์แบบกราวด์ต้องแยกทั้งพลังงานและเส้นทางการสื่อสารข้อมูลด้วยไฟฟ้าจากกราวด์ USB ของพีซี มีหลายทางเลือกในการแยกการสื่อสารข้อมูลขึ้นอยู่กับอัตราข้อมูลและโปรโตคอล นอกจากนี้ยังสามารถปรับใช้กลยุทธ์การแยกที่หลากหลายรวมถึง capacitive, optical และ electromagnetic
บทความนี้ให้คำจำกัดความของการแยกไฟฟ้าก่อนที่จะอธิบายถึงเทคโนโลยีการแยก USB ที่แตกต่างกันและข้อดีข้อเสียของแต่ละเทคโนโลยี จากนั้นจะแนะนำโซลูชันการแยกโลกแห่งความเป็นจริงจาก Texas Instruments Würth Electronik ON SemiconductorและAnalog Devicesและแสดงวิธีการนำไปใช้อย่างมีประสิทธิภาพ
การแยกไฟฟ้าคืออะไร?
ที่แกนกลางการแยกกระแสไฟฟ้าจะป้องกันการไหลของกระแสหรือการนำระหว่างวงจรไฟฟ้าสองวงจรหรือมากกว่าในขณะที่ยังคงปล่อยให้พลังงานและ/หรือข้อมูลผ่านไปมาระหว่างกันได้
เพื่อวัตถุประสงค์ในการทำให้เข้าใจง่ายบทความนี้จะเน้นไปที่วงจรสองวงจรที่แยกจากกันซึ่งเรียกว่าด้านหลักและด้านทุติยภูมิ วงจรหลักใช้พลังงานจาก USB และแชร์การไหลของข้อมูลแบบสองทิศทางกับโฮสต์พีซี พื้นที่ที่แยกวงจรเรียกว่าอุปสรรคการแยกและถูกเลือกเพื่อให้ทนต่อแรงดันไฟฟ้าที่พังทลายได้ตั้งแต่หลายร้อยถึงหลายพันโวลต์ โดยปกติอากาศซิลิกอนไดออกไซด์ (SiO2), โพลีอิไมด์หรือวัสดุที่ไม่เป็นสื่อกระแสไฟฟ้าอื่น ๆ จะแยกวงจรทั้งสองออกจากกัน (รูปที่ 1)
รูปที่ 1: แสดงเป็นตัวอย่างของการแยกไฟฟ้าระหว่างอินพุต USB ที่ด้านหลักของวงจรและด้านที่สอง อุปสรรคการแยกจำเป็นต้องทนต่อแรงดันไฟฟ้าหลายร้อยถึงหลายพันโวลต์ (แหล่งรูปภาพ: DigiKey)
การถ่ายโอนข้อมูลที่แยกได้
ตามที่กำหนดไว้ข้างต้นการแยกไฟฟ้าช่วยให้สามารถถ่ายโอนข้อมูลหรือข้อมูลระหว่างวงจรไฟฟ้าที่แยกออกจากกันได้ แต่จะทำได้อย่างไรหากไม่มีวัสดุนำไฟฟ้าระหว่างวงจร? มีวิธีแก้ปัญหาที่ใช้ได้จริงหลายประการรวมถึงเทคโนโลยีออปติคัลคาปาซิทีฟและแม่เหล็กไฟฟ้า มีข้อดีและข้อเสียสำหรับแต่ละวิธีดังที่กล่าวไว้ด้านล่าง สำหรับผู้ออกแบบการพิจารณาอัตราข้อมูลการปล่อยไฟฟ้าสถิต (ESD) การรบกวนและความต้องการพลังงานล้วนมีส่วนในการตัดสินใจว่าจะใช้กลยุทธ์ใด
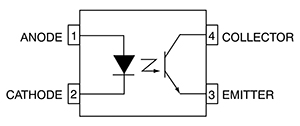
ออปติคอล: วิธีการแยกที่เป็นที่รู้จักมากที่สุดวิธีหนึ่งคือตัวแยกแสงหรือออปโตคัปเปลอร์ (หรือออปโตคัปเปลอร์) การแยกทำได้โดยใช้ไดโอดเปล่งแสง (LED) ที่ด้านหลักของแผงกั้นการแยกและทรานซิสเตอร์ไวแสงที่ด้านรอง ON Semiconductor FOD817 เป็นตัวอย่างที่ดีของ optoisolator (รูปที่ 2) ข้อมูลจะถูกส่งโดยใช้แสงพัลส์เหนือสิ่งกีดขวางการแยกจาก LED ซึ่งทรานซิสเตอร์ภาพถ่ายได้รับในคอนฟิกูเรชันตัวสะสมแบบเปิด เมื่อ LED เปิดอยู่โฟโตไดโอดจะสร้างกระแสไฟฟ้าในวงจรทุติยภูมิ
เนื่องจากแสงถูกใช้ในการถ่ายโอนข้อมูลออปโป้ไม่ไวต่อสัญญาณรบกวนแม่เหล็กไฟฟ้า (EMI) ในด้านลบอัตราการถ่ายโอนข้อมูลอาจช้าเนื่องจากอัตราข้อมูลเป็นฟังก์ชันของความเร็วในการสลับของ LED นอกจากนี้ตัวกรองแสงมักจะมีอายุการใช้งานที่สั้นกว่าเมื่อเทียบกับเทคโนโลยีอื่น ๆ เนื่องจากการเสื่อมสภาพของ LED เมื่อเวลาผ่านไป
รูปที่ 2: Optoisolator - LED ปล่อยแสงพัลส์ผ่านอุปสรรคการแยกซึ่งโฟโตไดโอดได้รับและสร้างกระแสไฟฟ้าในวงจรทุติยภูมิ (แหล่งรูปภาพ: ON Semiconductor)
FOD817 เป็นอุปกรณ์ช่องสัญญาณเดียวที่ได้รับการจัดอันดับสูงสุด 5 กิโลโวลต์ (kV) rms AC เป็นเวลาหนึ่งนาที ประกอบด้วยแกลเลียมอาร์เซไนด์ (GaAs) อินฟราเรด (IR) LED ที่ขับเคลื่อนโฟโตทรานซิสเตอร์ซิลิกอน แอปพลิเคชันอาจรวมถึงตัวควบคุมกำลังและอินพุตลอจิกดิจิทัล
การแยกแม่เหล็กไฟฟ้า: นี่อาจเป็นวิธีการทางเทคโนโลยีที่เก่าแก่ที่สุดในการแยกวงจร พื้นฐานของการเหนี่ยวนำแม่เหล็กไฟฟ้าใช้ในการถ่ายโอนข้อมูล (และกำลังไฟฟ้าตามที่กล่าวไว้ในภายหลัง) ระหว่างสองขดลวด แนวทางนี้ได้รับการปรับปรุงอย่างมีนัยสำคัญเมื่อเวลาผ่านไปโดยบริษัท ต่างๆเช่นอุปกรณ์อนาล็อกด้วยเทคโนโลยี iCoupler เทคโนโลยี iCoupler ฝังขดลวดหม้อแปลงไว้ในวงจรรวมและใช้พื้นผิวโพลีอิไมด์สำหรับแผงกั้นแยก
วิธีการแยกแม่เหล็กไฟฟ้ามีความอ่อนไหวต่อการรบกวนของสนามแม่เหล็กมากกว่าตัวกรองแสงและสร้าง EMI ที่มีศักยภาพของตัวเองซึ่งอาจจำเป็นต้องได้รับการแก้ไขในขั้นตอนการออกแบบผลิตภัณฑ์ อย่างไรก็ตามข้อดีคืออัตราข้อมูลสูงกว่า 100 Mbits/s ขึ้นไปและใช้พลังงานต่ำ
ADuM1250 จาก Analog Devices เป็นตัวอย่างของเทคโนโลยีประเภทนี้ (รูปที่ 3) การกำหนดเป้าหมายแบบสองทิศทาง I2C แอปพลิเคชันการแยกข้อมูล เช่น แอปพลิเคชัน hot-swap อุปกรณ์นี้มีอัตราข้อมูลสูงถึง 1 Mbit / s และได้รับการจัดอันดับที่ 2500 โวลต์ rms เป็นเวลาหนึ่งนาทีต่อ UL 1577 ดึง 2.8 มิลลิแอมป์ (mA) ของกระแสอินพุต (IDD1) ที่ด้านหลักและ 2.7 mA ของกระแสที่ด้านทุติยภูมิ (IDD2) ที่แรงดันไฟฟ้า 5 โวลต์ (VDD1 และ VDD2) โปรดทราบว่าแต่ละช่องของ I2C (นาฬิกาและสายข้อมูล) ใน ADuM1250 ต้องการหม้อแปลงแบบฝังสองตัวเพื่อให้ได้แบบสองทิศทาง
โดยทั่วไปข้อมูลจะถูกส่งระหว่างขดลวดหม้อแปลงโดยใช้สคีมาการเปลี่ยนขอบ พัลส์สั้น ๆ หนึ่งนาโนวินาทีใช้เพื่อระบุขอบนำหน้าและด้านหลังของสัญญาณข้อมูล ฮาร์ดแวร์การเข้ารหัสและถอดรหัสยังติดตั้งอยู่ในอุปกรณ์
รูปที่ 3: บน ADuM1250 dual I2C Isolator ที่ I2C แต่ละสายต้องการหม้อแปลงสองตัวที่แตกต่างกันเพื่อให้ได้ข้อมูลแบบสองทิศทางและการถ่ายโอนนาฬิกา (แหล่งรูปภาพ: Analog Devices)
การแยก Capacitive: การแยกตัวเก็บประจุทำได้ตามชื่อโดยใช้ตัวเก็บประจุ (รูปที่ 4) เนื่องจากคุณสมบัติของเทคโนโลยี capacitive แรงดันไฟฟ้ากระแสตรงจะถูกบล็อกโดยตัวเก็บประจุในขณะที่แรงดันไฟฟ้ากระแสสลับได้รับอนุญาตให้ไหลได้อย่างอิสระ
รูปที่ 4: การแยกแบบ Capacitive ใช้ประโยชน์จากลักษณะ capacitive ของการปิดกั้นสัญญาณ DC และปล่อยให้สัญญาณ AC ไหลผ่านอุปสรรคการแยก (แหล่งรูปภาพ: Texas Instruments)
ด้วยการใช้ตัวให้บริการความถี่สูง (AC) สำหรับการถ่ายโอนข้อมูลข้ามตัวเก็บประจุข้อมูลสามารถส่งผ่านโดยใช้สคีมาการมอดูเลตเช่นการเปิด - ปิดการกดคีย์ (OOK) การปรากฏตัวของผู้ให้บริการความถี่สูงอาจทำให้เอาต์พุตดิจิตอลเป็นศูนย์ (LOW) และการไม่มีผู้ให้บริการจะหมายถึงหนึ่ง (สูง) (รูปที่ 5)
รูปที่ 5: สคีมา on-off keying (OOK) ใช้การปรากฏหรือไม่ปรากฏสัญญาณพาหะความถี่สูง (AC) ที่ส่งผ่านอุปสรรคการแยกเพื่อถ่ายโอนสัญญาณระดับลอจิกสูงหรือต่ำ (แหล่งรูปภาพ: Texas Instruments)
เช่นเดียวกับการแยกแม่เหล็กข้อดีของการแยกแบบ capacitive คืออัตราการถ่ายโอนข้อมูลสูง (100 Mbits/s หรือสูงกว่า) และใช้พลังงานต่ำ ข้อเสียรวมถึงความไวต่อการรบกวนของสนามไฟฟ้ามากขึ้น
ตัวอย่างที่ดีของเทคโนโลยีการแยกตัวเก็บประจุคืออุปกรณ์จาก Texas Instruments ISO7742 ตัวแยกสัญญาณดิจิตอลสี่ช่องสัญญาณที่มีการแยกได้ถึง 5,000 โวลต์ rms อุปกรณ์มีการกำหนดค่าหลายแบบขึ้นอยู่กับทิศทางการไหลของข้อมูลที่ต้องการ มีอัตราข้อมูล 100 Mbits/s และใช้ 1.5 mA ต่อช่องสัญญาณ แอปพลิเคชันสำหรับ ISO7742 ได้แก่ อุปกรณ์ทางการแพทย์อุปกรณ์จ่ายไฟและระบบอัตโนมัติในอุตสาหกรรม
การแยกพลังงาน USB
การให้ความสนใจอย่างใกล้ชิดกับเอกสารข้อมูลทางเทคนิคของส่วนประกอบการแยก นักออกแบบจะตระหนักได้อย่างรวดเร็วว่าแต่ละด้านของส่วนประกอบการแยกนั้นต้องการแหล่งจ่ายไฟแยกกัน: หนึ่งสำหรับด้านหลักและอีกด้านหนึ่งสำหรับด้านที่สอง (VCC1 และ VCC2) รักษาอุปสรรคการแยก
หากการออกแบบภายใต้การพิจารณามีแหล่งจ่ายไฟแยกต่างหาก USB 5 โวลต์ที่ด้านหลักและแบตเตอรี่แยกต่างหากพร้อมกราวด์เพื่อจ่ายไฟสำรองทั้งหมดก็น่าพอใจ อย่างไรก็ตามหากผลิตภัณฑ์ได้รับการออกแบบมาสำหรับแหล่งเดียวให้พูดเฉพาะอินพุต USB 5 โวลต์แล้วจะมีการจ่ายแรงดันไฟฟ้าแยกทุติยภูมิอย่างไร? ตัวแปลง DC-DC (หรือไดรเวอร์หม้อแปลง) และหม้อแปลงแยกเป็นวิธีแก้ปัญหา สามารถใช้ตัวแปลง DC-DC เพื่อเพิ่มหรือลดแรงดันไฟฟ้าในขณะที่หม้อแปลงให้การแยกไฟฟ้า
ตัวอย่างของแหล่งจ่ายไฟแบบแยกดังกล่าวแสดงในรูปที่ 6 โดยใช้อุปกรณ์จาก Texas Instruments SN6505 ไดรเวอร์รวมกับWürth Elektronik 750315371 หม้อแปลงแยก (การแยก 2500 โวลต์ rms) การใช้มาตรฐาน USB 5 โวลต์และอินพุต 500 mA กับ SN6505 โดยทั่วไปจะให้พลังงานมากเกินพอที่จะขับเคลื่อนวงจรแยกด้านทุติยภูมิสำหรับการถ่ายโอนข้อมูลรวมถึงวงจรอื่น ๆ เช่นเซ็นเซอร์ ไดโอดสองตัวที่ด้านวงจรทุติยภูมิให้การแก้ไขเอาต์พุต การออกแบบจำนวนมากเพิ่มตัวควบคุมแรงดันไฟฟ้าต่ำ (LDO) ที่ตัวรองเพื่อควบคุมแรงดันไฟฟ้าที่สะอาดขึ้น
รูปที่ 6: ไดรเวอร์หม้อแปลง Texas Instruments SN6505 รวมกับหม้อแปลงแยกWürth Elektronik 750315371 ให้เส้นทางพลังงานแยกเพื่อขับเคลื่อนวงจรด้านทุติยภูมิ (แหล่งรูปภาพ: Texas Instruments)
เกณฑ์เพิ่มเติมที่อาจมีความสำคัญสำหรับผู้ออกแบบ: พื้นที่ว่างที่พร้อมใช้งานแผงวงจรพิมพ์ (PCB) การใช้ส่วนประกอบแยกต่างหากสำหรับพลังงานและการแยกข้อมูลสามารถใช้อสังหาริมทรัพย์อันมีค่าบนกระดานได้ ข่าวดีก็คือมีอุปกรณ์ที่รวมทั้งพลังงานและการแยกการถ่ายโอนข้อมูลไว้ในแพ็คเกจเดียว ตัวอย่างของโทโพโลยีดังกล่าวคืออุปกรณ์จาก Analog Devices ADuM5240 ตัวแยกสัญญาณดิจิตอลแบบดูอัลแชนเนล (รูปที่ 7)
รูปที่ 7 ตัวแยกสัญญาณดิจิตอลแบบดูอัลแชนแนล ADuM5240 ของอุปกรณ์อนาล็อกรวมทั้งการแยกพลังงานและการแยกข้อมูลไว้ในอุปกรณ์เดียวเพื่อประหยัดพื้นที่ (แหล่งรูปภาพ: Analog Devices)
ADuM5240 ใช้การแยกแม่เหล็กที่ใช้หม้อแปลงสำหรับทั้งพลังงานและการส่งผ่านข้อมูลในแพ็คเกจเดียวเพื่อลดความต้องการพื้นที่บอร์ดพีซีโดยรวม ADuM5240 ให้การแยก 2500 โวลต์ rms เป็นเวลา 1 นาทีต่อ UL 1577 และอัตราข้อมูลสูงถึง 1 Mbit/s
การแยกข้อมูล USB ต้นน้ำ
ตัวอย่างทั้งหมดที่แสดงข้างต้นถือว่าการแยกระหว่างวงจรหลักและวงจรทุติยภูมิ ในกรณีที่มีอุปกรณ์ต่อพ่วงที่ออกแบบโดยไม่มีฮาร์ดแวร์แยกข้อมูลอยู่แล้วนักออกแบบสามารถทำการแยกที่อินเทอร์เฟซ USB (เช่นที่สายเคเบิล) สิ่งนี้จะผลักดันการแยกข้อมูลอัพสตรีมระหว่างโฮสต์ USB และอุปกรณ์ต่อพ่วง USB ได้อย่างมีประสิทธิภาพ (รูปที่ 8)
รูปที่ 8: หากมีอุปกรณ์ต่อพ่วงที่ออกแบบโดยไม่มีฮาร์ดแวร์แยกข้อมูลอยู่แล้วนักออกแบบยังคงสามารถให้การป้องกันได้โดยการย้ายการแยกข้อมูล USB ไปทางต้นน้ำระหว่างโฮสต์ USB และอุปกรณ์ต่อพ่วง USB (แหล่งรูปภาพ: DigiKey)
ในการนำแนวทางนี้ไปใช้นักออกแบบสามารถใช้อุปกรณ์จาก Analog Devices ADuM4160 ได้ ด้วยการแยกพิกัดที่ 5,000 โวลต์ rms เป็นเวลา 1 นาที โซลูชันนี้ใช้เทคโนโลยี iCoupler เดียวกันกับที่กล่าวไว้ข้างต้น แต่การแยกมีเป้าหมายที่อินเทอร์เฟซข้อมูล USB (D+ และ D-) (รูปที่ 9) แอพพลิเคชั่นเพิ่มเติมสำหรับ ADum4160 ได้แก่ ฮับ USB แยกและอุปกรณ์ทางการแพทย์
รูปที่ 9: ADuM4160 อุปกรณ์อนาล็อกมีโซลูชันการแยกสายข้อมูล USB (D+, D-) ที่มีประโยชน์ในกรณีที่จำเป็นในการแยกการเชื่อมต่อที่การเชื่อมต่อสายเคเบิลโฮสต์กับอุปกรณ์ต่อพ่วง USB (แหล่งรูปภาพ: Analog Devices)
ข้อควรพิจารณาในการออกแบบสำหรับการแยก
นักออกแบบเลือกเทคโนโลยีการแยกที่ดีที่สุดอย่างไร? ดังที่ได้กล่าวมาแล้วมีหลายปัจจัยในการเลือกเทคโนโลยีที่เหมาะสมสำหรับงานในมือ ตารางที่ 1 แสดงเกณฑ์การออกแบบบางส่วนในเทคโนโลยีการแยกประเภทต่าง ๆ เช่นเดียวกับการออกแบบใด ๆ ควรพิจารณาอย่างรอบคอบเพื่อทำความเข้าใจส่วนประกอบที่ใช้งานอย่างถ่องแท้ ไม่มีสิ่งใดทดแทนสำหรับการตรวจสอบเอกสารข้อมูลทางเทคนิคและการสร้างต้นแบบด้วยส่วนประกอบที่เลือกอย่างละเอียด
ตารางที่ 1: มีปัจจัยสำคัญบางประการที่ต้องพิจารณาเมื่อเลือกวิธีการแยก แต่สิ่งสำคัญคือนักออกแบบต้องศึกษาแผ่นข้อมูลและต้นแบบด้วยส่วนประกอบที่เลือกอย่างรอบคอบ (แหล่งข้อมูล: DigiKey)
นอกเหนือจากที่กำหนดไว้ในตารางที่ 1 แล้วยังต้องพิจารณาปัจจัยอื่น ๆ เมื่อพัฒนาอุปกรณ์ต่อพ่วงแบบแยกที่ใช้ USB ตัวอย่างเช่นต้องคำนวณงบประมาณพลังงานทั้งหมดที่จำเป็นสำหรับวงจรทุติยภูมิ ต้องถ่ายโอนพลังงานที่เพียงพอจากด้านหลักไปยังวงจรทุติยภูมิที่แยกได้เพื่อส่งมอบพลังงานที่จำเป็นทั้งหมดไม่เพียง แต่สำหรับส่วนประกอบการแยกเท่านั้น แต่ยังรวมถึงอุปกรณ์อื่น ๆ เช่น เซ็นเซอร์ไฟ LED และส่วนประกอบลอจิก
นอกจากนี้ตามที่กล่าวไว้ข้างต้นหากใช้โซลูชันการแยกแม่เหล็กไฟฟ้า EMI ที่อาจเกิดขึ้นจากหม้อแปลงจะต้องถูกนำมาพิจารณาในการทดสอบการปล่อยมลพิษและ / หรือผลกระทบของ EMI ต่อวงจรอื่น ๆ
สรุป
USB ยังคงเติบโตอย่างต่อเนื่องในอัตราการถ่ายโอนข้อมูลและความสามารถในการจัดส่งแหล่งพลังงาน อย่างไรก็ตามเมื่อออกแบบผลิตภัณฑ์ที่มีไฟ USB และ/หรือการเชื่อมต่อข้อมูลควรระมัดระวังในการแยกข้อมูลและวงจรไฟฟ้าออกจากกัลวานิกเป็นอันดับต้น ๆ
เพื่อให้เกิดการแยกกัลวานิกนักออกแบบสามารถเลือกระหว่างแนวทางออปติคอลคาปาซิทีฟและแม่เหล็กไฟฟ้าหลังจากแยกเกณฑ์หลายข้อรวมถึงอัตราการถ่ายโอนข้อมูลและ EMI ตลอดจนข้อกำหนดด้านพลังงานและพื้นที่บอร์ด ไม่ว่าจะเลือกแบบใดมีโซลูชันมากมายที่ช่วยให้นักออกแบบมั่นใจได้ว่าทั้งความสมบูรณ์ของวงจรและความปลอดภัยของผู้ออกแบบและผู้ใช้ปลายทาง
Disclaimer: The opinions, beliefs, and viewpoints expressed by the various authors and/or forum participants on this website do not necessarily reflect the opinions, beliefs, and viewpoints of DigiKey or official policies of DigiKey.




