พื้นฐานของ LDO และวิธีการนำไปใช้เพื่อยืดอายุแบตเตอรี่ในอุปกรณ์พกพาและอุปกรณ์สำหรับสวมใส่
Contributed By DigiKey's North American Editors
2022-11-03
อุปกรณ์อิเล็กทรอนิกส์ที่ทันสมัยมีขนาดเล็กลงและพกพามากขึ้น สมาร์ทวอทช์ เครื่องติดตามการออกกำลังกาย ระบบรักษาความปลอดภัย และอุปกรณ์ Internet of Things (IoT) ใช้พลังงานจากแบตเตอรี่มากขึ้นเรื่อย ๆ ด้วยเหตุนี้ พวกเขาจึงต้องการตัวปรับกำลังไฟฟ้าประสิทธิภาพสูงที่บีบกำลังทุกมิลลิวัตต์จากการชาร์จแต่ละครั้งเพื่อให้อุปกรณ์ทำงานได้นานขึ้น พวกเขายังต้องทำงานโดยมีอุณหภูมิสูงขึ้นเล็กน้อย ตัวควบคุมเชิงเส้นแบบดั้งเดิมและตัวควบคุมพลังงานแบบโหมดสวิตช์ไม่สามารถเข้าถึงประสิทธิภาพที่จำเป็นสำหรับอุปกรณ์พกพาเหล่านี้ได้อย่างง่ายดาย นอกจากนี้ตัวควบคุมพลังงานสวิตช์โหมดยังได้รับเสียงรบกวนและแรงดันไฟฟ้าชั่วคราว
ตัวควบคุมแรงดันไฟฟ้าแบบเลื่อนระดับต่ำ (LDO) ซึ่งเป็นสายล่าสุดของสายการควบคุมเชิงเส้นและการสลับซึ่งใช้ประโยชน์จากการทำงานด้วยแรงดันไฟฟ้าที่ต่ำมากลดลงทั่วตัวควบคุมเพื่อปรับปรุงประสิทธิภาพและลดการกระจายความร้อน การเปลี่ยนแปลงของ LDOS นั้นเหมาะสมกับการใช้งานพลังงานต่ำถึงระดับกลาง มีเวอร์ชันที่มีแรงดันเอาต์พุตแบบคงที่หรือแบบปรับได้ รวมถึงบางเวอร์ชันที่มีการควบคุมการเปิด-ปิดผ่านสายเปิดใช้งานเอาต์พุต
บทความนี้ตรวจสอบพื้นฐานของหน่วยงานกำกับดูแลแบบเลื่อนระดับต่ำและลักษณะสำคัญของพวกเขาเมื่อเทียบกับตัวควบคุมพลังงานเชิงเส้นและสวิตช์แบบดั้งเดิม จากนั้นจะแนะนำอุปกรณ์ LDO ในโลกแห่งความเป็นจริงจาก Diodes Incorporated และแสดงให้เห็นว่าพวกเขานำไปใช้อย่างไร
LDO Regulator คืออะไร
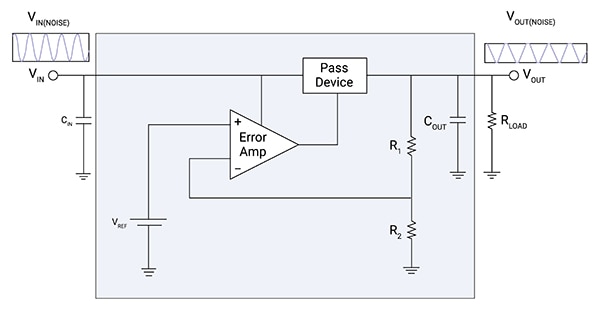
ฟังก์ชั่นของตัวควบคุมแรงดันไฟฟ้าคือการรักษาแรงดันเอาต์พุตคงที่ในการมีการเปลี่ยนแปลงของแรงดันไฟฟ้าและแรงดันไฟฟ้า วงจรควบคุมแรงดันไฟฟ้าแบบดั้งเดิมใช้การออกแบบทั้งแบบเชิงเส้นหรือแบบสลับโหมด เรกูเลเตอร์ LDO อยู่ในคลาสลิเนียร์เรกูเลเตอร์ แต่ทำงานด้วยแรงดันไฟฟ้าต่ำมากระหว่างขั้วอินพุตและเอาต์พุต เช่นเดียวกับตัวควบคุมแรงดันไฟฟ้าเชิงเส้นทั้งหมด LDO จะขึ้นอยู่กับวงจรควบคุมป้อนกลับ (รูปที่ 1)
รูปที่ 1: ตัวควบคุม LDO ขึ้นอยู่กับวงจรป้อนกลับที่ควบคุมด้วยแรงดันไฟฟ้า อุปกรณ์ Series Pass ซึ่งสามารถเป็น PMOS, NMOS หรือทรานซิสเตอร์ Bipolar PNP ทำหน้าที่เหมือนตัวต้านทานที่ควบคุมด้วยแรงดันไฟฟ้า (แหล่งที่มารูปภาพ: Diodes Incorporated)
ตัวควบคุม LDO จะตรวจจับแรงดันเอาต์พุตผ่านตัวแบ่งแรงดันไฟฟ้าต้านทานซึ่งปรับระดับเอาต์พุต แรงดันเอาต์พุตที่ปรับสเกลจะใช้กับแอมพลิฟายเออร์ข้อผิดพลาด ซึ่งจะถูกเปรียบเทียบกับแรงดันอ้างอิง แอมพลิฟายเออร์ที่มีข้อผิดพลาดขับเคลื่อนอุปกรณ์ Series Pass เพื่อรักษาแรงดันไฟฟ้าที่ต้องการที่เทอร์มินัลเอาต์พุต ความแตกต่างระหว่างแรงดันอินพุตและเอาต์พุตคือแรงดันไฟขาออก ซึ่งปรากฏบนอุปกรณ์ที่แรงดันไหลผ่าน
อุปกรณ์ผ่านอนุกรมใน LDO ทำหน้าที่เหมือนตัวต้านทานที่แปรผันตามแรงดัน อุปกรณ์ Series Pass สามารถเป็นเซมิคอนดักเตอร์ออกไซด์โลหะ p-channel (PMOS), เซมิคอนดักเตอร์ออกไซด์โลหะ n-channel (NMOS) หรือทรานซิสเตอร์สองขั้ว PNP อุปกรณ์ PMOS และ PNP สามารถเข้าสู่สภาวะอิ่มตัวได้ และช่วยลดแรงดันตกคร่อม ในกรณีของทรานซิสเตอร์เอฟเฟกต์สนามแม่เหล็ก PMOS (FET) แรงดันไฟตกจะอยู่ที่ประมาณความต้านทานแชนเนล ON (R}DSON) คูณด้วยกระแสเอาต์พุต ในขณะที่อุปกรณ์เหล่านี้แต่ละเครื่องมีข้อดีและข้อเสียอุปกรณ์ PMOS พิสูจน์ให้เห็นว่ามีค่าใช้จ่ายในการใช้งานต่ำที่สุด ผลิตภัณฑ์ AP7361EA จาก Diodes Incorporated ชุดของหน่วยงานกำกับดูแล LDO เอาท์พุทบวกใช้อุปกรณ์ PMOS Pass และบรรลุแรงดันไฟฟ้ากลางคันประมาณ 360 มิลลิโวลต์ (MV) สำหรับเอาต์พุต 3.3 โวลต์ที่กระแสโหลด 1 แอมป์ (A) และความแม่นยำของแรงดันไฟฟ้า± 1% (รูปที่ 2)
รูปที่ 2: แสดงเป็นพล็อตของแรงดันกลางคันของ AP7361EA Series 3.3 Volt LDO เป็นฟังก์ชั่นของกระแสเอาต์พุตที่อุณหภูมิที่แตกต่างกันสามอุณหภูมิ (แหล่งที่มารูปภาพ: Diodes Incorporated)
พล็อตของแรงดันกลางคันเป็นฟังก์ชั่นของกระแสเอาต์พุตแสดงความชันคงที่สำหรับแต่ละอุณหภูมิซึ่งบ่งบอกถึงลักษณะต้านทาน แรงดันตกคร่อมจะค่อนข้างขึ้นอยู่กับอุณหภูมิ โดยระดับจะเพิ่มขึ้นตามอุณหภูมิที่เพิ่มขึ้น โปรดทราบว่าแรงดันตกคร่อม LDO นั้นต่ำกว่าของตัวควบคุมพลังงานเชิงเส้นทั่วไป ซึ่งจะมีแรงดันตกคร่อมประมาณ 2 โวลต์
โปรดสังเกตว่าตัวเก็บประจุเอาท์พุทในรูปที่ 1 จะแสดงด้วยความต้านทานซีรีย์ที่มีประสิทธิภาพโดยธรรมชาติ (ESR) ซึ่งมีผลต่อความเสถียรของตัวควบคุม ตัวเก็บประจุที่เลือกควรมี ESR ต่ำกว่า 10 โอห์ม (Ω) เพื่อรับประกันความเสถียรผ่านอุณหภูมิการทำงานเต็ม -40 °ถึง +85 ° C ประเภทตัวเก็บประจุที่แนะนำ ได้แก่ ตัวเก็บประจุเซรามิกหลายชั้น (MLCC), e-caps โซลิดสเตตและตัวเก็บประจุแทนทาลัมที่มีค่ามากกว่า 2.2 ไมโครฟารัม (MF)
กระแสน้ำนิ่ง IQ แสดงถึงกระแสไฟฟ้าที่ดึงมาจากแหล่งพลังงานโดย LDO โดยไม่มีการโหลด กระแสไฟนิ่งจะจ่ายพลังงานให้กับวงจรภายใน LDO เช่น ตัวขยายข้อผิดพลาดและตัวแบ่งแรงดันเอาต์พุต ในอุปกรณ์ที่ใช้พลังงานจากแบตเตอรี่ กระแสไฟที่นิ่งจะส่งผลต่ออัตราการคายประจุของแบตเตอรี่ และได้รับการออกแบบโดยทั่วไปให้ต่ำที่สุดเท่าที่จะเป็นไปได้ ซีรี่ส์ Diodes Incorporated AP7361EA มี IQ ของ 68 มิลลิแอมป์
LDOS ซีรี่ส์ AP7361EA
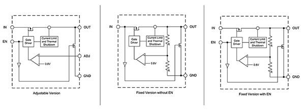
AP7361EA ซีรีส์ประกอบด้วยการกำหนดค่าวงจรทางเลือกสามแบบ ดังแสดงในรูปที่ 3
รูปที่ 3: ซีรี่ส์ AP7361EA นำเสนออุปกรณ์แรงดันไฟฟ้าที่คงที่หรือปรับได้โดยมีหรือไม่มีการควบคุมเปิดใช้งาน (แหล่งที่มารูปภาพ: Diodes Incorporated)
ซีรี่ส์ AP7361EA รวมถึงรุ่นที่มีแรงดันเอาต์พุตคงที่หรือปรับได้ เวอร์ชันแรงดันไฟฟ้าคงที่มีตัวแบ่งแรงดันไฟฟ้าภายในและมีระดับแรงดันเอาต์พุต 1.0, 1.2, 1.5, 1.8, 2.5, 2.8 หรือ 3.3 โวลต์ อุปกรณ์เอาต์พุตแบบปรับได้ต้องการตัวแบ่งแรงดันภายนอกที่ผู้ใช้เป็นผู้จ่าย และมีช่วงแรงดันเอาต์พุตที่ 0.8 ถึง 5 โวลต์ ข้อกำหนดความแม่นยำของแรงดันเอาต์พุตสำหรับทุกรุ่นคือ ± 1% พร้อมด้วยช่วงแรงดันอินพุตที่ 2.2 ถึง 6 โวลต์
รุ่นคงที่หรือปรับได้สามารถรวมสายควบคุมการเปิดใช้งาน (EN) AP7361EA เปิดโดยการตั้งค่าพิน EN ให้สูง และปิดโดยดึงให้ต่ำ หากไม่ได้ใช้คุณสมบัตินี้ PIN EN ควรเชื่อมโยงกับพินอินพุต (ใน) เพื่อให้เอาต์พุตตัวควบคุมตลอดเวลา เวลาตอบสนองสำหรับบรรทัดการเปิดใช้งานอยู่ที่ประมาณ 200 ไมโครวินาที (ms) สำหรับการเปิดใช้งาน และประมาณ 50 ms สำหรับการปิด
ข้อแตกต่างที่สำคัญอื่นๆ ระหว่างอุปกรณ์ AP7361EA คือแพ็คเกจจริง มีให้บริการใน U-DFN3030-8 (Type E), SOT89-5, SOT223, TO252 (DPAK) และแพ็คเกจ SO-8EP
การเปรียบเทียบตัวอย่างบางส่วนของผลิตภัณฑ์ AP7361EA รวมถึงทั้งแบบคงที่ (AP7361EA-33DR-13, AP7361EA-10ER-13) และปรับได้ (AP7361EA-FGE-7, AP7361EA-SPR-13) เวอร์ชันแสดงในตารางที่ 1
|
ตารางที่ 1: ตัวอย่างของการกำหนดค่าแรงดันไฟฟ้าที่แก้ไขและปรับได้ AP7361EA (แหล่งที่มาของตาราง: Art Pini โดยใช้ข้อมูลจาก Diodes Inc.)
อุปกรณ์ซีรี่ส์ AP7361EA ทั้งหมดได้รับการปกป้องจากการลัดวงจรและกระแสเกิน การป้องกันไฟฟ้าลัดวงจรและกระแสไฟเกินมีขีดจำกัดกระแสไฟฟ้าแบบพับกลับที่ 400 มิลลิแอมป์ (mA) หากกระแสไฟขาออกเกินขีดจำกัดกระแสไฟฟ้า โดยทั่วไปคือ 1.5 A การปิดระบบระบายความร้อนเกิดขึ้นเมื่ออุณหภูมิจุดเชื่อมต่อของอุปกรณ์เพิ่มขึ้นเป็น 150°C ตามปกติ และการทำงานจะกลับคืนมาเมื่อ อุณหภูมิจะลดลงต่ำกว่าประมาณ 130°C
โหลดและไลน์เรกูเลชั่น
การควบคุมโหลดอธิบายถึงความสามารถของ LDO ในการรักษาแรงดันเอาต์พุตแม้จะมีการเปลี่ยนแปลงในกระแสโหลดเอาต์พุต นี่เป็นสิ่งสำคัญในอุปกรณ์พกพาที่ใช้พลังงานจากแบตเตอรี่ ซึ่งคอนโทรลเลอร์มักจะปิดระบบย่อยเมื่อไม่ได้ใช้งาน ซีรี่ส์ AP7361EA LDO มีการควบคุมโหลดสูงสุดที่ระบุ 1.5% สำหรับระดับเอาต์พุตของ 1 ถึง 1.2 โวลต์และ 1% สำหรับเอาต์พุต 1.2 ถึง 3.3 โวลต์ (รูปที่ 4)
รูปที่ 4: ตัวอย่างของกราฟการควบคุมการโหลดสำหรับเอาต์พุต 3.3 โวลต์ ความแปรปรวนของเอาต์พุตสูงสุดอยู่ที่ประมาณ 0.15% หรือประมาณ 5.0 mV สำหรับการเปลี่ยนแปลงโหลดจาก 100 เป็น 500 mA สำหรับเอาต์พุตเล็กน้อย 3.3-volt (แหล่งที่มารูปภาพ: Diodes Incorporated)
การควบคุมโหลดจะคำนวณเป็นอัตราส่วนของการเปลี่ยนแปลงแรงดันเอาต์พุตสูงสุดต่อแรงดันเอาต์พุตปกติ ในตัวอย่างข้างต้น ความแปรผันของเอาต์พุตสูงสุดคือประมาณ 5.0 mV สำหรับการเปลี่ยนแปลงโหลด 100 mA ถึง 500 mA ดังนั้นการควบคุมโหลดคือ 0.005/3.3 หรือ 0.15%
การแปรผันของบรรทัดระบุความแปรปรวนในเอาต์พุตสำหรับการเปลี่ยนแปลงในแรงดันไฟฟ้าของแหล่งที่มาต่อโวลต์ของเอาต์พุต ซีรี่ส์ AP7361EA มีข้อกำหนดการควบคุมเส้นสูงสุด 0.1%ต่อโวลต์ (%/v) ที่อุณหภูมิห้องและ 0.2%/V ในช่วงอุณหภูมิเต็ม สำหรับเอาต์พุต 3.3 โวลต์การเปลี่ยนแปลงระดับอินพุต 1 โวลต์ควรมีการเปลี่ยนแปลงระดับเอาต์พุตน้อยกว่า 0.33% ของเอาต์พุต 3.3-volt (รูปที่ 5)
รูปที่ 5: แสดงเป็นกราฟของการควบคุมสายสำหรับ AP7361EA ที่ทำงานด้วยเอาต์พุต 3.3 โวลต์ การเปลี่ยนแปลงของแรงดันไฟฟ้าอินพุตจาก 4.3 เป็น 5.3 โวลต์ส่งผลให้เกิดการเปลี่ยนแปลงแรงดันไฟฟ้าเอาท์พุท 0.05% (แหล่งที่มารูปภาพ: Diodes Incorporated)
รูปที่ 5 แสดงลักษณะการควบคุมบรรทัดของ LDO การเปลี่ยนแปลงของแรงดันไฟฟ้าต้นทางจาก 4.3 เป็น 5.3 โวลต์ส่งผลให้มีการเปลี่ยนแปลงระดับเอาท์พุท 0.05% หรือประมาณ 1.65 mV
โปรดทราบว่าภายใต้ทั้งเงื่อนไขการเปลี่ยนแปลงของเส้นและโหลด เอาต์พุตจะแสดงการฟื้นตัวอย่างรวดเร็วจากเหตุการณ์ชั่วคราว นี่เป็นสิ่งสำคัญเมื่อรีสตาร์ทกระบวนการในอุปกรณ์พกพาที่ต้องมีบัสพลังงานและทำงานก่อนที่วงจรที่เงียบจะสามารถรีสตาร์ทได้
อัตราส่วนการปฏิเสธแหล่งจ่ายไฟ
LDOS เป็นวงจรเชิงเส้นสร้างเสียงรบกวนน้อยกว่าอุปกรณ์จ่ายไฟแบบสวิตช์ (SMPS) หรือตัวแปลงพลังงาน ในหลายแอปพลิเคชัน LDO จะถูกใช้ในพื้นที่บนแผงวงจร แต่แหล่งพลังงานคือ SMPS เนื่องจากระบบควบคุมภายใน LDO จึงมีแนวโน้มที่จะลดเสียงรบกวนและแรงกระเพื่อมจากแหล่งพลังงานอินพุต การวัดการลดเสียงรบกวนนี้คืออัตราส่วนการปฏิเสธแหล่งจ่ายไฟ (PSRR) (รูปที่ 6)
รูปที่ 6: PSRR คำนวณจากสัญญาณกระแสสลับที่วัดที่อินพุตและเอาต์พุตของ LDO (แหล่งที่มารูปภาพ: Diodes Incorporated)
PSRR คำนวณตามอัตราส่วนของส่วนประกอบ AC ของอินพุตต่อเอาต์พุตดังแสดงในรูปที่ 6 PSRR ในซีรีส์ AP7361EA ขึ้นอยู่กับความถี่ โดยจะลดลงตามความถี่ที่เพิ่มขึ้น PSRR คือ 75 เดซิเบล (dB) ที่ 1 กิโลเฮิร์ตซ์ (kHz) และลดลงเหลือ 55 เดซิเบลที่ความถี่ 10 kHz 75 dB แสดงถึงการลดทอนมากกว่า 5600: 1 การกระเพื่อมหรือสัญญาณรบกวน 10 mV ที่ 1 kHz จะถูกลดทอนให้เหลือประมาณ 1.7 ไมโครโวลต์ (µV)
ตัวอย่างการใช้งาน
การใช้งานทั่วไปของเอาต์พุต LDO ที่ปรับได้แสดงในรูปที่ 7 ประกอบด้วยช่องเปิดเอาต์พุตที่คล้ายกับ AP7361EA-SPR-13 ตลอดจนตัวแบ่งแรงดันเอาต์พุตภายนอก
รูปที่ 7: ตัวอย่างของการใช้ LDO เอาต์พุตที่ปรับได้ซึ่งต้องการตัวแบ่งแรงดันไฟฟ้าภายนอก สมการ (ขวาล่าง) แสดงความสัมพันธ์ระหว่างตัวต้านทาน R1 และ R2 สำหรับแรงดันเอาต์พุตที่ต้องการและแรงดันอ้างอิงภายใน (แหล่งที่มารูปภาพ: Diodes Incorporated)
ค่าตัวต้านทานตัวต้านทานตัวต้านทานสามารถคำนวณได้โดยใช้สมการที่แสดงในด้านล่างขวาของรูปที่ 7 ควรเก็บค่า R2 ที่น้อยกว่า 80 กิโลกรัม (kΩ) เพื่อให้แน่ใจว่ามีความเสถียรของการอ้างอิงแรงดันไฟฟ้าภายใน สำหรับเอาต์พุต 2.4 โวลต์ที่มีแรงดันอ้างอิง 0.8 โวลต์และ R2 เท่ากับ 61.9 kΩค่าของ R1 ทำงานเป็น 123.8 kΩ ตัวต้านทาน 124 kΩ, 1% จะเหมาะสม
สรุป
LDO เป็นตัวควบคุมแรงดันไฟฟ้าเชิงเส้นที่ทำงานโดยมีความแตกต่างของแรงดันไฟต่ำทั่วทั้งอินพุตและเอาต์พุต และด้วยกระแสไฟนิ่งที่ต่ำ พวกเขามีประสิทธิภาพพลังงานสูงด้วยเสียงรบกวนต่ำและขนาดเล็ก พวกเขามีความเหมาะสมเป็นพิเศษสำหรับอุปกรณ์พกพาที่ใช้แบตเตอรี่ซึ่งยืดอายุการใช้งานแบตเตอรี่และปรับปรุงความน่าเชื่อถือ
Disclaimer: The opinions, beliefs, and viewpoints expressed by the various authors and/or forum participants on this website do not necessarily reflect the opinions, beliefs, and viewpoints of DigiKey or official policies of DigiKey.

