วิธีการออกแบบและรับรองระบบที่ใช้ RTD ที่ปลอดภัยในการใช้งาน
Contributed By DigiKey's North American Editors
2023-07-24
ตัวตรวจจับอุณหภูมิตามการเปลี่ยนแปลงของความต้านทาน (RTD) ซึ่งประกอบด้วยทรานสดิวเซอร์และวงจรการปรับสภาพสัญญาณฟรอนต์เอนแบบแอนะล็อก (AFE) นั้นถูกนำมาใช้อย่างแพร่หลาย มีความแม่นยำ และเชื่อถือได้ อย่างไรก็ตาม สำหรับการใช้งานที่มีความสำคัญและมีความน่าเชื่อถือสูง มักจำเป็นต้องมีการออกแบบและการรับรองระบบที่ปลอดภัยในการใช้งานผ่านกระบวนการรับรองส่วนประกอบ Route 1S หรือ Route 2S
การรับรองระบบเพื่อความปลอดภัยในการทำงานเป็นกระบวนการที่ซับซ้อน เนื่องจากส่วนประกอบทั้งหมดในระบบต้องได้รับการตรวจสอบเพื่อหาอาการและกลไกความล้มเหลวที่อาจเกิดขึ้น ซึ่งมีการวินิจฉัยความล้มเหลวหลายวิธี และการใช้ชิ้นส่วนที่ได้รับการรับรองช่วยลดภาระงานไปพร้อมกับกระบวนการรับรอง
โปรดทราบว่า "ความน่าเชื่อถือ" เกี่ยวข้องกับความปลอดภัยในการใช้งาน แต่ไม่ใช่สิ่งเดียวกัน โดยความน่าเชื่อถือหมายถึงการออกแบบและการนำไปใช้งานซึ่งทำงานตามข้อมูลจำเพาะโดยไม่มีปัญหาหรือความล้มเหลว ในขณะที่ "ปลอดภัยในการใช้งาน" หมายความว่าจะต้องตรวจพบความล้มเหลวใด ๆ โดยการออกแบบ ซึ่งจำเป็นต้องมีทั้งความน่าเชื่อถือและความปลอดภัยในการใช้งานสำหรับการใช้งานที่สำคัญ
บทความนี้จะศึกษาพื้นฐานของ RTD และวงจรการปรับสภาพสัญญาณในบริบทของการรับรองความปลอดภัยในการใช้งาน จากนั้นจะกล่าวถึงเกี่ยวกับความน่าเชื่อถือระดับต่าง ๆ และการรับรองความล้มเหลว และสิ่งที่จำเป็นเพื่อให้ผ่านการรับรองทั้งสอง โดยจะใช้ไอซี RTD AFE แบบหลายช่องสัญญาณสองตัว ไอซี AD7124 คู่จาก Analog Devices ควบคู่ไปกับรูปแบบบอร์ดประเมินผลที่เกี่ยวข้อง เพื่ออธิบายประเด็นสำคัญ
บทบาทของความปลอดภัยในการทำงาน
บทบาทของความปลอดภัยในการทำงานคือการปราศจากความเสี่ยงที่ยอมรับไม่ได้ในการบาดเจ็บหรือความเสียหายต่อสุขภาพของผู้คนผ่านการใช้งานฟังก์ชันการป้องกัน/ความปลอดภัยโดยอัตโนมัติอย่างน้อยหนึ่งฟังก์ชันอย่างเหมาะสม ซึ่งช่วยให้มั่นใจได้ว่าผลิตภัณฑ์ อุปกรณ์ หรือระบบยังคงทำงานอย่างปลอดภัยหากเกิดความผิดปกติขึ้น ซึ่งจำเป็นในการใช้งานอุตสาหกรรม เชิงพาณิชย์ และแม้แต่การใช้งานสำหรับผู้บริโภคบางประเภท เช่น:
- ยานพาหนะอัตโนมัติ
- ความปลอดภัยของเครื่องจักรและหุ่นยนต์
- ระบบควบคุมอุตสาหกรรม (ICS)
- ผลิตภัณฑ์บ้านอัจฉริยะสำหรับผู้บริโภค
- โรงงานอัจฉริยะและซัพพลายเชน
- ระบบเครื่องมือวัดความปลอดภัยและระบบควบคุมสถานที่อันตราย
ตัวอย่างการออกแบบที่ปลอดภัยในการใช้งาน เช่น ฟังก์ชันสวิตช์มาสเตอร์สำหรับการเปิด/ปิดจะยังคงรองรับการปิดเครื่อง แม้ว่าส่วนประกอบอื่นๆ ในระบบจะล้มเหลว (รูปที่ 1)
 รูปที่ 1: ในระบบที่ปลอดภัยต่อการใช้งาน ไม่ต้องสงสัยว่าสวิตช์นี้ออกแบบมาเพื่ออะไร (แหล่งที่มาภาพ: Pilla ผ่าน City Electric Supply Co.)
รูปที่ 1: ในระบบที่ปลอดภัยต่อการใช้งาน ไม่ต้องสงสัยว่าสวิตช์นี้ออกแบบมาเพื่ออะไร (แหล่งที่มาภาพ: Pilla ผ่าน City Electric Supply Co.)
พื้นฐานเกี่ยวกับ RTD
ทำไมต้องดูอุณหภูมิและความปลอดภัยในการทำงาน? เหตุผลหนึ่งที่ดีคืออุณหภูมิเป็นพารามิเตอร์ทางกายภาพที่วัดมากที่สุด ซึ่งมักเกี่ยวข้องกับความปลอดภัยหรือการใช้งานที่สำคัญ และรองรับโดยทรานสดิวเซอร์ที่มีให้เลือกมากมาย หนึ่งในทรานสดิวเซอร์เหล่านั้น ได้แก่ RTD ซึ่งมีแนวคิดที่เรียบง่าย โดยใช้ประโยชน์จากค่าสัมประสิทธิ์การต้านทานอุณหภูมิ (TCR) เป็นที่รู้จักและเกิดซ้ำได้ของโลหะ เช่น นิกเกิล ทองแดง และแพลทินัม โดย RTD จากแพลทินัมที่มีความต้านทาน 100 โอห์ม (Ω) และ 1,000 โอห์มที่ 0°C นั้นถูกใช้อย่างแพร่หลายมากที่สุด และสามารถใช้ได้ในช่วงอุณหภูมิ -200°C ถึง +850°C
RTD เหล่านี้มีความสัมพันธ์เชิงเส้นตรงระหว่างความต้านทานต่ออุณหภูมิในช่วงอุณหภูมิดังกล่าว สำหรับกรณีที่มีความแม่นยำสูงพิเศษ จะต้องใช้ตารางการแก้ไขและชดเชยและปัจจัยต่าง ๆ ที่สามารถนำมาใช้ได้ โดย RTD แพลทินัมที่มีความต้านทาน 100 Ω (หรือ PT100) มีความต้านทานทั่วไปที่ 18 Ω ที่ -200°C และ 390.4 Ω ที่ +850°C
การใช้ RTD จำเป็นต้องกระตุ้นกระแสที่ทราบค่าซึ่งโดยปกติจะอยู่ที่ประมาณ 1 มิลลิแอมป์ (mA) เพื่อลดความร้อนในตัวเองให้เหลือน้อยที่สุด นอกจากนี้ยังใช้ค่ากระแสอื่น ๆ ขึ้นอยู่กับค่าความต้านทาน RTD ที่ระบุ
แรงดันตกคร่อม RTD จะถูกวัดพร้อมกันผ่าน AFE ซึ่งประกอบด้วยตัวขยายสัญญาณแบบตั้งโปรแกรมได้ (PGA) และในแทบทุกกรณี ตัวแปลงแอนะล็อกเป็นดิจิตอล (ADC) จะใช้งานร่วมกับไมโครคอนโทรลเลอร์ (MCU) (รูปที่ 2)
 รูปที่ 2: การใช้ RTD เพื่อวัดอุณหภูมิจำเป็นต้องป้อนกระแสที่ทราบค่าให้กับ RTD และวัดแรงดันตกคร่อม จากนั้นใช้กฎของโอห์ม (แหล่งที่มาภาพ: Digi-Key)
รูปที่ 2: การใช้ RTD เพื่อวัดอุณหภูมิจำเป็นต้องป้อนกระแสที่ทราบค่าให้กับ RTD และวัดแรงดันตกคร่อม จากนั้นใช้กฎของโอห์ม (แหล่งที่มาภาพ: Digi-Key)
โทโพโลยีวงจรของโครงร่างพื้นฐานนี้เหมือนกับการใช้ตัวต้านทานตรวจวัดเพื่อกำหนดกระแสผ่านโหลด แต่ในที่นี่จะมีการเปลี่ยนตัวแปรที่ทราบค่าและไม่ทราบค่า สำหรับการตรวจจับกระแส จะทราบความต้านทานในขณะที่ไม่ทราบกระแส ดังนั้นการคำนวณคือ I = V/R สำหรับ RTD ที่ทราบค่ากระแส แต่ไม่ทราบค่าความต้านทาน ดังนั้นการคำนวณคือ R = V/I
PGA จำเป็นต่อการรักษาความสมบูรณ์ของสัญญาณและเพิ่มช่วงไดนามิกให้สูงสุด เนื่องจากระดับแรงดันไฟฟ้าทั่วทั้ง RTD สามารถอยู่ในช่วงตั้งแต่ 10 มิลลิโวลต์ไปจนถึงหลายร้อยมิลลิโวลต์ ขึ้นอยู่กับประเภทและอุณหภูมิของ RTD
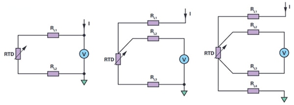
การเชื่อมต่อทางกายภาพระหว่างแหล่งกระตุ้น RTD และ PGA สามารถเป็นอินเทอร์เฟซสอง สาม หรือสี่สาย แม้ว่าโดยหลักการแล้วตัวนำสองสายจะเพียงพอ แต่ก็มีปัญหาที่เกี่ยวข้องกับการลดลงของ IR ในสายการเชื่อมต่อ พร้อมกับค่าอื่นๆ การใช้โทโพโลยีแบบสามสายและสี่สายในการเชื่อมต่อแบบเคลวินขั้นสูงทำให้ได้ประสิทธิภาพที่แม่นยำและสม่ำเสมอมากขึ้น แม้ว่าจะเพิ่มค่าใช้จ่ายในการเดินสาย (รูปที่ 3)
 รูปที่ 3: สามารถขับเคลื่อนและตรวจจับ RTD ผ่านสายไฟเพียงสองเส้น (ซ้าย) แต่การใช้สายไฟสามเส้น (ตรงกลาง) และแม้แต่สี่สายไฟ (ขวา การเชื่อมต่อแบบเคลวิน) ช่วยให้สามารถกำจัดแหล่งที่มาของข้อผิดพลาดต่างๆ เนื่องจากสายไฟได้ (แหล่งที่มาภาพ: Analog Devices)
รูปที่ 3: สามารถขับเคลื่อนและตรวจจับ RTD ผ่านสายไฟเพียงสองเส้น (ซ้าย) แต่การใช้สายไฟสามเส้น (ตรงกลาง) และแม้แต่สี่สายไฟ (ขวา การเชื่อมต่อแบบเคลวิน) ช่วยให้สามารถกำจัดแหล่งที่มาของข้อผิดพลาดต่างๆ เนื่องจากสายไฟได้ (แหล่งที่มาภาพ: Analog Devices)
เริ่มต้นด้วยคำศัพท์และมาตรฐาน
ความปลอดภัยในการทำงานมีคำศัพท์เฉพาะ ชุดข้อมูล และตัวย่อมากมายที่ใช้กันอย่างแพร่หลายในการอภิปรายที่เกี่ยวข้อง ในจำนวนนี้คือ:
- เวลาที่จะล้มเหลว (FIT): จำนวนความล้มเหลวที่อาจเกิดขึ้นได้ในหนึ่งพันล้าน (109) ชั่วโมงการทำงานของอุปกรณ์
- การวิเคราะห์อาการล้มเหลวและผลกระทบ (FMEA): กระบวนการตรวจสอบส่วนประกอบ ชุดประกอบ และระบบย่อยต่างๆ ให้ได้มากที่สุดเท่าที่จะเป็นไปได้ เพื่อระบุอาการขัดข้องที่อาจเกิดขึ้นในระบบ ตลอดจนสาเหตุและผลกระทบ
- การวิเคราะห์ผลกระทบและการวินิจฉัยอาการขัดข้อง (FMEDA): เทคนิคการวิเคราะห์อย่างเป็นระบบเพื่อให้ได้มาซึ่งอัตราความล้มเหลวในระดับระบบย่อย/ผลิตภัณฑ์ อาการขัดข้อง และความสามารถในการวินิจฉัย
จำเป็นต้องมีข้อมูล FIT พร้อมกับการวิเคราะห์ผลกระทบและการวินิจฉัยอาการขัดข้อง (FMEDA) ในส่วนประกอบต่างๆ ในระบบสำหรับการวิเคราะห์ทั้งหมด FMEA นำเสนอข้อมูลเชิงคุณภาพเท่านั้น ขณะที่ FMEDA นำเสนอข้อมูลทั้งเชิงคุณภาพและเชิงปริมาณ ช่วยให้ผู้ใช้สามารถวัดระดับวิกฤตไปสู่อาการขัดข้องและจัดลำดับตามความสำคัญได้ โดย FMEDA เพิ่มความเสี่ยง อาการขัดข้อง การวิเคราะห์ผลกระทบและการวินิจฉัย และข้อมูลความน่าเชื่อถือ
- ค่าระดับความปลอดภัย (SIL): มีค่าระดับแบบไม่ต่อเนื่องสี่ระดับที่เกี่ยวข้องกับ SIL: SIL 1, SIL 2, SIL 3 และ SIL 4 ยิ่งระดับ SIL สูง ระดับความปลอดภัยที่เกี่ยวข้องก็จะยิ่งสูงขึ้น และความน่าจะเป็นที่ระบบจะทำงานผิดพลาดก็จะยิ่งต่ำลง
ระดับ SIL 2 บ่งชี้ว่าสามารถวินิจฉัยความล้มเหลวภายในระบบได้มากกว่า 90% ในการรับรองการออกแบบ ผู้ออกแบบระบบต้องแสดงหลักฐานความล้มเหลวที่อาจเกิดขึ้นต่อหน่วยงานรับรอง ไม่ว่าจะเป็นความล้มเหลวที่ปลอดภัยหรือความล้มเหลวที่เป็นอันตราย และจะวินิจฉัยว่าเกิดความล้มเหลวได้อย่างไร
- IEC 61508 ชื่ออย่างเป็นทางการว่า “Functional Safety of Electrical/Electronic/Programmable Electronic Safety-related Systems” (และเรียกอย่างไม่เป็นทางการว่า “Electronic Functional Safety”) เป็นข้อกำหนดเฉพาะสำหรับการออกแบบที่ปลอดภัยต่อการใช้งาน โดยจะบันทึกขั้นตอนการออกแบบที่จำเป็นในการพัฒนาชิ้นส่วนที่ผ่านการรับรอง SIL จำเป็นต้องมีการสร้างเอกสารสำหรับแต่ละขั้นตอน ตั้งแต่แนวคิดและคำจำกัดความไปจนถึงการออกแบบ เค้าโครง การประดิษฐ์ การประกอบ และการทดสอบ
กระบวนการนี้เรียกว่า Route 1S และมีความซับซ้อน อย่างไรก็ตาม มีทางเลือกอื่นสำหรับ Route 1S ที่เรียกว่า Route 2S ที่เป็นวิธีการที่ “ได้รับการพิสูจน์ในการใช้งาน” และใช้ได้เมื่อผลิตภัณฑ์จำนวนมากได้รับการออกแบบเป็นผลิตภัณฑ์ขั้นสุดท้ายและระบบ และกำลังใช้งานในภาคสนามด้วยการทำงานสะสมหลายพันชั่วโมง
ภายใต้ Route 2S ผลิตภัณฑ์ยังคงได้รับการรับรองโดยแสดงหลักฐานต่อหน่วยงานออกใบรับรอง:
- ปริมาณที่ใช้ในฟิลด์
- การวิเคราะห์ผลิตภัณฑ์ส่งคืนใดๆ จากภาคสนามและรายละเอียดว่าผลิตภัณฑ์ส่งคืนไม่ได้เกิดจากความล้มเหลวภายในส่วนประกอบเอง
- เอกสารข้อมูลความปลอดภัยที่ให้รายละเอียดเกี่ยวกับการวินิจฉัยและความครอบคลุมที่มีให้
- FMEDA แบบ Pin และแบบ Die
การผสานอินเทอร์เฟซ RTD กับ SIL Route 2S
การรับรองระบบเป็นกระบวนการที่ยาวนาน เนื่องจากส่วนประกอบทั้งหมดในระบบต้องได้รับการตรวจสอบเพื่อหากลไกความล้มเหลวที่อาจเกิดขึ้น และมีวิธีการต่างๆ ในการวินิจฉัยความล้มเหลว ซึ่งการใช้ชิ้นส่วนที่ได้รับการรับรองแล้วช่วยลดขั้นตอนที่จำเป็นและทำให้กระบวนการรับรองสั้นลง
ส่วนประกอบอินเทอร์เฟซ RTD ที่ใช้งานได้และมีการบูรณาการสูงเป็นกุญแจสำคัญในการผ่อนปรนการรับรอง Route 2S เนื่องจากส่วนประกอบดังกล่าวกำหนดแพคเกจโซลูชันที่สมบูรณ์ และด้วยเหตุนี้จึงสามารถกำหนดคุณลักษณะได้อย่างสมบูรณ์ด้วยข้อมูลที่เกี่ยวข้องกับการใช้งานภาคสนามและความล้มเหลว ซึ่งแตกต่างจากการใช้ไอซีแบบสำเร็จรูปขนาดเล็กหลายตัว ซึ่งอินเทอร์เฟซและการโต้ตอบต่างๆ ของไอซีเหล่านั้นต้องได้รับการวิเคราะห์สำหรับการกำหนดค่าการเชื่อมต่อโครงข่ายเฉพาะที่ใช้
ตัวอย่างได้แก่ AD7124-4 สี่ช่องสัญญาณ (รูปที่ 4) และ AD7124-8 แปดช่องที่คล้ายกัน (จากนี้ไปจะเรียกโดยรวมว่า “AD7124” เมื่อพูดถึงคุณสมบัติหลายอย่างที่มีเหมือนกัน) ส่วนประกอบเหล่านี้เหมาะสมอย่างยิ่งสำหรับ Route 2S เนื่องจากมีคุณลักษณะการทดสอบและวินิจฉัยตัวเองในตัว ตลอดจน "บันทึกการติดตาม" ในภาคสนาม
 รูปที่ 4: AD7124-4 สี่แชนเนลเป็นเชนสัญญาณระหว่างเซ็นเซอร์กับโปรเซสเซอร์ RTD ที่สมบูรณ์ในการทำงาน (แหล่งที่มาภาพ: Analog Devices)
รูปที่ 4: AD7124-4 สี่แชนเนลเป็นเชนสัญญาณระหว่างเซ็นเซอร์กับโปรเซสเซอร์ RTD ที่สมบูรณ์ในการทำงาน (แหล่งที่มาภาพ: Analog Devices)
ไอซีเหล่านี้เป็นโซลูชันที่สมบูรณ์สำหรับการวัด RTD แบบหลายช่องสัญญาณ และรวมหน่วยโครงสร้างทั้งหมดที่จำเป็นตั้งแต่เซ็นเซอร์ไปจนถึงเอาต์พุตดิจิทัล และสำหรับการสื่อสารกับไมโครคอนโทรลเลอร์ที่เกี่ยวข้อง ซึ่งประกอบด้วยมัลติแชนแนลมัลติเพล็กเซอร์, PGA, ADC ซิกม่า-เดลต้า 24 บิต, แหล่งจ่ายกระแสสำหรับ RTD, แรงดันไฟฟ้าอ้างอิงสำหรับการทำงานภายใน, นาฬิการะบบ, การกรองแอนะล็อกและดิจิตอล และอินเทอร์เฟซแบบอนุกรมสามสายหรือสี่สายสำหรับ SPI, QSPI, MICROWIRE และการเชื่อมต่อระหว่างกันที่เข้ากันได้กับ DSP
อย่างไรก็ตามฟังก์ชันเหล่านี้ไม่ได้ให้พื้นฐานสำหรับการรับรอง SIL Route 2S สำหรับการออกแบบที่ปลอดภัยต่อการใช้งานนั้น จำเป็นต้องมีชุดการวินิจฉัยแบบฝังตัวสำหรับฟังก์ชันต่างๆ ที่ประกอบด้วยระบบ RTD โดยการวินิจฉัยแบบฝังหลายตัวใน AD7124 ช่วยลดทั้งความซับซ้อนในการออกแบบและเวลาในการออกแบบ และขจัดความจำเป็นในการขยายสายสัญญาณเพื่อความครอบคลุมในการวินิจฉัย
การวินิจฉัยเหล่านี้รวมถึงแต่ไม่จำกัดเพียงการตรวจสอบแหล่งจ่ายไฟ แรงดันอ้างอิง และอินพุตแบบแอนะล็อก การตรวจจับสายเปิดไปยัง RTD การตรวจสอบประสิทธิภาพการแปลงและการสอบเทียบ ตรวจสอบการทำงานของสายสัญญาณ การตรวจสอบฟังก์ชันการอ่าน/เขียน และการตรวจสอบรีจิสเตอร์
คำว่า "ระดับสูง" เหล่านี้แปลเป็นการวินิจฉัยบนชิปที่จำเป็นได้อย่างไร คำตอบมีหลายแง่มุม ได้แก่ :
การวินิจฉัย SPI: สำหรับการเขียนไปยัง AD7124 ทุกครั้ง ตัวประมวลผลจะสร้างค่าการตรวจสอบความซ้ำซ้อนแบบวนซ้ำ (CRC) ที่ต่อท้ายข้อมูลที่ส่งไปยัง ADC จากนั้น ADC จะสร้างค่า CRC ของตัวเองจากข้อมูลที่ได้รับและเปรียบเทียบกับค่า CRC ที่ได้รับจากโปรเซสเซอร์ หากค่าทั้งสองสอดคล้องกัน ข้อมูลจะยังคงอยู่และจะถูกเขียนไปยังรีจิสเตอร์บนชิปที่เกี่ยวข้อง
หากค่าไม่ตรงกัน แสดงว่าเกิดการเสียหายเล็กน้อยในการส่ง และไอซีจะตั้งค่าสถานะข้อผิดพลาดที่บ่งชี้ว่าข้อมูลเสียหายเกิดขึ้น นอกจากนี้ AD7124 ยังป้องกันตัวเองด้วยการไม่เขียนข้อมูลที่เสียหายลงในเครื่องบันทึก
ขั้นตอน CRC ที่คล้ายกันจะถูกนำมาใช้เมื่ออ่านข้อมูลจาก AD7124 ไปยังตัวประมวลผลระบบ สุดท้าย อินเทอร์เฟซยังนับพัลส์สัญญาณนาฬิกาเพื่อให้แน่ใจว่ามีเพียงแปดพัลส์ดังกล่าวในแต่ละเฟรมข้อมูลการอ่านหรือเขียน ดังนั้นจึงมั่นใจได้ว่าสัญญาณนาฬิกาจะไม่เกิดขึ้น
การตรวจสอบหน่วยความจำ: CRC ยังใช้เพื่อตรวจสอบเนื้อหาของรีจิสเตอร์เมื่อเปิดเครื่องหรือเมื่อใดก็ตามที่รีจิสเตอร์บนชิปมีการเปลี่ยนแปลง (เช่น เมื่อเปลี่ยนเกน) กระบวนการ CRC จะดำเนินการเป็นระยะเพื่อให้แน่ใจว่าไม่มีบิตหน่วยความจำ "พลิกกลับ" เนื่องจากสัญญาณรบกวนหรือสาเหตุอื่นๆ หากมีการเปลี่ยนแปลงและต่อมามีการเตือนโปรเซสเซอร์ว่าการตั้งค่ารีจิสเตอร์เสียหาย โปรเซสเซอร์สามารถรีเซ็ต ADC และรีโหลดรีจิสเตอร์ได้
การตรวจสอบสายสัญญาณ: สามารถตรวจสอบแรงดันไฟฟ้าสถิตที่สำคัญทั้งหมดได้ผ่าน ADC รวมถึงรางจ่ายไฟ เอาต์พุตควบคุมแรงดันต่ำ (LDO) และแรงดันอ้างอิง สามารถตรวจสอบการมีหรือไม่มีตัวเก็บประจุภายนอกทั่วทั้ง LDO นอกจากนี้ยังสามารถใช้แรงดันไฟฟ้าที่ทราบกับอินพุต ADC เพื่อตรวจสอบ ADC และการตั้งค่าฟังก์ชันเกน นอกจากนี้ ยังสามารถป้อนกระแสที่ทราบผ่านอินพุตแบบแอนะล็อกเพื่อตรวจสอบ RTD แบบเปิดหรือแบบลัดวงจร
การแปลงและการสอบเทียบ: ผลลัพธ์ของการแปลง ADC จะได้รับการตรวจสอบอย่างต่อเนื่องเพื่อดูว่าไปที่มีค่าศูนย์หรือเต็มสเกล ซึ่งทั้งสองอย่างบ่งชี้ว่ามีปัญหา โดยบิตสตรีมจากโมดูเลเตอร์ที่แกนกลางของ ADC จะถูกตรวจสอบเพื่อให้แน่ใจว่ายังไม่อิ่มตัว และถ้าเกิดความอิ่มตัว (หมายความว่ามี 20 รายการติดต่อกันหรือเป็นศูนย์จากโมดูเลเตอร์) จะมีการตั้งค่าสถานะข้อผิดพลาด
ความถี่สัญญาณนาฬิกาหลัก: ความถี่ของสัญญาณนาฬิกานี้ไม่เพียงแต่ควบคุมอัตราการแปลงเท่านั้น แต่ยังกำหนดความถี่นอตช์ของตัวกรองดิจิทัล 50/60 เฮิรตซ์ (Hz) โดยรีจิสเตอร์ภายใน AD7124 ช่วยให้โปรเซสเซอร์ที่ใช้ร่วมกันจับเวลาและด้วยเหตุนี้จึงตรวจสอบความถูกต้องของนาฬิกาหลัก
คุณลักษณะเพิ่มเติม: AD7124 มีเซ็นเซอร์อุณหภูมิ ซึ่งสามารถใช้ตรวจสอบอุณหภูมิของดายได้ ทั้งสองรุ่นมีอัตราการปล่อยไฟฟ้าสถิต (ESD) 4 กิโลโวลต์ (kV) เพื่อประสิทธิภาพที่ทนทาน และทั้งสองรุ่นอยู่ในแพ็คเกจ LFCSP ขนาด 5 × 5 มิลลิเมตร (มม.) ที่เหมาะสำหรับการออกแบบที่ปลอดภัย
เนื่องจากความซับซ้อนภายใน ความซับซ้อน และคุณสมบัติการทดสอบตัวเองขั้นสูงของ AD7124-4 และ AD7124-8 จึงเหมาะสมที่จะมีวิธีดำเนินการและประเมินไอซี
เพื่อให้บรรลุเป้าหมายนี้ Analog Devices ขอเสนอบอร์ดเชื่อมต่อคู่หนึ่ง: บอร์ดประเมินผล EVAL-AD7124-4SDZ สำหรับ AD7124-4 (รูปที่ 5) และ EVAL-SDP-CB1Z SDP (แท่นสาธิตระบบ)/บอร์ดอินเทอร์เฟซ (รูปที่ 6) ตัวแรกมีเฉพาะสำหรับ AD7124-4 และทำงานร่วมกับตัวหลัง ซึ่งให้การสื่อสารกับพีซีของผู้ใช้และซอฟต์แวร์การประเมินผ่านการเชื่อมต่อ USB
 รูปที่ 5: EVAL-AD7124-4SDZ เป็นบอร์ดประเมินผลสำหรับ AD7124-4 (แหล่งที่มาภาพ: Analog Devices)
รูปที่ 5: EVAL-AD7124-4SDZ เป็นบอร์ดประเมินผลสำหรับ AD7124-4 (แหล่งที่มาภาพ: Analog Devices)
 รูปที่ 6: EVAL-SDP-CB1Z/บอร์ดอินเทอร์เฟซ  เป็นคู่หูของ EVAL-AD7124-4SDZ ซึ่งให้การเชื่อมต่อ USB กับโฮสต์พีซี (แหล่งที่มาภาพ: Analog Devices)
 รูปที่ 6: EVAL-SDP-CB1Z/บอร์ดอินเทอร์เฟซ  เป็นคู่หูของ EVAL-AD7124-4SDZ ซึ่งให้การเชื่อมต่อ USB กับโฮสต์พีซี (แหล่งที่มาภาพ: Analog Devices)
การจัดการประเมินผลได้รับการสนับสนุนจากซอฟต์แวร์ AD7124-4 EVAL+ ซึ่งกำหนดค่าฟังก์ชันการลงทะเบียนอุปกรณ์ AD7124-4 อย่างสมบูรณ์และใช้งานไอซี นอกจากนี้ยังมีการวิเคราะห์โดเมนเวลาในรูปแบบของกราฟรูปคลื่น ฮิสโตแกรม และการวิเคราะห์สัญญาณรบกวนที่เกี่ยวข้องสำหรับการประเมินประสิทธิภาพของ ADC
เปลี่ยนไปสู่การออกแบบที่ปลอดภัยในการใช้งาน
สิ่งสำคัญคือต้องตระหนักว่า AD7124-4 และ AD7124-8 ไม่ได้รับการจัดระดับ SIL ซึ่งหมายความว่าไม่ได้ออกแบบและพัฒนาโดยใช้แนวทางการพัฒนาที่กำหนดโดยมาตรฐาน IEC 61508 อย่างไรก็ตาม เมื่อทำความเข้าใจกับการใช้งานสุดท้ายและผ่านการใช้การวินิจฉัยต่าง ๆ อย่างเหมาะสม จะสามารถประเมินเพื่อใช้ในการออกแบบตามระดับ SIL
เส้นทางสู่การรับรอง Route 1S มีข้อควรพิจารณาหลายประการสำหรับการวิเคราะห์และระบุถึงความล้มเหลว ซึ่งอาจเป็นระบบหรือแบบสุ่ม ความล้มเหลวของระบบเกิดจากข้อบกพร่องในการออกแบบหรือการผลิต เช่น การอินเตอรรัพท์ที่มีสัญญาณรบกวนเนื่องจากขาดการกรองบนพินการอินเตอรรัพท์ภายนอก หรือพื้นที่ไม่เพียงพอสำหรับสัญญาณ ในทางกลับกัน ความล้มเหลวแบบสุ่มเกิดจากสาเหตุทางกายภาพ เช่น การกัดกร่อน ความเครียดจากความร้อน หรือการสึกหรอ
ข้อกังวลที่สำคัญเรียกว่าความล้มเหลวที่ตรวจไม่พบที่เป็นอันตราย ซึ่งแก้ไขได้ด้วยเทคนิคหลายอย่าง เพื่อลดความล้มเหลวแบบสุ่ม นักออกแบบใช้หนึ่งหรือสามกลยุทธ์:
- ส่วนประกอบที่น่าเชื่อถือมากขึ้นและเครียดน้อยลง
- การวินิจฉัยที่อาศัยกลไกการตรวจจับในตัวที่ดำเนินการผ่านฮาร์ดแวร์หรือซอฟต์แวร์
- ความทนทานต่อความผิดพลาดผ่านวงจรสำรอง ด้วยการเพิ่มเส้นทางที่ซ้ำซ้อน ความล้มเหลวเพียงครั้งเดียวสามารถยอมรับได้ สิ่งนี้เรียกว่าระบบ Hardware Fault Tolerance 1 (HFT 1) หมายความว่าความล้มเหลวเพียงครั้งเดียวไม่สามารถทำให้ระบบล้มเหลวได้
เครื่องมือหนึ่งในการทำความเข้าใจความครอบคลุมระดับ SIL คือเมทริกซ์ที่วางแผนค่าสัดส่วนความล้มเหลวที่ปลอดภัย (SFF) (จำนวนความครอบคลุมการวินิจฉัย) และความทนทานต่อข้อบกพร่องของฮาร์ดแวร์ (ความซ้ำซ้อน) (รูปที่ 7)
| 
 | |||||||||||||||||||||||
รูปที่ 7: เมทริกซ์นี้แสดงลักษณะของเศษส่วนความล้มเหลวที่ปลอดภัย (SFF) เทียบกับความทนทานต่อความผิดพลาดของฮาร์ดแวร์ (HFT) และให้ข้อมูลเชิงลึกเกี่ยวกับความครอบคลุมของ SIL (แหล่งที่มาภาพ: Analog Devices)
แถวแสดงจำนวนความครอบคลุมของการวินิจฉัย ขณะที่คอลัมน์แสดงค่าความทนทานต่อข้อบกพร่องของฮาร์ดแวร์ โดย HFT ของ 0 หมายความว่าหากมีข้อผิดพลาดในระบบ ฟังก์ชันความปลอดภัยจะหายไป การวินิจฉัยในระดับที่สูงขึ้นช่วยลดจำนวนความซ้ำซ้อนของระบบที่จำเป็นหรือปรับปรุงระดับ SIL ของโซลูชันด้วยระดับความซ้ำซ้อนที่เท่ากัน (ลดเมทริกซ์ลง)
โปรดทราบว่า FMEDA ในการใช้งานอุณหภูมิทั่วไปที่ใช้อุปกรณ์เหล่านี้แสดงเศษส่วนความล้มเหลวที่ปลอดภัย (SFF) มากกว่า 90% ตามมาตรฐาน IEC 61508 โดยปกติแล้ว ADC แบบดั้งเดิมสองตัวจะต้องใช้เพื่อให้ความครอบคลุมในระดับนี้ผ่านความซ้ำซ้อน แต่ AD4172 ต้องการเพียง ADC เพียงตัวเดียว จึงช่วยประหยัดต้นทุนรายการวัสดุ (BOM) และพื้นที่ในบอร์ดได้อย่างมาก
เอกสารประกอบสำหรับการออกแบบที่มีการจัดระดับ SIL
เพื่อให้ได้รับการรับรอง Route 1S จำเป็นต้องมีเอกสารประกอบมากมาย ในบรรดาเอกสารต้นฉบับที่จำเป็นได้แก่:
- เอกสารข้อมูลความปลอดภัย (คู่มือความปลอดภัยสำหรับชิ้นส่วนที่ได้รับการจัดระดับ SIL)
- FMEDA แบบ Pin และ FMEDA แบบ Die พร้อมโหมดความล้มเหลว เอฟเฟกต์ และการวิเคราะห์สำหรับทั้งสองอย่าง
- รายการตรวจสอบภาคผนวก F (กำหนดโดย IEC 61508)
ในทางกลับกัน เอกสารนี้มาจากหลายแหล่ง (รูปที่ 8):
- ข้อมูลการวินิจฉัยจากเอกสารข้อมูลจะรวบรวมคุณลักษณะการวินิจฉัยทั้งหมดที่มีอยู่ในส่วนนั้น
- ข้อมูลการออกแบบหมายถึงข้อมูลภายใน ตัวอย่างเช่น พื้นที่ดายและผลกระทบของบล็อกภายในของชิ้นส่วนแต่ละชิ้น
- FIT พร้อมอัตราสำหรับส่วนประกอบต่างๆ สามารถดูได้จากเอกสารข้อมูล
- ทำการทดสอบข้อบกพร่องการถอดและประกอบสำหรับบล็อกที่ไม่สามารถวิเคราะห์โดยใช้ข้อมูลการออกแบบและการวินิจฉัย การทดสอบเหล่านี้มีการวางแผนตามข้อกำหนดการใช้งาน และผลของการทดสอบจะใช้เพื่อเสริมความแข็งแกร่งให้กับเอกสาร FMEDA และ FMEA
 รูปที่ 8: แหล่งเอกสารที่หลากหลายถูกรวบรวมและดึงออกมาเพื่อให้ชุดข้อมูลที่สมบูรณ์ที่จำเป็นสำหรับการรับรอง SIL (แหล่งที่มาภาพ: Analog Devices)
รูปที่ 8: แหล่งเอกสารที่หลากหลายถูกรวบรวมและดึงออกมาเพื่อให้ชุดข้อมูลที่สมบูรณ์ที่จำเป็นสำหรับการรับรอง SIL (แหล่งที่มาภาพ: Analog Devices)
ดูเฉพาะในรายละเอียดเพิ่มเติม:
- คู่มือความปลอดภัยหรือเอกสารข้อมูลความปลอดภัย ใช้ข้อมูลที่รวบรวมทั้งหมดเพื่อจัดเตรียมข้อกำหนดที่จำเป็นเพื่อให้สามารถรวม AD7124-4 หรือ AD7124-8 ได้ โดยจะรวบรวมการวินิจฉัยและการวิเคราะห์ทั้งหมดที่มาจากเอกสารและชุดข้อมูลต่างๆ
- FMEDA แบบ Die สำหรับ AD7124-4 และ AD7124-8 จะวิเคราะห์บล็อกหลักในแผนผังแอปพลิเคชัน ระบุโหมดความล้มเหลวและผลกระทบ และตรวจสอบการวินิจฉัยและวิเคราะห์สำหรับฟังก์ชันความปลอดภัยเฉพาะ ตัวอย่างเช่น การวิเคราะห์โมดูลนาฬิกาจะแสดงโหมดความล้มเหลว ผลกระทบของแต่ละเอาต์พุต ปริมาณของการครอบคลุมการวินิจฉัย และการวิเคราะห์ผลกระทบ (รูปที่ 9)
| 
 | 
รูปที่ 9: ตารางนี้กำหนดอาการความล้มเหลวของบล็อกนาฬิกาหลัก ผลกระทบ การวินิจฉัย และการวิเคราะห์ (แหล่งที่มาภาพ: Analog Devices)
FMEDA แบบ Die นี้ส่งผลให้เกิดอัตราความล้มเหลวเชิงปริมาณสำหรับความล้มเหลวที่ปลอดภัย ความล้มเหลวที่ตรวจพบที่เป็นอันตราย และความล้มเหลวที่ตรวจไม่พบที่เป็นอันตราย ทั้งหมดนี้ใช้ในการคำนวณ SFF
FDEMA แบบ Pin มองความล้มเหลวจากมุมมองที่แตกต่างออกไป โดยจะวิเคราะห์ความล้มเหลวประเภทต่าง ๆ บนพินของ AD7124-4 และ AD7124-8 และผลลัพธ์สำหรับ RTD ซึ่งทำเช่นนี้สำหรับแต่ละพินและอธิบายผลลัพธ์สำหรับกรณีที่พินเปิด ช็อตไปยังแหล่งจ่าย/กราวด์ หรือช็อตไปยังพินที่อยู่ติดกัน
รายการตรวจสอบภาคผนวก F เป็นรายการตรวจสอบการออกแบบเพื่อหลีกเลี่ยงความล้มเหลวอย่างเป็นระบบ ประกอบด้วย:
- ภาพรวมผลิตภัณฑ์
- ข้อมูลการสมัคร
- แนวคิดด้านความปลอดภัย
- การคาดการณ์ตลอดชีวิต
- FIT
- การคำนวณ FMEDA—SFF และ DC
- กลไกความปลอดภัยของฮาร์ดแวร์
- คำอธิบายการวินิจฉัย
- ความทนทาน EMC
- การดำเนินการในการกำหนดค่าซ้ำซ้อน
- ภาคผนวกและรายการเอกสาร
โดยสรุป การรับรองความปลอดภัยด้านการทำงานสำหรับส่วนประกอบที่เพิ่งเปิดตัวผ่าน Route 1S นั้นยาว ซับซ้อน ใช้เวลานาน รุนแรง และครอบคลุม แต่เป็นเรื่องที่ดีที่ Route 2S เป็นแนวทางทางเลือกที่ใช้ได้กับส่วนประกอบบางอย่าง ดังที่กล่าวไว้ข้างต้น
Route 2S: เส้นทางทางเลือก
เส้นทางที่รู้จักกันในชื่อ Route 2S ใช้ได้กับชิ้นส่วนที่มีประสบการณ์ภาคสนามและข้อมูล และกำหนดให้เป็น "ได้รับพิสูจน์จากการใช้งาน" โดยอ้างอิงจากการวิเคราะห์ผลิตภัณฑ์ส่งคืนของลูกค้าและจำนวนอุปกรณ์ที่จัดส่ง ซึ่งไม่สามารถใช้กับชิ้นส่วนใหม่ที่มี "ประวัติการติดตาม" เพียงเล็กน้อยหรือไม่มีเลยในการใช้งานจริง
Route 2S ช่วยให้การรับรอง SIL เหมือนกับว่าชิ้นส่วนได้รับการวิเคราะห์อย่างสมบูรณ์ภายใต้มาตรฐาน IEC 61508 พร้อมใช้งานสำหรับผู้ออกแบบโมดูลและระบบหากพวกเขาเคยใช้ไอซีนั้น ๆ ได้สำเร็จในอดีตและทราบอัตราความล้มเหลวจากภาคสนาม ซึ่งคุณลักษณะการทดสอบและการตรวจสอบที่ฝังอยู่ พร้อมด้วยข้อมูลประสิทธิภาพ ทำให้ AD7214-4 และ AD7214-8 เป็นตัวเลือกที่ดีสำหรับ Route 2S
การเรียกใช้ Route 2S ต้องการข้อมูลโดยละเอียดและมีนัยสำคัญทางสถิติเกี่ยวกับผลิตภัณฑ์ส่งคืนจากภาคสนามและผลิตภัณฑ์ที่ล้มเหลว ข้อกำหนดนี้เป็นเรื่องยากมากสำหรับผู้จำหน่ายไอซีที่จะปฏิบัติตามมากกว่าซัพพลายเออร์บอร์ดหรือโมดูล เหตุผลก็คือโดยทั่วไปแล้วผู้จำหน่ายไอซีไม่มีความรู้เพียงพอเกี่ยวกับการใช้งานขั้นสุดท้าย หรือเปอร์เซ็นต์ของผลิตภัณฑ์ที่ล้มเหลวจากหน้างานจะถูกส่งคืนให้พวกเขาเพื่อการวิเคราะห์
สรุป
Route 1S สำหรับการรับรองความปลอดภัยในการใช้งานของผลิตภัณฑ์ใหม่นั้นละเอียด ครอบคลุม และซับซ้อน นอกจากนี้ยังมีความท้าทายทางเทคนิคและใช้เวลานานอย่างแน่นอน ในทางตรงกันข้ามกระบวนการ Route 2S ช่วยให้ผลิตภัณฑ์ที่จัดจำหน่ายแล้วได้รับการรับรองตามประสบการณ์ภาคสนาม ความล้มเหลว และข้อมูลการวิเคราะห์ ซึ่งเป็นเส้นทางที่มีประโยชน์และรองรับโดยไอซีอินเทอร์เฟซ AD7214-4 และ AD7214-8 RTD เนื่องจากมีประวัติที่จำเป็น สิ่งที่สำคัญไม่แพ้กัน ไอซีเหล่านี้ได้รวมฟังก์ชันการวินิจฉัยและการทดสอบตัวเองและคุณลักษณะต่างๆ ไว้มากมาย ซึ่งทำให้มีคุณสมบัติเหมาะสมสำหรับการรับรองดังกล่าว
เนื้อหาที่เกี่ยวข้อง
 
            
        Disclaimer: The opinions, beliefs, and viewpoints expressed by the various authors and/or forum participants on this website do not necessarily reflect the opinions, beliefs, and viewpoints of DigiKey or official policies of DigiKey.
 
                 
                 
                 
 
 
 
 การตั้งค่า
        การตั้งค่า
     จัดส่งที่รวดเร็ว
                                    จัดส่งที่รวดเร็ว
                                 จัดส่งฟรี
                                     จัดส่งฟรี
                                 Incoterms
                                    Incoterms
                                 ประเภทการชำระเงิน
                                    ประเภทการชำระเงิน
                                





 ผลิตภัณฑ์ตลาดออนไลน์
                                    ผลิตภัณฑ์ตลาดออนไลน์
                                 
            



 
                 
                     
                                 
                                 
                         
                                 
                                 
                                 
                                 
                                 
                                 
                                 ไทย
ไทย